Путеводитель в мир электроники. Книга 2 - Страница 62

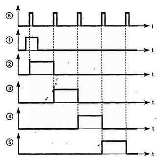
Рис. 14.34. Диаграмма, поясняющая работу счетчиков импульсов
Обратите внимание: сигнал с выхода предыдущего триггера поступает на тактовый вход последующего. Такая схема построения счетчиков называется асинхронной.
Асинхронная схема обладает существенным недостатком при использовании в цифровых приборах с требуемой высокой частотой импульсов. Поскольку все триггеры срабатывают не одновременно — не синхронно — образуется задержка, которая вносит погрешность в выходной результат. Чтобы повысить скорость счета, придумали синхронные счетчики, у которых тактовые входы объединяются, а остальные соединяются с применением дополнительных логических элементов. Все триггеры синхронного счетчика переключаются одновременно.
Счетчики бывают реверсивные и нереверсивные. Реверсивные могут считать импульсы, увеличивая или уменьшая значение двоичного кода на его выходах (например, К561ИЕ11, К561ИЕ14). Изменение направления счета, как правило, задается с помощью сигнала на отдельном входе, имеющего обозначение ± или ±1. Реверсивные счетчики могут генерировать увеличивающийся или уменьшающийся двоичный код. Многие счетчики имеют входы предустановки, которые позволяют «загрузить» в него определенный код и продолжить счет не от нулевого (или, максимального) значения, а именно от этого кода.
Практически все счетчики имеют вход сброса (R), подача сигнала на который устанавливает выходы в исходное состояние, то есть нулевое, рис. 14.35.

Рис. 14.35. КМОП микросхемы счетчиков
Все они считают импульсы, приходящие на вход, а некоторые имеют свободные логические элементы для выполнения задающего автогенератора в составе микросхемы (К176ИЕ5, К176ИЕ12). Есть счетчики, которые имеют внутри на выходе встроенный дешифратор двоичного кода в десятичный (например, К561ИЕ8 и К561ИE9). С особенностями работы таких счетчиков удобнее знакомиться на основе практических конструкций.
Интересными представителями этой группы логических «кирпичиков» считаются счетчики с переменным коэффициентом деления. Что это такое? Чуть выше мы рассмотрели 4-разрядный (тетрадный) двоичный счетчик. Не является ли излишним такое уточнение? Ничуть! Двоичный счетчик генерирует код, который легко представить в шестнадцатиричной системе, по шестнадцати состояниям. Но существуют также и десятичные счетчики, которые, досчитав до 9 от 0, вновь начинают с нуля. Десять цифр просто представлены своим двоичным эквивалентом, и не более. Есть и счетчики с коэффициентами 8, 6, а есть и такие, которые могут стать и десятичными, и двоичными, и другими — по желанию разработчика. Со временем читатель познакомится с этими представителями элементов цифровой техники.
Очень часто в цифровых схемах используются регистры. Регистры, в отличие от счетчиков, не подсчитывают количество импульсов, а используются для накопления и сдвига данных. Самый простой вид регистра — сдвиговый. Его устройство изображено на рис. 14.36, а диаграмма, поясняющая работу, показана на рис. 14.37.

Рис. 14.36. Сдвиговый 4-разрядный регистр

Рис. 14.37. Диаграмма, поясняющая работу сдвигового регистра
Тактовые импульсы, поступающие на вход С, сдвигают цифровой сигнал слева направо. Сдвиговые регистры удобно использовать для преобразования последовательного цифрового кода в параллельный, когда код последовательно, бит за битом, «заталкивается» в регистр тактовыми (стробирующими) импульсами. Код появится в параллельном виде на выходах «2»…«5», и его можно будет считать с этих выходов за один раз, то есть параллельно.
Регистр сдвига легко превратить в параллельный кольцевой регистр. Для этого достаточно соединить выход «5» со входом «1» и ввести выводы параллельной загрузки двоичного кода в регистр. При подаче тактовых импульсов код будет «циркулировать» по регистру, то есть перемещаться в нем по кольцу.
Линейка RS-триггеров может образовать регистр-защелку, в которую можно загрузить данные в параллельном виде, однако сдвиг данных в регистре-защелке не предусматривается Этот вид логического устройства используется в качестве статической памяти.
Иногда появляется необходимость преобразовать двоичный код в какой-либо другой, который может быть использован для непосредственного управления цифровым индикатором или для других целей. Несколько реже встречается задача преобразования какого-либо кода в двоичный код. Для этих целей используются дешифраторы и шифраторы.
Наиболее часто в радиолюбительской практике встречается два вида дешифраторов. Условное обозначение обоих видов различается мало. На рис. 14.38, а, показан первый вид дешифратора.
Работает он следующим образом. При подаче на выводы «А0»…«АЗ» двоичного кода, на одном из выходов «0»…«9» появится сигнал лог. 1. Например, при подаче двоичного кода соответствующего цифре «5», на выходе «5» появится высокий уровень сигнала, а на всех остальных выходах — низкий. И так далее.
Второй вид дешифратора имеет такие же входы и выходы, но при подаче на входы двоичного сигнала на выходах будет появляться на первый взгляд бессмысленная комбинация сигналов. Но если подключить к выходам по определенному правилу, указанному в документации на дешифратор (например, по рис. 14.38, б), цифровой семисегментный индикатор, на нем появятся цифры, соответствующие вводимому коду.

Рис. 14.38. Микросхемы дешифраторов:
а — десятичного кода; б— для управления цифровым индикатором
А теперь несколько слов о шифраторах. Этот элемент очень похож на дешифратор первого вида с той лишь разницей, что входы становятся выходами, а выходы — входами. Двоичный код здесь не управляет элементом, а генерируется им.
Вы уже знаете, что в аналоговой схемотехнике для коммутации сигналов используются переключатели. И, если нужно один единственный сигнал подавать то на одну схему, то на другую, применяется переключатель «на несколько положений» — так называемый многоканальный переключатель. В цифровой технике для этих целей используются мультиплексоры и демультиплексоры.
У мультиплексора имеется несколько входов и один выход. Переключение осуществляется с помощью двоичного кода, подаваемого на специально предусмотренные входы. Отличие демультиплексора от мультиплексора заключается в том, что у демультиплексора один вход и несколько выходов. В остальном он подобен мультиплексору.
Созданы и специальные аналоговые мультиплексоры (коммутаторы), управляемые цифровыми уровнями, — они более близки к механическим включателям и применяются довольно часто. Для таких элементов безразлично, какой из выводов ключа будет являться входом, а какой выходом, а во включенном состоянии сам канал имеет маленькое сопротивление (20…100 Ом). Такое сопротивление часто можно не учитывать. Аналоговые коммутаторы более универсальны, так как могут передавать не только цифровые, но и любые другие сигналы, важно только, чтобы они не превышали напряжения питания для микросхемы (рис. 14.39).