Путеводитель в мир электроники. Книга 2 - Страница 59
Отечественные КМОП микросхемы имеют зарубежные аналоги, табл. 14.6.

Вместо знаков ххх в маркировке стоят цифры, указывающие на вид микросхемы. Информацию по замене конкретных импортных микросхем отечественными аналогами можно найти в книге [2].
Как все это работает?
Вопросы никогда не бывают нескромными.
В отличие от ответов.
А сейчас поговорим о назначении и принципах работы простейших логических элементов и узлов, выполненных на их основе. Любой логический элемент имеет один или несколько входов и один или несколько выходов. Подавая различные комбинации цифровых сигналов на входы и фиксируя состояние выходов, можно исследовать логические схемы, составить для них таблицы истинности — таблицы, отражающие поведение схемы при всевозможных комбинациях входных сигналов. Составление таблицы истинности — это наиболее простой способ описания простых устройств цифровой техники. Существуют и другие способы, например временные диаграммы, в которых все сигналы «разворачиваются» на временной горизонтальной оси в виде графика. Можно описывать работу словами или же языком математики (есть так называемая Булева алгебра — Дж. Буль (1815–1864) — английский математик разработал специальную алгебру логики). Кроме языка математики, со всеми остальными способами мы с вами познакомимся. Но для описания многих логических элементов таблиц истинности вполне достаточно.
Все цифровые микросхемы по количеству компонентов внутри корпуса можно разделить на простейшие (они выполняют простые логические операции) и более сложные (выполняют логические функции). Последние состоят внутри из большого числа специальным образом соединенных простых логических элементов, выполняющих часто необходимые задачи, что позволяет уменьшить число корпусов микросхем в конструкции.
Один логический элемент, в зависимости от технологии его изготовления, может состоять из 5…15 компонентов (транзисторов, резисторов, диодов). На одном кристалле полупроводника за один технологический цикл изготавливается сразу несколько аналогичных логических элементов, связанных между собой только цепями питания, что позволяет уменьшить габариты и стоимость разрабатываемой конструкции. К тому же при разработке топологии печатной платы в этом случае можно использовать те элементы, для которых проще всего выполнить разводку соединения (элементы можно менять местами на электрической схеме). Чтобы не загромождать схему линиями, обычно цепи питания микросхем не рисуют (их указывают отдельно), но об их необходимости подключения не следует забывать, иначе ничто работать не будет.
Еще необходимо учитывать, что в цифровых схемах логические элементы могут иметь один из пяти вариантов выполнения выходного каскада (рис. 14.8):


Рис. 14.8. Разные варианты внутренней структуры выходных каскадов цифровых микросхем
а) обычный выход (чаще всего комплиментарный), на котором может присутствовать либо 0, либо лог. 1 (он непосредственно подключается к входу другого логического элемента). На электрической схеме такой выход ничем не выделяют — их большинство;
б) выход с открытым коллектором или стоком (если к такому выходу не подключить внешний резистор, соединенный с +Uп, то мы не увидим никакого изменения уровня сигнала). Открытые выходы можно объединять между собой, то есть они могут работать на одну нагрузку (резистор). На электрической схеме такой выход обозначается ромбиком с чертой внизу;
в) выход с тремя состояниями. На нем может быть либо 0, либо лог. 1, либо «ничего» — так называемое высокоимпедансное состояние (Z-состояние) — вывод как бы повисает в воздухе. Выполняется это за счет того, что выходными транзисторами можно раздельно управлять, и перевод в это состояние осуществляется закрыванием обоих транзисторов. На электрической схеме такой выход обозначается ромбиком с чертой посередине (например, такой является микросхема K561ЛH1 с 6 инверторами, рис. 14.9);
г) два других варианта выходов: когда не подключен только исток (эмиттер) транзистора (обозначается ромбиком с чертой вверху) или же оба вывода просто выведены (открытый коллектор и эмиттер) — в цифровых микросхемах встречаются очень редко, и мы их рассматривать не будем.
Ну а теперь давайте познакомимся с самыми распространенными элементами, рис. 14.9 (их работу надо запомнить).

Рис. 14.9. Простые логические микросхемы
Повторитель сигнала — элемент, не несущий в себе никакой осмысленной цифровой операции. Принцип работы следует из его названия, а таблица истинности показана на рис. 14.10.

Рис. 14.10. Таблица истинности повторителя сигнала
Он используется для увеличения нагрузочной способности выходов, для буферирования слабых цифровых сигналов (усиления по току), для преобразования электрических уровней и согласования, разных типов микросхем. Одинаковые логические элементы можно включать параллельно по 2–4 штуки, это увеличивает нагрузочную способность (выходной ток). В крайнем случае роль буферного элемента может выполнять каскад эмиттерного повторителя на любом транзисторе — так делают, когда необходим только один или два повторителя, из-за чего неудобно ставить микросхему, имеющую их аж 6 штук или же когда на выходе нужен ток, превосходящий возможности одного буфера (для управления реле или ИК-диодом).
Инвертор — логический элемент, выполняющий операцию логического отрицания НЕ (NOT — обозначение этой операции в зарубежной литературе).
Таблица истинности инвертора показана на рис. 14.11.

Рис. 14.11. Таблица истинности инвертора НЕ (NOT)
Как следует из рисунка, этот элемент устанавливает на своем выходе состояние сигнала, противоположное тому, которое установлено на входе. Аналогичную задачу может выполнять обычный транзистор, включенный по схеме с общим эмиттером (общим истоком).
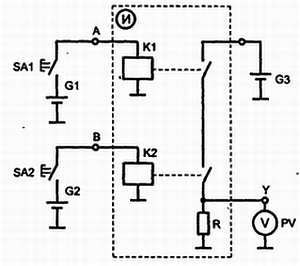
Элемент И — выполняет функцию логического умножения (AND). Работу его очень просто продемонстрировать с помощью схемы, выполненной на реле, рис. 14.12.

Рис. 14.12. Пояснение работы логического элемента И
Пока переключатели SA1 и SA2 находятся в разомкнутом состоянии, прибор PV регистрирует низкий уровень сигнала. При замыкании только одного из переключателей ситуация не меняется, и только при замыкании обоих переключателей прибор PV зарегистрирует высокий уровень сигнала.