Путеводитель в мир электроники. Книга 2 - Страница 58
Микросхемы серий К531 и К1531 разумно применять в тех случаях, когда требуемое быстродействие всего устройства или части цифровой схемы лежит выше частоты 30 МГц. Эти микросхемы обладают значительным энергопотреблением. Установленные в приборы, они всегда нагреваются и ощущаются хорошо прогретыми при приложении к ним кончика пальца. Поэтому радиолюбителю рекомендуется работать с сериями К531 и К1531 «с оглядкой», хорошо подумав, а есть ли смысл использовать здесь микросхему этой серии? Зачастую в несложных цифровых приборах даже только одна такая микросхема, будучи установленной вместо КР1533, может в два раза увеличить потребляемый ток.
Получить исчерпывающие сведения о перспективных отечественных микросхемах серии ТТЛ можно в книге [1]. Этот справочник пользуется заслуженной популярностью как у профессионалов, так и у радиолюбителей.
Отечественные цифровые ТТЛ микросхемы имеют зарубежные аналоги, табл. 14.5 (вместо знаков хх стоят цифры).

Перспективные зарубежные серии ТТЛ имеют наименования 74F, 74LS, 74ALS и совпадают по техническим характеристикам с отечественными сериями КР1531, К555 и КР1533 соответственно. По этим названиям микросхемы можно разыскивать в прайс-листах фирм, торгующих электронными компонентами.
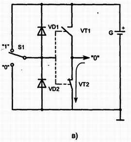
Поиск вариантов снижения энергопотребления привел разработчиков цифровой техники к применению для реализации логических элементов полевых транзисторов с изолированным затвором. Отсюда и берет начало название технология КМОП — на основе «комплементарных полевых транзисторов со структурой металл-окисел-полупроводник». «Изюминка» элементов этой серии заключается в наличии так называемой пушпульной схемы, которая в статическом (непереключающемся) состоянии потребляет ток, оцениваемый микроамперами. Что такое пушпульный каскад? Обратим внимание на рис. 14.7.



Рис. 14.7. Принцип действия КМОП инвертора
Пушпульный выход — это соединение транзисторов VT1 и VT2 так, как показано на представленном рисунке (а), — «столбиком». Чем замечательна эта схема?
Если нагрузка на выходе элемента отсутствует, то его общий потребляемый ток ограничивается только током утечки затворов транзисторов. Основная часть энергии, потребляемой КМОП микросхемой, затрачивается при переключении транзисторов, так как бывают мгновения, когда оба транзистора еще открыты в процессе изменения своего состояния-Это видно на рис. 14.7, б в точке А, где на одном графике показаны передаточные характеристики верхнего и нижнего транзисторов. Интересное свойство этого вида микросхем — средний потребляемый ток растет с повышением частоты переключения. Причина понятна — растет число переключений в секунду.
Имеющиеся внутри диоды VD1 и VD2, на первый взгляд, кажутся совершенно излишними, так как в процессе нормальной работы они всегда находятся в закрытом состоянии. И тем не менее эти диоды защищают входы микросхем от пробоя статическим электричеством — они открываются, когда напряжение на входе выходит за рамки напряжения питания микросхемы. Пробивное обратное напряжение для защитных диодов примерно 25…50 В.
Особенность КМОП микросхем состоит еще в том, что свободные (неиспользуемые) входы не должны оставаться «висящими» в воздухе, то есть неподключенными. Эти выводы лучше подключить к шине питания или к общему проводу, но так, чтобы это подключение не нарушило логику работы микросхемы, не заблокировало ее, не перевело в режим постоянного сброса. Словом, нужно досконально изучить работу микросхемы еще до разработки цифрового прибора.
Основной недостаток КМОП микросхем традиционных серий — их низкие по сравнению с элементами ТТЛ скорости переключения. Быстродействие не превышает в лучшем случае 3…5 МГц. Другая важная особенность работы с микросхемами заключается в общих мерах предосторожности, рекомендуемых при работе с полевыми приборами. Конечно, разработчики приняли все меры, чтобы обезопасить микросхемы от повреждения статическим электричеством. Но вероятность такой аварии существует, поэтому рекомендуются классические способы защиты в виде заземления паяльника и тела. Еще одно интересное свойство современных перспективных КМОП микросхем, которое, впрочем, относится к достоинствам, — надежная работа в широком диапазоне питающих напряжений: практически от 3 до 18 вольт.
Первая отечественная серия микромощных микросхем имеет маркировку К176. Эта серия очень широко применялась в цифровой аппаратуре и до сих пор встречается во вновь разработанных радиолюбительских конструкциях, ее можно легко приобрести. Тем не менее относиться к ней нужно с осторожностью — по некоторым вполне достоверным сведениям, эта серия снимается с производства, и то, что сегодня продается, поступает из старых запасов. Не исключена ситуация, когда радиолюбитель просто не сможет найти нужную микросхему на рынке: «закончилась» — скажут продавцы. Впрочем, серия К176 включает в себя много разновидностей микросхем, а ее основной недостаток — жестко нормированное напряжение питания 9 В с 5-процентным допуском, что затрудняет ее согласование с микросхемами ТТЛ серий. Но, как показывает практика, логические элементы этой серии реально сохраняют работоспособность в диапазоне напряжений 5…12 вольт, но — без гарантии надежной работы для некоторых экземпляров. Можно обеспечить надежное сопряжение микросхем с помощью так называемых преобразователей уровня (маркировка ПУ) — самостоятельных специализированных микросхем. Однако это усложнит схему — придется ввести два источника питания: на 5 и 9 В, что конечно же неудобно.
Основными в арсенале радиолюбителя являются микросхемы КМОП серии К561 и более новой К1561. В некоторых конструкциях можно встретить микросхемы серии 564 (там тот же самый кристалл, что и в К561). Они выпускаются в более компактных корпусах с планарными золочеными выводами, что, вне всякого сомнения, способствует продлению срока службы, но на порядки увеличивает цену. Эта серия непопулярна у радиолюбителей по экономическим соображениям. Вдобавок, по сравнению с серией K561, она не обладает какими-либо преимуществами, выигрышем в потреблении и другими важными свойствами. Диапазон питающих напряжений для серий 564 и К561 составляет 3…15 вольт, а для серии KP156I — 3…18 вольт.
Особое внимание читателя хочется обратить на серию KP1561, так как именно она будет интенсивно развиваться в ближайшие годы. У нее в выходных каскадах всех логических элементов установлены буферные усилители, увеличивающие нагрузочную способность и повышающие устойчивость к коротким замыканиям выходов на шины питания. К сожалению, эта серия пока содержит не так много разновидностей отечественных микросхем, как хотелось бы. Рекомендовать здесь можно использование импортных элементов, изготавливаемых по той же технологии.
Самой прогрессивной и стремительно развивающейся является отечественная серия KP1554, которая уже конкурирует по быстродействию с серией КР1533. Но обольщаться особо не стоит — микросхемы серии KP1554 только на низких частотах обладают низким потреблением, при частотах, приближающихся к предельным для ТТЛ серий, потребление обеих серий сравнивается. В чем же здесь преимущество? Серия KP1554 может работать при питающем напряжении 3 В. К сожалению, пока она мало распространена на отечественном рынке радиодеталей.