Путеводитель в мир электроники. Книга 2 - Страница 49
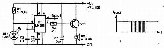
Если же у вас нет необходимости устанавливать произвольную частоту повторения, а достаточно и 2 Гц (два сигнала в секунду), то можно воспользоваться более простой схемой, выполненной всего на одном таймере и специальном светодиоде (с прерывистым свечением), рис. 13.27.

Рис. 13.27. Генератор прерывистого звукового сигнала на мигающем светодиоде
Ну а теперь давайте познакомимся с практической схемой одновибратора. На рис. 13.28 показано типовое включение микросхемы для получения на выходе одного импульса заданной длительности.

Рис. 13.28. Таймер для отключения нагрузки через заданный интервал времени
При подаче питания на схему, так как на инверсном входе нижнего компаратора уровень напряжения низкий, внутренний триггер включится, и на выходе (вывод 3) появится напряжение.
Длительность импульса, т. е. время присутствия напряжения на выходе, определяется временем заряда конденсатора С2 до уровня напряжения срабатывания верхнего компаратора (2/3 от Uп). Его легко можно рассчитать по формуле:
Т = 1,1·С·(R1 + … + Rn),
где Т — в секундах, С — в фарадах, R — в омах.
Чтобы была возможность выбирать разные временные интервалы, времязадающих резисторов может быть установлено много и при помощи переключателя коммутироваться нужные (на схеме их показано всего 5). При указанных номиналах интервалы получаются 2, 4, 6, 8, 10 мин. Любую внешнюю нагрузку (зарядное устройство, ионизатор, нагреватель, приемник или что-то еще) отключит группа контактов электромагнитного реле К1.1 — его можно подобрать по справочному разделу приложения. Напряжение питания схемы выбирается в зависимости от номинального рабочего напряжения реле. Кнопка SB1 служит для того, чтобы повторно включить таймер (не выключая питание).
Для монтажа этой схемы можно воспользоваться топологией печатной платы на рис. 13.29.

Рис. 13.29. Топология печатной платы, расположение элементов и вид монтажа таймера (реле использовано типа РЭС47 на 27 В)
Обычно у каждого, кто собирает временной таймер, своя цель, и, соответственно, нужно иметь свои интервалы времени. В этом случае удобно воспользоваться расчетом по приведенной выше формуле. А чтобы получить значение временного интервала сразу в нужной размерности, при выборе величин удобно руководствоваться табл. 13.2. Можно также воспользоваться компьютерными программами для расчета, см. главу «Компьютер в лаборатории радиолюбителя».

Значения времязадающих элементов могут изменяться в широких пределах, и теоретически не существует ограничений на их выбор, но на практике они все же есть (это справедливо и для генераторов). С точки зрения экономичности работы устанавливать R1 меньше 10 кОм нецелесообразно. Практический минимум для С3 приблизительно 95 пФ — при более низких значениях паразитные емкости станут оказывать существенное влияние на точность формируемого интервала. Воспользовавшись этими значениями, можно рассчитать минимальную длительность импульса на выходе — она составит 1 мкс, что получается в 100 раз меньше, чем рекомендуемый минимум (1 мс), но это позволяет иметь большой запас в выборе значений R и С (обычно удобнее бывает сначала выбрать конденсатор из стандартного ряда, имеющий малые габариты, а затем рассчитать резистор).
Верхний предел для резисторов (R1 + Rn) находится приблизительно около 15 МОм, но он должен быть выбран меньше, если необходимо получить у формируемого импульса длительность с точностью не хуже, чем указано в паспорте для микросхемы (обычно 1 %). Верхний предел сопротивления связан со значением входного тока через выводы микросхемы (утечка). Например, при пороговом токе утечки 120 нА это значение получается 14 МОм (когда рабочее напряжение 5 В). Но, так как при формировании больших временных интервалов обычно используются полярные оксидные конденсаторы с большими номиналами, в этом случае их утечку также следует учитывать, поскольку она может быть соизмерима с входной у микросхемы. Иначе при больших значениях R может получиться ситуация, когда в процессе заряда напряжение на конденсаторе не сможет дорасти до порогового значения (2/3 Uп. В этом случае выходной триггер не переключится. Поэтому на практике значение номинала R выбирают с запасом так, чтобы это не могло случиться даже при максимальном технологическом разбросе применяемых деталей. К тому же для получения импульсов большой длительности лучше использовать специальные оксидные конденсаторы с низкой утечкой (танталовые).
Этот подраздел может быть очень длинным, а может быть очень коротким. Авторы решили остановиться на втором варианте, поскольку описать все типы специализированных аналоговых микросхем, использующихся в современной технике, просто невозможно. Вот краткий перечень устройств, в которых можно встретить эти микросхемы. Например, в телефонных аппаратах — схемы вызова абонента, усилительные схемы, схемы набора номера. В радиоприемной и телевизионной технике, в частности, в бытовых телевизорах, очень много специализированных аналоговых микросхем. Впрочем, если рассматривать внутреннее устройство этих микросхем, то окажется, что они состоят из дискретных элементов, операционных усилителей, компараторов, таймеров и других схемотехнических блоков. В любом случае, если читатель столкнется с такой микросхемой, ему нужно будет разыскать на нее техническую документацию и разобраться с принципами работы.
Микросхемы в практических конструкциях
Трудное — это то, что может быть сделано немедленно; невозможное — то, что потребует немного больше времени.
Знакомство с новой микросхемой у радиолюбителя (да и не только у него) начинается с изучения ее параметров и возможностей. Но этого мало — нужно включить ее так, чтобы она правильно функционировала в схеме, не перегревалась, не выходила из строя. Итак, давайте разберемся со схемами включения операционных усилителей. Чтобы этот раздел не показался скучным и утомительным, мы решили познакомить читателя с простыми практическими конструкциями, но и про теорию также не забыть.
Мы уже ранее говорили, что операционные усилители в режиме усиления не могут работать без обратной связи. Более того, обратную связь можно ввести так, чтобы заставить ОУ формировать выходной сигнал в фазе со входным, или сдвинуть выходной сигнал на 180 градусов — инвертировать его. Соответственно, широко используются две основные схемы включения ОУ — неинвертирующая и инвертирующая (рис. 13.30).

Рис. 13.30. Схемы включения ОУ:
а — неинвертирующая; б — инвертирующая
Формулы по которым можно определить коэффициент усиления (kи) каскада приведены на рисунках. Знак «минус» означает инверсию сигнала. Входное сопротивление усилителя по схеме рис. 13.30, а велико и равно входному сопротивлению микросхемы, а входное сопротивление схемы на рис. 13.30, б — равно резистору R1.