Путеводитель в мир электроники. Книга 2 - Страница 48
8 — (+Vcc, +Uп) питание, на этот вывод подается положительное напряжение питания в диапазоне от 4,5 до 16…18 В.
На практических принципиальных схемах внутреннюю структуру рисуют довольно редко. Это удобно только для того, чтобы разобраться в работе микросхемы. Чаще всего вы встретите упрощенный вид, например, как это показано на рис. 13.23, где изображена та же самая схема, что и на рис. 13.22, только к выходу D1/3 уже подключена через конденсатор нагрузка — динамик с сопротивлением катушки не менее 50 Ом. Вид нагрузки и место ее подключения зависят от того, что мы хотим получить от таймера, т. е. от его времязадающей цепи. Нагрузкой могут быть светодиоды, ИК-диоды, реле (рис. 13.23, б). А в случаях, когда требуется управлять мощной нагрузкой (например, низкоомным динамиком), потребляющей более 100…150 мА, ставят дополнительный каскад с усилителем на полевом или биполярном транзисторе (рис. 13.23, в).


Рис. 13.23. Схема генератора импульсов (а) и разные варианты подключения нагрузки (б, в)
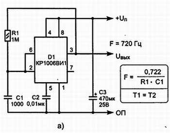
Частота выходных импульсов определяется по формуле, приведенной на рис. 13.22 (размерность величин для расчета можно брать из табл. 13.1, так как в калькулятор неудобно вводить единицы в фарадах и омах, к тому же с большим числом разрядов может работать еще и не каждый из них).

Давайте рассмотрим, как работает самый распространенный генератор импульсов (называемый еще мультивибратором). Проще всего изучать работу микросхемы, если собрать типовую схему на печатной плате (рис. 13.24).

Рис. 13.24. Печатная плата и внешний вид монтажа
Расположение элементов на ней специально не очень плотное — это позволяет легко модифицировать схему. Например, установить времязадающий конденсатор большой величины и получить генератор сверхнизкочастотных импульсов (мигалку-маяк для аварийных огней или других целей), а так же производить любые изменения в схеме из тех, что будут указаны далее. Так, если вместо резистора R2 установить перемычку, то мы получим одновибратор. Топология платы также предусматривает установку светодиодного индикатора и усилителя мощности на транзисторе (эти элементы на плате показаны пунктиром). Но обо всем по порядку.
Сначала, пожалуй, следует понять, как работает имеющийся в составе микросхемы RS-триггер, — именно с него сигнал поступает на выход. Вообще-то триггеры чаще можно встретить в цифровой технике — так называется логический элемент, который, в зависимости от управляющего сигнала на входах, может переключать выход, к тому же запоминает и хранит это состояние. На выходе может быть одно из двух устойчивых положений — когда есть напряжение, близкое к питающему (лог. 1), либо же оно около нуля (лог. 0). Импульс на входе S (setup — установка) устанавливает на выходе высокий уровень напряжения, а на входе R (reset — сброс) — низкий. Дополнительный инверсный вход R (вывод 4) является приоритетным, а это значит, что при низком напряжении на нем выход триггера устанавливается в «ноль» независимо от других управляющих сигналов.
Управляют переключением триггера два компаратора. В любой практической схеме, собранной на таймере, работающем в режиме формирования импульсов, имеется времязадающий конденсатор, уровень напряжения на котором и контролируют компараторы (как работают компараторы, вы уже знаете из предыдущего раздела). Заряд конденсатора от источника напряжения идет через один или два добавочных резистора (число резисторов зависит от вида схемы). У компараторов имеется два порога срабатывания 1/3 и 2/3 от Uп (т. е. работа схемы не зависит от уровня питания). Разработчики микросхемы позаботились для нас, чтобы чувствительность формируемого интервала времени к изменению питающего напряжения была довольно низкой (обычно не более 0,1 % на вольт). Это значит, что применять стабилизацию питания необходимо только в исключительных случаях:
В генераторе, схема которого показана на рис. 13.22 (13.23), напряжение на конденсаторе как раз и меняется в интервале от 2/3 до 1/3 от Uп, так как в эти моменты срабатывают соответствующие компараторы и происходит переключение режимов заряд/разряд конденсатора. Из схемы видно, что заряд С1 проходит через два резистора R1 + R2, а разряд через более короткую цепь — всего один — R2 (за счет включения транзистора V14). Естественно, в этом случае и длительность у выходных импульсов будет несимметричной.
На рис. 13.25 показаны различные модификации генераторов, обладающие особыми свойствами, например позволяющие получить симметричные импульсы (когда Т1 = Т2, их называют меандром) или импульсы с регулируемой скважностью в широких пределах при неизменной частоте (например, если лампа аварийных огней будет светиться короткими вспышками, это значительно уменьшит потребление энергии).


Рис. 13.25. Варианты генераторов импульсов:
а — меандра; б — с регулируемой скважностью при неизменной частоте
В этих схемах не используется вывод 7, а разряд конденсатора (так же, как и заряд) проходит через выход микросхемы. Такой генератор может быть не только тактовым (задающим частоту) для работы простейшей цифровой схемы или преобразователя, но и применяться для звукового оповещения (создания сигнала тревоги).
Для генераторов, собранных на классических микросхемах из серии 555, максимальная частота импульсов обычно не превышает 200…500 кГц, но современные аналоги, например из серии 7555, позволяют работать с частотой 1,1 МГц, a TLC555 — 2,1 МГц. При этом надо учитывать, что все микросхемы могут работать и на более высоких частотах, чем это рекомендовано производителями, если для вас не нужны гарантии по стабильности частоты и не важно, какие будут завалы фронтов у выходных импульсов (они станут больше похожи на искаженный синус).
Схемы на таймерах можно легко включать каскадно, т. е. друг за другом, когда первая микросхема управляет второй. Это позволяет получать прерывистое, двухтональное или плавно меняющееся звучание. Например, в схеме на рис. 13.26, если частота у генератора D1 значительно более низкая, чем у D2, то в динамике получится двухтональный сигнал.

Рис. 13.26. Каскадное включение микросхем для получения многофункционального генератора
Имеющийся в схеме включатель SA1 позволяет превращать сигнал из двухтонального в прерывистый — генератор D1 периодически отключает работу D2 (путем подачи через контакты SA1 на вход D2/4 уровня логического нуля). Замечено, что прерывистый звуковой сигнал сильнее привлекает внимание и менее утомителен для слуха. Причем частоту повторения сигналов можно регулировать в широком диапазоне. Приведенная схема предусматривает электронное управление включением, т. е. электрическим сигналом (нулем) можно полностью отключить выходную микросхему. В схеме эту задачу выполняет включатель SA2. Если ввести еще один включатель SA3, то с его помощью генератор можно сделать однотональным, так как при этом отключается генератор на микросхеме D1.