Путеводитель в мир электроники. Книга 2 - Страница 38
Катушку L1 придется изготовить самостоятельно. Она бескаркасная и наматывается на оправке диаметром 5 мм обмоточным проводом (ПЭВ- ПЭЛ) диаметром 0,7…1,0 мм — всего 7 витков. В качестве временного каркаса для намотки можно взять стержень от гелевой авторучки — он как раз имеет нужный диаметр.
Убедиться в работе автогенератора можно по любому индикатору поля, расположенному рядом с антенной. Настройка схемы проводится по радиоприемнику и заключается в выборе рабочей частоты передатчика на незанятом участке УКВ диапазона, после чего устанавливаем уровень модулирующего звукового сигнала резистором R1 так, чтобы не было заметно искажений звука в приемнике.
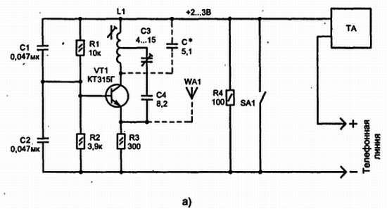
Схема передатчика приведена на рис. 12.16. Это устройство позволяет дистанционно прослушивать телефонные разговоры, которые ведутся на вашем телефонном аппарате. В нем роль антенны выполняют провода телефонной линии. Без применения внешней антенны WA1 радиус действия с большинством бытовых радиоприемников, имеющих УКВ диапазон, — до 50 м. Для увеличения дальности, кроме применения антенны (подойдет отрезок любого многожильного провода длиной 30…40 см), необходимо использовать приемник с высокой чувствительностью.


Рис. 12.16. Схема УКВ ЧМ передатчика (а) и печатная плата для его сборки (б)
В передатчике выполняется частотная модуляция, и он рассчитан на работу в диапазоне частот 63…80 МГц. Этот диапазон выделен для музыкальных радиостанций, но даже в крупных городах на краях его есть участки еще не занятые. Чтобы радиовещательные станции не мешали прослушиванию разговора, наш передатчик настраивается на любые свободные частоты.
Схема включается в разрыв телефонной линии между телефонным аппаратом, как это показано (обязательно с учетом полярности). Она питается от линии только во время разговора, когда поднята телефонная трубка и в цепи через резистор R4 протекает ток.
Частотная модуляция в передатчике получается за счет изменения внутренней емкости транзистора. Это происходит при колебаниях напряжения питания схемы за счет протекания тока в линии ТА при разговоре.
При сборке использованы следующие детали: конденсаторы С1 и С2 могут иметь номиналы 0,022…0,068 мкФ, подстроечный конденсатор С3 типа КПКМ, а остальные резисторы и конденсаторы могут быть малогабаритными любого типа. Катушка L1 наматывается на каркас диаметром 5 мм проводом ПЭВ 0,23 мм и содержит 5 + 5 витков. Транзистор КТ315Г можно заменить на КТ3102А, а использовать другие транзисторы не рекомендуется, так как при этом сильно возрастает уровень гармоник, которые могут создавать помехи в других диапазонах. При указанных на схеме деталях уровень второй гармоники передатчика меньше на 40…45 дБ относительно основной частоты.
Схема передатчика была собрана на односторонней печатной плате (без отверстий) размером 20 х 40 мм, к контактным площадкам которой припаиваются элементы (рис. 12.16, б). Для увеличения плотности монтажа некоторые элементы располагаются друг над другом, например, транзистор VT1 находится под конденсатором С3. Размеры платы позволяют разместить ее в корпусе стандартного телефонного гнезда.
Перед настройкой передатчика необходимо подключить его к телефонной линии и при снятой трубке замерить напряжение на резисторе R4 — оно должно быть в диапазоне от 2 до 3,5 В. Если напряжение окажется больше, то следует уменьшить сопротивление этого резистора.
Настройка схемы заключается в перестройке автогенератора сердечником катушки L1 (сердечник может быть из высокочастотного феррита 100HH) на нужную частоту УКВ диапазона, а после этого конденсатором С3 надо подстроить передатчик, контролируя прием по качеству звука на слух. Настройку на нужную частоту, если нет высокочастотного ферритового сердечника, можно выполнить и подбором емкости контура, показанного на схеме пунктиром, или раздвигая витки катушки, но это менее удобно.
Радиомикрофонами называют все устройства, способные передавать звуковую информацию по радиоканалу. Два варианта схем для превращения микрофона в радиомикрофон показаны на рис. 12.17. Они могут питаться от любых батареек с общим напряжением 3 В. Напряжение питания можно увеличить до 6…9 В, но в этом случае резистор в цепи базы транзистора потребуется увеличить до 15 кОм, а резистор в цепи эмиттера — до 820… 1000 Ом. Антенной может служить отрезок любого гибкого (многожильного) провода длиной 20…30 см. Для того чтобы параметры антенны меньше влияли на работу автогенератора, связь ее с колебательным контуром сделана индуктивной.


Рис. 12.17. Варианты выполнения радиомикрофона на одном транзисторе для разных типов электретных микрофонов
Катушка L2 наматывается над L1 — все данные для намотки приведены на рис. 12.18.


Рис. 12.18. Унифицированная конструкция каркаса и намотка катушек L1—L2 (а), их намоточные данные (б) и внешний вид
Для изготовления катушек удобно использовать унифицированный каркас из термостойкой пластмассы диаметром 5 мм, показанный на рисунке, но в крайнем случае подойдет любая оправка из диэлектрика с таким же диаметром (например, стержень от гелиевой авторучки).
Кроме указанных на схеме электретных микрофонов, скорее всего подойдут и другие типы, например аналогичные импортные (см. главу 7). Все постоянные конденсаторы — малогабаритные керамические (К 10–17, К10-23 и т. п.), подстроечный конденсатор — типа КТ4-23 (или КТ4-256).
Для монтажа элементов можно воспользоваться контактной колодкой с лепестками или универсальной макетной платой, вырезав ее под имеющийся подходящий корпус.
Чтобы получить приемлемые параметры, за простоту схемы в радиотехнике довольно часто приходится платить сложностью настройки. Это и неудивительно, ведь работа всей схемы зависит от конкретного транзистора, который может иметь существенный разброс по коэффициенту усиления и другим паспортным характеристикам. Но, в конечном итоге, повозившись некоторое время и поэкспериментировав с номиналами элементов, эту схему можно заставить хорошо работать и с другими высокочастотными транзисторами, кроме тех, что указаны на рисунках. Ведь перед вами классический вариант автогенератора, собранного по схеме так называемой «емкостной трехточки». Транзистор VT1 включен как усилитель с общей базой — по высокой частоте конденсатор в цепи базы «закорачивает» ее на общий провод. Это позволяет такому каскаду работать вплоть до частот, близких к граничной частоте транзистора (у транзисторов из серии КТ368 граничная частота составляет не менее 900 МГц). Обратная связь осуществляется конденсатором, установленным между коллектором и эмиттером.
Несколько слов о настройке. Рабочая частота передатчика зависит от параметров контура в цепи коллектора VT1. Она настраивается подстроечным конденсатором на свободный от радиовещательных станций участок УКВ ЧМ диапазона (88… 108 МГц).