Путеводитель в мир электроники. Книга 2 - Страница 20

Рис. 11.3. Конструкция катушки L1:
а — для приемника СВ диапазона; б — для приема ДВ диапазона
После сборки приемника, например на кусочке картона (рис. 11.4), можно подключить антенну, заземление и капсюль от головных телефонов (капсюль обязательно нужен высокоомный, с сопротивлением обмотки порядка 1–2 кОм, например типа ТОН-1, ТОН-2, ТГ-1, ТА-4).

Рис. 11.4. Монтаж детекторного приемника
Теперь внимание; вокруг должно быть тихо! Прижмите капсюль к уху и прислушайтесь. Если в вашей местности вещает хотя бы одна радиостанция ДВ или СВ, ее звуки должны прослушиваться. Громкость звучания не будет большой, но и человеческую речь, и музыку различить удастся. Перемещением ферритового сердечника нужно «поймать» максимальную громкость станции. Что мы делаем? Мы меняем резонансную частоту контура с помощью изменения индуктивности катушки L1. Конденсатор С1 ослабляет влияние антенны на колебательный контур. В другом варианте ферритовый сердечник можно оставить на месте, но тогда конденсатор С2 должен стать переменным, как показано на рис. 11.2.
Уникальная особенность детекторного приемника заключается в сохранении его свойств в течение многих лет. Включив свой первый приемник лет через 20 или 30, вы все равно застанете его в работоспособном состоянии. Сломаться в нем нечему! Но, как мы уже говорили, детекторный приемник обладает низкой селективностью, то есть очень плохо выделяет полезный сигнал на фоне мешающих. Чтобы понять, почему у этого приемника столь низкий показатель селективности, обратим внимание на рис. 11.5.

Рис. 11.5. Спектры, излучаемые радиостанциями, и кривые селективности
Оказывается, любая радиостанция, излучая сигнал в эфир, занимает определенную полосу частот, или, другими словами, спектр частот. Для принятия сигнала без искажений необходимо, чтобы приемник пропускал все частоты спектра, излучаемого полезной радиостанцией, и задерживал частоты спектров мешающих станций. На приведенном рисунке пунктирной линией показана кривая селективности хорошего приемника и селективная кривая приемника детекторного (штрихпунктирная линия), представляющая собой знакомую нам частотную характеристику одиночного колебательного контура. Скаты селективной кривой пересекают спектры мешающих радиостанций, и из-за низкой избирательности одиночного колебательного контура в телефоне детекторного приемника могут прослушиваться звуки нескольких станций одновременно.
Вообще, если быть совсем строгими, селективность детекторного приемника определяется еще и потерями, вносимыми в колебательный контур детектором. Детектор имеет низкое входное сопротивление, поэтому он понижает добротность контура. Чтобы немного повысить селективность, детектор иногда включают в контур не полностью, а делают отвод в процессе намотки катушки и уже к нему подводят вход этого устройства.
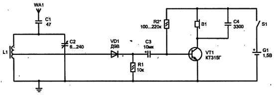
Довольно забавный вариант приемника, являющегося переходным вариантом между детекторными и приемниками прямого усиления, с простейшим усилителем, придуманного Ю. Георгиевым, можно испытать на своем садовом участке. Схема приемника приведена на рис. 11.6.

Рис. 11.6. Приемник для дачного участка
В качестве VT1 подойдет любой германиевый р-n-р транзистор. Еще нужно запастись медной трубкой длиной около полуметра и алюминиевым листом размером примерно с тетрадный лист. Электроды этого гальванического элемента надо закопать во влажный грунт на расстоянии 0,3…0,5 м, на глубине 1 м. Алюминиевый лист нужно предварительно завернуть в синтетическую (например, капроновую) сетку. Намоточные данные катушки L1 — такие же, как и в предыдущем случае.
Несмотря на свою простоту, исключающую какие бы то ни было значительные улучшения качества радиоприема, детекторные приемники все еще увлекают некоторых радиолюбителей. Например, известный радиолюбитель-популяризатор В. Т. Поляков посвятил детекторным радиоприемникам даже отдельную книгу [6], в которой привел разнообразные схемы, отличающиеся повышенной селективностью, повышенной громкостью приема. Желающие смогут эту книгу найти и прочитать. А мы закончим разговор о детекторных приемниках и перейдем к более совершенным практическим конструкциям.
Приемник прямого усиления
Превратить детекторный приемник в приемник прямого усиления очень просто — достаточно отключить от него телефон и подать продетектированный сигнал на простейший усилитель низкой частоты (УНЧ), например, изготовленный на одном транзисторе. Громкость сигнала повысится, правда, для этого придется ввести еще источник питания. Селективность такого приемника не станет лучше, но ее можно повысить, во-первых, введя отвод в колебательном контуре, и, во-вторых, включить между детектором и контуром буферный каскад на транзисторе, называемый усилителем радиочастоты (УРЧ). Идеальным вариантом может считаться полевой транзистор, у которого имеется высокое входное сопротивление, и он не будет шунтировать контур, вносить в него дополнительные потери. Однако часто обходились и биполярным транзистором с гораздо более низким входным сопротивлением, частично включая УРЧ в контур или используя катушку связи (что, в принципе, является вариантом неполного включения). По крайней мере, практически все простые транзисторные приемники прямого усиления, серийно выпускавшиеся 50—60-х гг. прошлого века, были построены только на биполярных транзисторах.
Изготовим вначале простейший приемник прямого усиления на основе детекторного приемника. Вообще, если вы не намереваетесь сохранить «для истории» свой детекторный приемник, его можно полностью разобрать и использовать детали вновь. Можно вообще детекторный приемник не разбирать, дополнив его несколькими элементами, расположенными на свободном месте. Но лучше собрать новый приемник из отдельного комплекта деталей, на специальной печатной плате — так интереснее.
Чтобы характеризовать каскады радиоприемников прямого усиления, как-то отличать схемы друг от друга, еще на заре радиотехники было придумано следующее трехбуквенное обозначение. Например, если в описании какого-либо приемника встретится «1-V-1», это означает, что один каскад на транзисторе (электронной лампе) используется в качестве УРЧ, а второй — в качестве УНЧ. Буква «V» — условное обозначение детектора. Приводимые далее две схемы приемников построены по принципу 0-V-1, то есть не имеют каскада УРЧ, а каскад УНЧ — единственный.
Итак, схема приемника прямого усиления на основе детекторного приемника приведена на рис. 11.7, печатная плата — на рис. 11.8, а сборочный чертеж — на рис. 11.9.

Рис. 11.7. Приемник прямого усиления на основе детекторного приемника

Рис. 11.8. Печатная плата

Рис. 11.9. Сборочный чертеж