Путеводитель в мир электроники. Книга 2 - Страница 18
Итак, мы рассмотрели свободные колебания, то есть такие, которые, возникнув, не поддерживаются более никакими способами. Существует также особый класс, называемый вынужденными колебаниями. Вынужденные колебания могут существовать даже в контуре с потерями бесконечно долго — важно лишь, чтобы их постоянно поддерживал внешний — вынуждающий — источник. Вынужденные колебания напрямую связаны с таким интересным явлением, как резонанс.
Явление механического резонанса знакомо многим. Если вы живете вблизи оживленной автомагистрали, то при прохождении мимо дома тяжеловесных автопоездов стекла в окнах вашей квартиры начинают звенеть. Причем звон усиливается с приближением автопоезда и ослабляется с его удалением. Легковые автомобили, как правило, не вызывают звона, отсутствует он и тогда, когда на дороге нет автомобилей. Почему? Оконное стекло, особенно плохо закрепленное в раме, является колебательной системой, то есть «звенит» на собственной частоте при ударе. Автомобильный двигатель, вращаясь на определенной частоте, создает колебания. При совпадении частоты колебаний двигателя и собственной частоты оконного стекла последнее начинает вибрировать под действием вынуждающих колебаний. Амплитуда этих вынужденных колебаний тем больше, чем больше амплитуда вынуждающего колебания и чем выше добротность.
Точно так же возникают и вынужденные электрические колебания в колебательном контуре. Чтобы в полной мере ощутить природу этих колебаний, соберем схему, показанную на рис. 10.38.

Рис. 10.38. Исследование вынужденных колебаний в LC-контуре
Генератор G создает синусоидальный сигнал, который можно перестраивать по частоте. Он соединен с контуром LC не непосредственно, а через катушку связи Lcв, намотанную поверх основной катушки. В контур включены амперметр РА1 и вольтметр PV2, по которым мы будем наблюдать за током в катушке индуктивности и за напряжением на конденсаторе. При перестройке частоты генератора от низкого к высокому значению в какой-то момент мы увидим увеличение тока через индуктивность и возрастание напряжения на конденсаторе. Далее, перестраиваясь по частоте, мы можем найти максимум показаний приборов РА1 и PV2, и затем показания начнут падать.
На какой частоте мы получили максимум? На резонансной! Резонансная частота контура при действии вынуждающих колебаний (рис. 10.39) совпадает с частотой свободных колебаний в нем и определяется по формуле Томсона.

Рис. 10.39. Резонанс в колебательном контуре — результат вынужденных колебаний
Как мы уже говорили, добротность контура влияет на характер свободных колебаний. Оказывает она влияние и на вынужденные колебания (рис. 10.40).

Рис. 10.40. Амплитуда электрических колебаний при резонансе в зависимости от величины добротности (Q) контура
Чем выше добротность контура, тем большую амплитуду колебательного процесса мы сможем получить. Представьте, что в высокодобротных системах можно достигнуть увеличения электрических величин в сотни раз!
Теперь нам понятно, как обеспечивается селективность приемника? Колебательный контур, входящий в его состав, настраивается в резонанс с электромагнитной волной определенной частоты, а все побочные частоты, лежащие вне резонанса, контуром отсекаются.
В практических схемах используются два вида колебательных контуров: последовательные и параллельные. Вид контура определяется в зависимости от того, как соединен генератор вынуждающих колебаний с катушкой индуктивности и конденсатором.
Последовательный колебательный контур представлен на рис. 10.41.

Рис. 10.41. Последовательный колебательный контур
Во время резонанса общее сопротивление цепи равно Rпот — сопротивлению потерь контура. Реактивное сопротивление катушки индуктивности равно по величине и противоположно по знаку реактивному сопротивлению конденсатора, в результате чего они взаимоисключаются. Напряжение на конденсаторе в Q раз (значение добротности) больше напряжения генератора G. Ток, протекающий по цепи, максимален и равен:

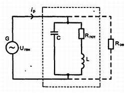
Параллельный колебательный контур представлен на рис. 10.42.

Рис. 10.42. Параллельный колебательный контур
При резонансе общее сопротивление контура определяется из выражения:

Это сопротивление называют резонансным сопротивлением параллельного колебательного контура. Оно представляет собой большую величину, так что ток во внешней цепи при резонансе мал и равен:

А ток внутри колебательного контура в Q раз больше тока во внешней цепи.
Резонансная частота последовательного и параллельного колебательных контуров вычисляется по формуле Томсона.
* * *
Вот мы и подошли вплотную к практической главе, рассказывающей о создании несложных радиоприемников. Но, прежде чем перейти к увлекательному занятию конструирования, расскажем о человеке, который очень много сделал для. современного радиовещания. На основании его идей создается современная аппаратура, осуществляется высококачественное УКВ-ЧМ-вещание.
Эдвин Говард Армстронг (1890–1954) — американский изобретатель и инженер-электрик. Он сделал такие известные технические открытия и изобретения, как обратная связь, регенеративный радиоприемник, супергетеродинный радиоприемник, ввел в обиход частотную модуляцию (ЧМ).

Рис. 10.43. Пропуск в компанию Western Electric, выданный Э. Армстронгу перед Первой мировой войной
Удивительно, но сам — изобретатель трехэлектродной лампы Ли де Форест не смог досконально разобраться в принципах ее работы, а вот 22-летний Армстронг в 1912 г. не только разобрался с аудионом, но снял сигнал с выхода лампы и подал обратно на ее вход, что позволило значительно улучшить параметры существовавших тогда радиоприемников. Этот способ, названный регенеративным, сегодня используется широко не только в области радиотехники, но еще и в других областях электроники. Правда, название он получил другое — положительная обратная связь.
В 1919 г. Армстронг изобрел супергетеродинный приемник (о нем мы поговорим в следующей главе). Талантливый теоретик и большой умелец, Армстронг собственноручно изготовил один из первых «супергетеродинов» и подарил его своей невесте. Этот приемник развлекал молодоженов во время их свадебного путешествия. Ученый в свадебной поездке не только отдыхал, но и всесторонне проверял работу своего изобретения.
В начале 1930-х гг. Армстронга увлекает идея радиовещания с помощью частотной модуляции. Он пытается теоретически доказать преимущества высококачественного. ЧМ вещания, но владельцы мощных коммерческих AM радиостанций не принимают его идеи, чувствуя источник конкуренции. И тогда Армстронгу ничего не остается делать, как экспериментально доказать преимущества ЧМ. Все работы по созданию экспериментальной аппаратуры ЧМ Армстронг финансирует из личных средств.