Путешествия к Луне - Страница 63
ЦУП: «…Стало быть, сели, „Орел"?»
Т'+11:57 (102:47:07):
Армстронг: «…Хьюстон, здесь База Спокойствия. „Орел" сел».
ЦУП: «…Ну, мы снова дышим…» И позже: «…„Колумбия", он сел! „Орел" на Базе!»
«Колумбия»: «…Да, я все слышал, База… Вы действительно проделали фантастическую работу».
Армстронг: «…Спасибо, жди нас на орбите».
Просматривая сотни раз: в замедленном и ускоренном темпе, поступательным и обратным ходом — видеозапись последних секунд посадки, сверяя ее с фотопланом места прилунения, удивляешься хладнокровию и мастерству командира Армстронга. Нил поставил LM точно в центр сравнительно чистого участка, на почти одинаковом удалении от всех окружающих площадку неровностей — кратеров, вмятин, камней, с вертикальным креном всего 4,5°.
После посадки экипаж LM находится в режимах ожидания (Т1 + Т2): оставаться или аварийно стартовать с Луны?
Т1≈4 минуты — не разгерметизировать скафандры.
Т2 — время полного оборота CSM вокруг Луны, перчатки и шлемы уже можно снять.
После предстартовых аварийных операций астронавты показали землянам через окна лунную панораму и красочно описали детали пейзажа на месте посадки.

Рис. 6.34. «Гагаринская» улыбка Нила Армстронга: «Ну вот мы и на Луне!»
103:39:41. Еще до окончания Т2 «Орел» и ЦУП сверили время миссии: LM был в норме, они оставались! С Земли на борт полетел шквал поздравлений.
США, 20 июля, время в Хьюстоне 15.17. Все в ЦУПе, да и во всех Штатах просто «сошли с ума», даже слегка «позабыли» про экипаж и почти отмахивались от их восторженного описания вида за окном. Лес заранее приготовленных маленьких флажков США гулял по главному залу ЦУПа, дымили гигантского размера сигары… А что творилось на улицах города, да и всей страны!..
СССР, 20 июля, 24.00. В последних теленовостях диктор зачитал сообщение (цитирую по памяти): «Сегодня в 23 часа 17 минут и 43 секунды по московскому времени лунная кабина американского космического корабля „Аполлон-11“ совершила успешную посадку на поверхность Луны в районе Моря Спокойствия с координатами… Командир экспедиции Нил Армстронг доложил Центру управления: „Алло, Хьюстон, говорит База „Спокойствие". „Орел" на Луне"»…
У нас не было ощущения поражения в какой‑то «гонке», да мы и не знали про нее, но было странное «подвешенное» состояние души: а мы—тο, «первые — первые», — и что? История советской лунной пилотируемой программы — это отдельная и во многом еще темная комбинация трагических ошибок и заблуждений. Но наш рассказ не об этом.
На Луне утро, ослепительное Солнце невысоко (14°) над восточным горизонтом, голубая Земля высоко (60°) в черном небе. По плану перед выходом на поверхность астронавты должны были хорошо отдохнуть и даже 5 часов поспать. Но так как по пути к Луне «план по отдыху» экипаж перевыполнил, доктор Бэрри (главный врач программы) удовлетворил просьбу лунных пилотов отменить сон и приступить к EVA.
108:02. Дооснащение уже надетых на астронавтов скафандров снаряжением для EVA идет снизу вверх: лунные ботинки (slippers), ранцевые системы (PC) жизнеобеспечения, шлемы — колпаки и специальные лунные перчатки из тканого стального материала с резиновыми «наперстками» на каждом пальце. Затем скафандры герметизируются, и включаются индивидуальные СЖО.

Рис. 6.35. Тот самый «маленький шаг» (телепередача).
108:21. Астронавты проверяют готовность водяного охлаждения скафандра к включению (охлаждение начинает полноценно функционировать только в полном вакууме, после разгерметизации кабины).
Армстронг: «Моя антенна скребет о крышу. Мы приступаем к разгерметизации кабины». Давление во взлетной ступени начинает падать.
108:22. Олдрин в шутку замечает, что они выйдут на свидание с Селеной небритыми.
108:42. Астронавты завершают проверку всех систем LM и «зачищают» модуль: все ненужные свободные предметы запихивают в пристенные ящички в «коридоре» LM.
108:53. Проверяют аварийные СЖО и приступают к открытию выходного люка.
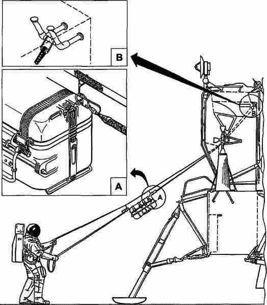
109:07:05. Люк открыт. Нил продвинулся к выходу. Базз подготовил сумку с фотокамерой, тефлоновыми пакетами — контейнерами для образцов и маленький «сачок» с ручкой. Сумка подвешивается карабинами к спускаемому за борт «лунному конвейеру оборудования» (Lunar Equipment Conveyor, LEC), который сами астронавты называют «бельевой веревкой». Это длинная петля из ремня, пропущенного через ролик в кабине. Астронавт натягивает ее после выхода из LM и, перебирая руками, создает «конвейерную ленту», с помощью которой можно (теоретически) втягивать груз в LM или спускать его вниз.
109:15. Нил на четвереньках, ноги уже снаружи, а голова и плечи еще в LM. Базз подает ему сумку, Нил кладет ее на площадку за люком снаружи.
109:19. Нил на наружной площадке у люка.
109:20. Тянет за кольцо замка, открывающего наружный отсек хранения модульного оборудования (MESA); отсек откидывается — раскрывается, включается находящаяся в нем черно — белая телекамера, начинается трансляция выхода астронавтов на Луну (первые 30 секунд — вверх ногами).

Рис. 6.36. Lunar Equipment Conveyor (LEC) — это капроновый ремень, натягиваемый астронавтами из кабины к поверхности. К нему карабинами подвешивается груз и перемещается в нужном направлении (альпинисты с помощью подобного устройства переправляют себя и грузы через ущелья).
С момента открытия выходного люка до первого шага по Луне пройдет около получаса. Жена Армстронга будет впоследствии подшучивать над мужем: «Он тянул время, так как не придумал еще, что же он скажет, ступив на Луну».
На площадке Армстронг осматривается — первая ступенька трапа кажется ему «несколько разрушенной, но пригодной для использования». От нижней ступеньки до грунта 76 см; планировалось, что LM прилунится с некоторой вертикальной скоростью, и посадочные стойки укоротятся от удара, но Армстронг выполнил абсолютно мягкую посадку. Поэтому, спустившись до конца трапа, дальше он должен был спрыгивать на тарельчатую опору передней стойки. Выбирался он из люка по площадке к трапу около 10 минут; по трапу он двигался как кошка, которая с сухого крыльца спускается на мокрую траву.
109:21. «Я стою на трапе. Потребуется небольшой прыжок… Я собираюсь спуститься…» Следующие 4 минуты удивительно напоминают первые шаги ребенка, впервые вставшего на ноги. Посудите сами…
На последней ступеньке раздумывал 1 минуту 9 секунд, затем крайне осторожно, «на руках» (держась за вертикальные планки трапа), скользя бедрами по последней перекладине, 10 секунд спускал тело вниз (словно с дерева слезал, обнимая ствол) и поставил ноги на тарельчатую опору стойки. Замирает на 5 секунд и, отталкиваясь ногами от тарельчатой опоры вверх, испытывает возможность возвращения назад. Но прыжок был явно слабым, и астронавт, дотягивая себя руками, только с трех дожимов (9 секунд) с трудом попал ступнями на нижнюю планку трапа. Еще 9 секунд переводит дыхание и уже смело спрыгивает с легким горизонтальным толчком от трапа руками, не отпуская вертикальные планки трапа, а скользя по ним кистями рук. Через 1,5 секунды плавный (слабая гравитация!) соскок уже уверенно заканчивается все на той же тарельчатой опоре стойки LM.
Около минуты он еще держится за трап, затем отрывает левую руку и поворачивается лицом к телекамере. Чуть больше минуты смотрит на почву у тарельчатой опоры и первый раз касается ее носком ботинка. Еще через 1,5 минуты первый раз наступает на лунный грунт одной ногой, затем возвращает ногу на опору. Делает это еще и еще, все с большим нажимом в течение 1 минуты 12 секунд. Пятисекундная пауза, и Нил сходит с опоры на грунт обеими ногами. Но почти сразу же хватается руками за горизонтальную распорку стойки и еще 15 секунд припрыгивает, как бы утаптывая почву под собой. Наконец отрывается от «маминой ручки» и начинает двигаться по Луне «на своих двоих».