Практичные самоделки для дачи своими руками - Страница 5
Конструкция состоит из 4 дисков сферической формы; их попарно приваривают к трубам, установленным на ось. Концы труб фиксируют с помощью шплинтов. В центре большой скобы просверливают отверстие и пропускают через него трубу (диаметром 30 мм). В верху трубы крепят ручки.

Дисковый культиватор. 1 – сферические диски, 2 – ось, 3 – трубы, 4 – корпус, 5 и 6 – центральные трубы ручки, 7 – рукоятка, 8 – винт.
К центральной перекладине малой скобы приваривают трубу (диаметром 24 мм и длиной 200 – 250 мм). В верхний ее конец запрессовывают стержень диаметром 16 мм. Трубу меньшего диаметра вставляют в конец большей. Для дисков берут плоские стальные заготовки (диаметром 200 – 220 мм и толщиной 4 мм), их молотком со сферическим бойком расклепывают короткими, но сильными ударами. Начинают от центра и далее перемещаются по спирали. При этом металл растягивается, заготовка приобретает сферическую форму (глубиной 30 мм).
При работе конструкция культиватора позволяет менять угол наклона дисков. Для этого надо переместить гайки на ручке.
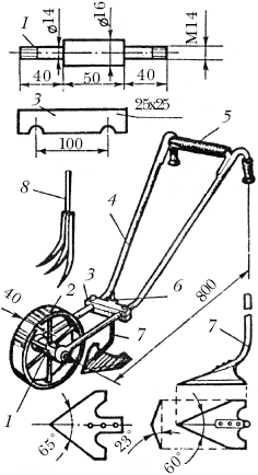
Культиватор
Конструкция культиватора состоит из колеса, оси и 2 трубчатых ручек с распорками, на которые устанавливают сменную насадку. Кронштейны к трубчатой раме крепят болтами. К нижним концам ручек приваривают втулку. Ручки изготавливают из стальной скобы диаметром 22 – 30 мм. Колесо берут диаметром 260 – 300 мм (с ободом шириной 40 и толщиной 4 мм).

Культиватор. 1 – ось, 2 – колесо, 3, 5, 6 – распорки, 4 – ручка, 7 – лапа, 8 – рыхлитель.
Кронштейн для крепления сменных насадок изготавливают из бруска стали (25×25 мм). К одному из них приваривают втулку (тоже стальную) с фиксирующим болтом.
Сменные насадки – лапы и 3-зубовый рыхлитель – используются в зависимости от ширины междурядья и вида работ.
Простой ручной культиватор
Предназначен для пропалывания и рыхления земли. Инструмент перемещают как вперед – от себя, так и в обратном направлении. Обращаем внимание огородника, что и ножи, и скрепляющую их планку делают из пластин нержавеющей стали (размером 150×30 мм). Лезвия ножей затачивают с обеих сторон до нижнего изгиба. К планке приваривают держатель для черенка.

Вилка-рыхлитель
Рабочую часть этого компактного приспособления делают из стали толщиной 2 – 2,5 мм.

Зубья затем загибают вниз под углом примерно 100° и затачивают.
Рыхлитель-окучник
Режущая пластина приварена к вилке-держателю под углом почти 90°, что позволяет одновременно глубоко рыхлить почву и окучивать растение.

Очень практичное устройство! Особенно полезно при обработке всходов картофеля.
Лом-рыхлитель
Устройство представляет собой лом. Один его конец заострен и согнут под углом примерно 30°, а другой расплющен в виде лопаточки. К ее основанию, поперек, приваривают небольшой стальной пруток. Получается своеобразная подножка. Чтобы облегчить процесс заглубления рыхлителя в твердую почву, на нее нажимают ногой. Приспособление призвано не только облегчить рыхление слежавшейся почвы, но и подрезания корней сорных растений.

Вилы-перевертыши (Н. Нечаев)
Умелец взял самые обычные садовые вилы и, перпендикулярно черенку, прибил древко (диаметром 30 и длиной 300 мм). Небольшой, но важный нюанс: древко изобретатель расположил не в одной плоскости с зубьями, а под углом к ним в 45°.
После того как модернизированные вилы вогнали в почву, сгибаться чтобы вытащить их, не надо: следует лишь повернуть ручку на себя – и пласт земли рассыплется на мелкие комочки.
Телескопический рыхлитель (Н. Нечаев)
Позволяет рыхлить почву и вырывать сорняки, стоя в полный рост, а не сгибаясь в три погибели. Изобретатель купил в магазине 5-зубцовую вилку. На рукоятку он насадил отрезок металлической трубки (длиной 130 и внутренним диаметром 25 мм). Оставшийся свободным второй конец насадил на черенок (подобранный по своему росту). К обрезку черенка он прибил поперечину (длиной 130 мм).
«Трезубец Посейдона»
Разумеется, рыхлить почву можно и самыми обычными вилами, но сельхозработы, после некоторой доводки инструмента будут отнимать меньше сил и времени. Рационализатор выпрямил у стандартных вил зубья, сделал их короче на 60 – 80 мм, а концы заострил напильником.
Проволочный ерш-рыхлитель
Стержни для подобного приспособления делают из стального проката (диаметром 8 и длиной 350 мм). Нижний конец заостряют. Из проволоки диаметром 5 мм делают 4 зуба. Все концы сгибают под углом 90° влево-вниз и тоже заостряют. Зубья приваривают к стержню на расстоянии 10 мм и разворотом на 45° относительно друг друга.

Проволочный ерш-рыхлитель. 1 – стержень, 2 – зубья.
Рыхлитель пропеллерного типа
Собирают эту конструкцию на стальном пруте (длиной 350 и диаметром 8 мм). Рабочим органом являются 2 лопасти, которые изготавливают из листа стали (толщиной 2 мм и шириной 20 и длиной 60 мм).

Рыхлитель пропеллерного типа. 1 – стержень, 2 – лопасти.
Тыльную кромку скашивают, а сами лопасти разворачивают на 120°.
Пластинчатый плуг-рыхлитель
Основой конструкции является стальной стержень толщиной 3 мм, к концу которого приваривают двухперовое сверло. Оно выглядит как равнобедренный треугольник (с основанием 10 и высотой 50 мм). К стальному прутку (длиной 300 и диаметром 10 мм) приваривают 2 изогнутых ножа. Для их изготовления берут листовую сталь (толщиной, шириной 25 и длиной 150 мм). Кромки ножей затачивают напильником. Насадку вставляют в патрон электродрели (с частотой вращения до 200 об/мин) и хорошенько затягивают. Устройство обрабатывает землю на глубину 150 – 200 мм.

Пластинчатый плуг-рыхлитель. 1 – стержень, 2 – изогнутый нож, 3 – двухперовое сверло, 4 – прямой нож.
Тяпки
Модель «сад-огород» (К. Шмерего)
Из полотна сломанной пилы изобретатель вырубил рабочую часть тяпки. После этого приварил к ней рукоятку, сделанную из дюймовой трубы (длиной 120 – 150 мм) и слегка согнутой. В нее вставил деревянный черенок (длина колеблется от 1,3 до 1,5 м). Затем рационализатор сделал 3 варианта рыхлителя (лезвия представляют собой равнобедренный треугольник).
Моделью с малым лезвием (ширина пластинки 70 – 80, длина – 65 мм) удобно рыхлить почву и выпалывать сорняки в междурядьях, а кроме того, обрабатывать малинники и землянику. Малое лезвие можно использовать и для работы в парниках. Модель со средним лезвием (ширина 150 – 160 и высота – 100 мм) предназначена для ухода за кустами смородины, крыжовника, виноградной лозой, бахчевыми, огурцами и томатами. Модель с большим лезвием (с шириной основания треугольника 250 и длиной 130 – 140 мм) обрабатывают почву в приствольных кругах плодовых деревьев.