Пионер-электротехник - Страница 13

Рис. 40. Конструкция и монтаж табло.
Табло надо повесить в коридорах школы. Причем в коридоре каждого этажа большой школы желательно установить два табло.
Ко всем табло нужно провести одну линию осветительной сети и включить ее через общий рубильник.
Ответственный дежурный школы после звонка на урок включает, а после звонка на перемену выключает табло.
При подготовке к праздникам, в период выборных кампаний юные электротехники могут проделать большую полезную работу: электрифицировать и вывесить лозунги, различные плакаты, схемы и проч.
Попробуйте электрифицировать сначала короткий лозунг, например «Миру мир» или «Добро пожаловать!» Сколотите буквы из дощечек и скрепите их рейками. На буквах разметьте места для крепления патронов. Патроны желательно брать «сидячие», настенные, которые применяются для дежурного освещения. Возьмите лампочки самой малой мощности (15–20 ватт), их напряжение должно соответствовать напряжению сети (120 или 220 вольт). Соедините все патроны между собой параллельно. Присоедините к лозунгу провода с хорошей изоляцией и включите его через предохранительные пробки и двухполюсный рубильник в осветительную сеть, как показано на рисунке 41, а.

Рис 41 Электрификация лозунгов: П — предохранители, Р — рубильник, Щ — щиток.
Предохранители с рубильником смонтируйте в виде щитка на фарфоровом основании, прикрепленном к стене с помощью шурупов и четырех роликов, установленных по углам. При отсутствии фарфорового основания щиток можно смонтировать на деревянной дощечке, пропитанной олифой или парафином.
Все работы по электрификации лозунгов, плакатов и проч. должны производиться обязательно под руководством преподавателя физики или руководителя кружка юных электротехников. Нельзя допускать учащихся 6–7 классов к самостоятельной работе с электрической сетью. Для них будет посильна электрификация с использованием низкого напряжения 6—12 вольт, полученного от понижающего трансформатора.
Для электрификации можно применять низковольтные автомобильные лампочки с напряжением 6—12 вольт. Чтобы включить эти лампочки, надо составить из них смешанные электрические цепи.
Для включения в осветительную сеть напряжением 120 вольт надо взять, например, 20 штук лампочек напряжением 6 вольт и соединить их последовательно в цепь. Такого количества лампочек может оказаться недостаточно для электрификации лозунга. Тогда надо соединить лампочки последовательно в несколько цепей по 20 лампочек в каждой, а затем эти цепи (ветви) следует присоединить к осветительной сети параллельно. Схема подобного соединения показана на рисунке 41, б.
Последовательное соединение лампочек вызывает много неудобств. Если, например, перегорит только одна лампочка в ветви, то все лампочки в этой цепи гаснут.
При электрификации лозунгов низковольтными лампочками значительно удобнее и безопасней пользоваться низким напряжением от понижающего трансформатора, а лампочки соединять между собой параллельно.
Большой восторг вызывают у ребят лозунги с автоматическим включением и выключением как отдельных букв, так и целых слов.
Чтобы сделать такой лозунг, надо иметь специальное устройство с большим числом контактов, к которым присоединяются отдельные лампочки или группа лампочек, освещающих букву или слово. Такое устройство называется контактором. При помощи контактора можно одновременно включать в сеть и выключать много лампочек.
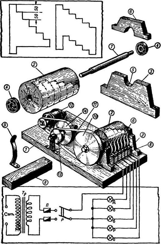
Внешний вид простейшего контактора показан на рисунке 42.

Рис. 42. Самодельный контактор и его детали: Тр — понижающий трансформатор; П — предохранители; Р — рубильник.
Он представляет собой деревянный цилиндрический барабан. На поверхности барабана укреплен один общий контакт специальной формы. Вал барабана устанавливается в стойках изолированно от корпуса и соединяется с валом электродвигателя при помощи ременной или зубчатой передачи с большим замедлением.
К корпусу прикреплена рейка со скользящими контактами, изолированными друг от друга, которые плотно прижимаются к поверхности барабана.
Если присоединить к скользящему контакту один провод от осветительной сети, а другой соединить через лампочку со вторым скользящим контактом, как показано на рисунке, то при вращении барабана лампочка будет включаться в сеть и выключаться через определенные промежутки времени. Так, лампочка, присоединенная к первому контакту, включится в цепь раньше всех других и будет гореть продолжительнее других, а лампочка присоединенная к последнему контакту, включится в сеть последней и будет гореть непродолжительно. Все лампочки выключатся одновременно, когда скользящие контакты сойдут с общего контакта и будут скользить по деревянной поверхности барабана. Чтобы лампочки включались в разное время, на общем контакте предусмотрены выступы на разных расстояниях друг от друга.
Вы можете сами изготовить простейший и надежный контактор. Из сухого дерева выточите барабан диаметром 20–30 сантиметров. Просверлите по центру барабана отверстие и вставьте в него металлическую ось 7. Основание и стойки контактора сделайте из сухой доски. В стойках сделайте гнезда под металлические подшипники. Их можно выточить из латуни или подобрать готовые шариковые подшипники.
Скользящие контакты изготовьте из упругой латуни или контактной бронзы (можно использовать контактные пластинки от старых телефонных реле). Готовые контакты укрепите на деревянной рейке и припаяйте к ним выводы гибкими проводами. Общий контакт изготовьте из тонкой листовой латуни или меди и прикрепите его к барабану. В нем надо сделать такое количество выступов, сколько скользящих контактов укреплено на основании. Число скользящих контактов должно быть равно либо числу букв в слове, либо числу слов в лозунге, которые будут включаться и выключаться в определенном порядке.
После изготовления всех частей контактора приступайте к его сборке.
На основании 1 разметьте по барабану 2 места для крепления стоек 3 и прикрепите стойки к основанию. Установите барабан так, чтобы его подшипники 4 зашли в гнезда 5 на стойках. Закрепите подшипники сверху деревянными накладками 6 с выемками.
Смажьте подшипники тавотом и закройте их с боков металлическими накладками. К основанию прикрепите рейку 8 так, чтобы скользящие контакты 9 плотно прижимались своими выступами к поверхности барабана. Соедините шкив 10 контактора через промежуточные шкивы 13 и 14 и ременную передачу 11 с валом электродвигателя 12, взятого от оконного или настольного вентилятора.
Соедините скользящий контакт, касающийся самого большого кольца с проводом сети, как показано на рисунке 42. Присоедините выводы от лампочек (слово «Добро») к следующим контактам и ко второму проводу сети. Таким же образом включаются в цепь контактора и все другие буквы.
Если включить контактор и электродвигатель в сеть, то при вращении двигателя, а вместе с ним и барабана лампочки будут поочередно загораться и все вместе выключаться.
Для безопасности контактор надо включать в сеть через предохранители и двухполюсный рубильник. Предохранители и рубильник желательно смонтировать на специальном щитке.
Существует большое количество конструкций контактора. Мы рассмотрели здесь самую простую.
Чтобы буквы выключались поочередно, надо сделать общий контакт с выступами и на другой стороне, как показано на рисунке 42, вверху. Если к такому контактору присоединить лампочки, расположенные по кругу, то вы получите вращающийся светящийся круг. Если же вы расположите лампочки по прямой линии и включите их в цепь контактора, то получите бегущий свет.
РАЗЛИЧНЫЕ ВИДЫ ЭЛЕКТРОСИГНАЛИЗАЦИИ
Электросигнализация очень широко используется в современной технике и в быту. Простейший вид сигнализации можно наблюдать в квартирах. Это звонковая, или звуковая, сигнализация. Световая и звуковая сигнализации находят большое применение в различных отраслях техники.