Пехотный танк «Черчилль» - Страница 5
Для стрельбы из 2-фунтовой пушки и спаренного пулемета использовался телескопический прицел № 24В Mk I; для ведения огня из 6-фунтовых пушек — телескопические прицелы № 39 Mk I или № 33 Мк II; из 75-мм пушки — № 50x3L Mk I. Для стрельбы из курсового пулемета применялись телескопические прицелы № 30 Mk I или Mk IA и № 33 Mk IS или IIS.
ДВИГАТЕЛЬ. На танках всех модификаций устанавливался двигатель одной марки — 12-цилиндровый горизонтально-оппозитный карбюраторный жидкостного охлаждения Bedford «Twin- Six» мощностью 350 л.с. при 2200 об/мин. Диаметр цилиндра — 127 мм. Ход поршня — 139.7 мм. Рабочий объем — 21 237 см3. Масса сухого двигателя — 1533 кг.
Количество топливных баков — шесть основных (по три с каждой стороны двигателя) и один дополнительный наружный. подключенный к системе питания двигателя. Общая емкость баков — 828 л. Карбюраторов — четыре, каждый на три цилиндра марки Solex 46FWHE.


Двухдюймовый дымовой миномет: вверху — в положении для заряжания, внизу — в боевом положении

Модификация «Черчилль IV» отличалась от предыдущей главным образом наличием литой башни. На «четверках» чаще устанавливали и длинноствольную 6-фунтовую пушку Mk V
Система смазки — циркуляционная, под давлением, с сухим картером. Тип масляных насосов — шестеренчатые двухсекционные: один — нагнетающий, другой — откачивающий. Рабочая емкость системы смазки — 50 л.
Система охлаждения — жидкостная, замкнутого типа, с принудительной циркуляцией. Два трубчатых радиатора были установлены по обеим сторонам двигателя. Емкость системы охлаждения — 118 л.
ТРАНСМИССИЯ включала в себя однодисковый главный фрикцион сухого трения Borg and Beck, механическую четырехскоростную коробку передач Merrit-Brown Н4, объединенную в один агрегат с механизмом поворота, и бортовые передачи. Механизм поворота (цилиндрический дифференциал с двумя планетарными механизмами) обеспечивал поворот на месте и легкость управления танком при движении. Минимальный радиус поворота на 1-й передаче— 3,3 м. Управление машиной еще больше облегчалось за счет применения сервомеханизмов с гидроприводом.
Моторно-трансмиссионное отделение изолировалось от боевого специальной броневой перегородкой, что существенно снижало потери экипажа при пожаре двигателя и, с другой стороны, сохраняло целыми двигатель и трансмиссию при взрыве боекомплекта.
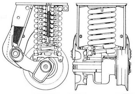
ХОДОВАЯ ЧАСТЬ применительно к одному борту состояла из 11 необрезиненных сдвоенных опорных катков малого диаметра, ведущего колеса заднего расположения с двумя съемными венцами (23 зуба) и двумя резиновыми бандажами и направляющего колеса. Поддерживающие колеса отсутствовали, их функции. как и на танках периода Первой мировой войны, выполняли специальные направляющие. Подвеска индивидуальная пружинная.

На этой фотографии хорошо видны опорные натки и элементы подвески

Узел подвески ходовой части танка «Черчилль»
Тактико-технические характеристики танка «Черчилль III»
Боевая масса, т 39,6
Экипаж, чел 5
Габаритные размеры, мм:
длина 7442
ширина 3251
высота 2450
клиренс 530
Толщина брони, мм:
лоб корпуса 101
борт 76
корма 64
крыша 15 — 19
днище 19
лоб башни 88
борт и корма 76
Макс, скорость движения, км/ч 28
Средняя скорость движения, км/ч:
по шоссе 25
по пересеченной
местности 17,5
Запас хода, км:
по шоссе 246
по проселочной дороге 166
Преодолеваемые препятствия:
угол подъема, град 30
высота стенки, м 0,76
ширина рва, м 3,66
глубина брода, м 1,22
Удельное давление, кг/см² 0,93
Удельная мощность, л.с./т 8,75
В каждую гусеницу входило 70 траков шириной 356 мм и шагом в 211 мм или 72 трака с шагом 202 мм.
ЭЛЕКТРООБОРУДОВАНИЕ танка состояло из двух аккумуляторных батарей, генератора, реле-регулятора, стартера, генератора и мотора электропривода поворота башни, шитка контрольных приборов, приборов внутреннего и наружного освещения.
Кроме того, на танке имелся дополнительный зарядный агрегат, состоявший из одноцилиндрового карбюраторного двигателя и генератора.
СРЕДСТВА СВЯЗИ. Танк оборудовался симплексной телефонно-телеграфной радиостанцией № 19, работавшей в диапазонах КВ и УКВ и имевшей свою собственную систему внутренней связи на пять абонентов. Работа в каждом из диапазонов радиоволн осуществлялась на отдельную антенну. Радиостанция № 19 имела радиус действия на коротких волнах телефоном 15 км, телеграфом — 32 км, на ультракоротких волнах телефоном — до 1 км.

Infantry Tank Mk IV Churchill VII
ТАКТИКО-ТЕХНИЧЕСКИЕ ХАРАКТЕРИСТИКИ ПЕХОТНОГО ТАНКА Mk IV «Черчилль VII».
Боевая масса, т 41
Экипаж, чел 5
Габаритные размеры. мм:
длина 7442
ширина 3460
высота 2450
клиренс 530
Толщина брони, мм
лоб корпуса 152
борт 95
корма 51
крыша 16 - 19
днище 25
лоб башни 152
борт и корма 95
Макс, скорость движения, км/ч 20
Средняя скорость движении, км/ч 17
Запас кода, км:
по шоссе 200
по проселочной дороге 136
Преодолеваемые препятствия:
угол подъема, град 30
высота стенки, м 0.76
ширина рва. м 3,66
глубина брода, м 1.22
Удельное давление. кг/см² 0.93
Удельная мощность, л.с./т 8.75
Боевое применение
Рейд на Дьепп
Первой боевой операцией с участием «Черчиллей» стал рейд на Дьепп 19 августа 1942 года — операция «Юбилей». Дьепп — маленький французский город — рыболовецкий порт на Ла-Манше. Целью высадки являлись разведка боем обороны противника на побережье и отработка взаимодействия различных родов войск. Считалось, что такой рейд позволит приобрести необходимый опыт для планирования крупномасштабного вторжения в Западную Европу.
В операции приняли участие 58 «Черчиллей» модификаций I, II и III 14-го канадского армейского Калгарийского танкового полка (Calgary Regiment). Полк высаживался на каменистый пляж, находившийся непосредственно в черте города, вслед за полком Королевской легкой пехоты Гамильтона (Royal Hamilton Light Infantry) и Эссекским шотландским (Essex Scottiish) полком. В задачу танкистов входила поддержка огнем и маневром этих двух частей при захвате города.

Пехотный танк модификации «Черчилль I», подбитый на пляже г.Дьеппа. Август 1942 года
Перед операцией танки прошли специальную подготовку — их корпуса загерметизировали, а выхлопные трубы нарастили вертикальными патрубками. После этого боевые машины могли преодолевать вброд полосу прибоя и их можно было высаживать с десантных кораблей типа LCT, не подходя вплотную к берегу.
С первых же минут высадки все пошло не совсем так, как предполагалось. Дело в том, что пляж, зажатый между восточными и западными молами, отделяла от городской набережной с бульваром дамба, преодолеть которую самостоятельно танки «Черчилль» не могли. Выходы с пляжа перегораживали баррикады, а сама территория пляжа находилась под перекрестным огнем артиллерии и пулеметов. Планировалось, что дамбу и бароикады взорвут саперы, но и они, и пехотинцы сразу после высадки понесли такие потери, что выполнить свою задачу в полном объеме не смогли. Танки должны были высаживаться четырьмя волнами: в первой — 9 танков, во второй —12, в третьей — 16, в четвертой — оставшиеся силы полка. На практике же все три волны высаживались почти одновременно. При этом берега достигли далеко не все машины — один из десантных кораблей третьей волны затонул вместе с шестью «Черчиллями», находившимися на его борту. Один танк получил прямое попадание гаубичного снаряда, не успев покинуть судна, два других утонули при попытке войти в воду на слишком большом расстоянии от берега; несколько порвали гусеницы о гальку пляжа, у некоторых камешками заклинило ходовую часть. Остановившиеся машины тут же подбивались немцами. Танки вели ответный огонь, но у 2- и 6-фунтовых пушек в боекомплектах не было фугасных снарядов, а 76-мм гаубицы имели слишком маленький угол возвышения, и им мешала дамба.