Panzer III. Стальной символ блицкрига - Страница 5
37-мм пушка KwK L/45. Для немецких танковых пушек периода Второй мировой войны была характерна удивительная компактность конструкции.
ВООРУЖЕНИЕ. Основное вооружение танков модификаций А — G — пушка 3,7 cm KwK L/45 калибра 37 мм фирмы Rheinmetall-Borsig. Длина ствола пушки — 45 калибров (1717 мм). Масса пушки — 195 кг. Вертикальная наводка — в пределах от -10° до +20°. Затвор клиновой, вертикальный, полуавтоматический. Спуск — электрический. Скорострельность 15–18 выстр/мин.
В боекомплект пушки входили выстрелы с бронебойными PzGr (масса 0,685 кг, начальная скорость 745 м/с), подкалиберными PzGr 40 (0,368 кг, 1020 м/с) и осколочно-фугасными SprGr 18 (0,615 кг, 725 м/с) снарядами. Боекомплект состоял из 150 (Ausf.A), 121 (В — D) или 131 выстрела (Е — G).
Танки модификаций G — J вооружались пушкой 5 cm KwK 38 L/42 калибра 50 мм также разработанной конструкторами фирмы Rheinmetall-Borsig. Длина ствола пушки — 42 калибра (2100 мм). Масса пушки — около 400 кг. Углы вертикального наведения от -10° до +20°. Затвор — вертикально-клиновой с полуавтоматикой копирного типа. Спусковой механизм пушки — электрический, располагался на рукоятке маховика поворотного механизма. Скорострельность 15 выстр./мин. Противооткатные устройства состояли из гидравлического тормоза отката и гидропневматического накатника и располагались по бокам ствола: с правой стороны — тормоз отката, с левой — накатник.
Для стрельбы из пушки KwK 38 использовались унитарные выстрелы с бронебойными снарядами PzGr и PzGr 39 (масса 2,06 кг, начальная скорость 685 м/с), подкалиберными PzGr 40 (0,925 кг, 1050 м/с) и осколочно-фугасными SprGr 38 (1,823 кг, 450 м/с). Боекомплект танков этих модификаций состоял из 97–99 выстрелов.

50-мм пушка KwK 38 L/42.

50-мм пушка KwK 38 L/42, вид с казенной части. Ограждение пушки откинуто вниз.
Боевые машины вариантов J — М вооружались пушкой 5 cm KwK 39 L/60 калибра 50 мм. Длина ствола 60 калибров (3000 мм). Масса пушки 435 кг. Тип затвора, принцип действия полу автоматики, противооткатные устройства, спусковой механизм и многие другие узлы орудия были идентичны пушке KwK 38. Основное отличие заключалось в большей длине зарядной каморы, связанной с увеличившейся с 288 до 420 мм длиной гильзы.
Для стрельбы использовались выстрелы с бронебойными снарядами PzGr KwK 39 и PzGr 39 KwK 39 (масса 2,06 кг, начальная скорость 835 м/с), подкалиберными PzGr 40 KwK 39 (0,925 кг, 1190 м/с) и PzGr 40/1 KwK 39 (1,07 кг, 1130 м/с) и осколочно-фугасными SprGr 38 KwK 39 (1,82 кг, 550 м/с). Число выстрелов в боекомплекте колебалось с 84 (Ausf.J) до 92 (Ausf.L и М).
Танки Pz.III Ausf.N вооружались пушкой 7,5 cm KwK 37 калибра 75 мм. Длина ствола пушки — 24 калибра (1765,3 мм). Масса пушки — 490 кг. Вертикальная наводка — в пределах от — 10° до +20°. Пушка имела вертикальный клиновой затвор и электроспуск. В ее боекомплект входили выстрелы с бронебойными снарядами KgrRotPz (масса 6,8 кг, начальная скорость 385 м/с), кумулятивными Gr 38Н1/А, Gr 38Н1/В и Gr 38Н1/С (4,44…4,8 кг, 450…485 м/с), дымовыми NbGr (6,21 кг, 455 м/с) и осколочно-фугасными (5,73 кг, 450 м/с).

Установка 50-мм пушки KwK 39 в башне танка Pz.III.

Экипаж танка Pz.III Ausf.F 16-й танковой дивизии за чисткой орудия. 1941 год. Машина прошла значительную модернизацию, в ходе которой на ней установлена 50-мм пушка, усилено бронирование лобового листа подбашенной коробки и верхнего и нижнего лобовых листов корпуса. Несмотря на это экипаж, где только можно, навесил на машину гусеничные траки.
Боекомплект пушки состоял из 56 выстрелов у танков переоборудованных из Ausf.L и 62 выстрелов у танков переоборудованных из Ausf.M.
У модификаций А — G с 37-мм пушкой были спарены два пулемета MG 34 фирмы Rheinmetall-Borsig калибра 7,92 мм. Третий пулемет MG 34 устанавливался в лобовом листе корпуса. Боекомплект пулеметов состоял из 4425 патронов.
У танков вариантов G — М с 50-мм пушкой был спарен только один пулемет MG 34. Второй размещался в лобовом листе корпуса в шаровой установке Kugelblende 30 (Ausf.E — Н) или Kugelblende 50 (Ausf.J — N). На командирских башенках танков вариантов L — N на специальном устройстве Fliegerbeschutzgerat 41 или 42 можно было установить зенитный пулемет. Боекомплект пулеметов на машинах с 50-мм пушками колебался от 2700 до 4950 патронов.
Танки с 37-мм пушками оборудовались монокулярными телескопическими прицелами TZF 5а, с 50-мм KwK 38 — TZF 5d, с 50-мм KwK 39 — TZF 5е. В танках Ausf.N устанавливались прицелы TZF 5Ь. Все эти прицелы имели 2,4-кратное увеличение. Курсовой пулемет MG 34 оснащался 1,8-кратным телескопичесим прицелом KZF 2.

Вид на ящики для 50-мм выстрелов в боевом отделении танка.

Вид на казенную часть 50-мм пушки KwK 39 и спаренный пулемет MG 34 с места заряжающего.
ДВИГАТЕЛЬ И ТРАНСМИССИЯ. На танках устанавливались двигатели Maybach HF 108TR, HF 120TR HF и 120TRM, 12-цилиндровые, V-образные (развал цилиндров 60°), карбюраторные, четырехтактные мощностью 250 л.с. (HF 108) и 300 л.с. (HF 120) при 3000 об/мин. Диаметры цилиндров 100 и 105 мм. Ход поршня 115 мм. Степень сжатия 6,5. Рабочий объем 10 838 см3 и 11 867 см3. Все двигатели имели одинаковую конструкцию.
Топливо — этилированный бензин с октановым числом не ниже 74. В топливную систему танков Ausf.A — D входили два бензобака общей емкостью 300 л. Машины вариантов Е — N имели один бензобак емкостью 320 л, располагавшийся в кормовой части танка справа от двигателя. Расход топлива на 100 км при движении по шоссе — 287 л. Подача топлива принудительная, с помощью двух (у модификаций G — N — трех) топливных насосов диафрагменного типа Solex ЕР100. Карбюраторов — два, марки Solex 40 JFF IF.
Система охлаждения — жидкостная, с двумя радиаторами и двумя вентиляторами. Емкость системы охлаждения — 70 л.
Трансмиссия состояла из карданной передачи, главного фрикциона, коробки передач, механизмов поворота и бортовых передач.
На танках модификаций А — С устанавливались многодисковый главный фрикцион и пятискоростная коробка передач. Машины Ausf.D оснащались шестискоростной коробкой передач. На машинах остальных модификаций использовались трансмиссии трех типов:
— с шестискоростной механической коробкой передач и сухим главным фрикционом механического управления и механическим управлением тормозов;
— с шестискоростной механической коробкой передач и сухим главным фрикционом механического управления и гидравлическим управлением тормозов;
— с десятискоростной безвальной механической коробкой передач и работающим в масле многодисковым главным фрикционом с преселекторным пневмо-гидравлическим управлением и гидравлическим приводом тормозов.

Шаровая установка пулемета MG 34 Kugelblende 30.

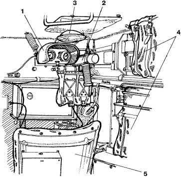
Место стрелка-радиста: 1 — прицел; 2 — пулемет MG 34; 3 — головной упор; 4 — мешки с пулеметными лентами; 5 — сиденье.

Двигатель и коробка передач танка Pz.III Ausf.E: 1 — переключатель направления движения; 2 — переключатель передач; 3 — блок выключателей; 4 — карданный вал; 5 — двигатель; 6 — обратный клапан; 7 — ресивер; 8 — главный фрикцион; 9 — коробка передач; 10 — педаль сцепления.