Операционная система UNIX - Страница 128
Рассмотренные выше порядковый номер и номер подтверждения играют ключевую роль в обеспечении надежности доставки. По существу порядковый номер адресует каждый октет логического потока данных между источником и получателем, позволяя последнему определить правильность доставки (порядок доставки и потерю отдельных октетов). TCP является протоколом с позитивным подтверждением и повторной передачей (Positive Acknowledgement and Retransmission, PAR). Это означает, что если данные доставлены без ошибок, получатель подтверждает это сегментом
ACKВ качестве примера рассмотрим передачу данных между двумя хостами сети А и В, проиллюстрированную на рис. 6.13. Для простоты предположим симплексную передачу большого количества данных от хоста А к B. Начиная с
SEQ=100SEQ=300ACK=301
Рис. 6.13. Повторная передача
Говоря об управлении потоком данных, следует отметить, что TCP представляет собой протокол со скользящим окном. Окно определяет объем данных, который может быть послан (send window — окно передачи) или получен (receive window — окно приема) TCP-модулем. Размеры окон фактически отражают состояние буферов приема коммуникационных узлов. Так окно приема свидетельствует о количестве данных, которое принимающая сторона готова получить, а окно передачи определяет количество данных, которое отправителю позволяется послать, не ожидая подтверждения о получении. Несомненно, между этими двумя параметрами существует связь — окно передачи одного узла отражает состояние буферов другого (его окно приема) и наоборот. Принимающая сторона имеет возможность изменять окно передачи отправителя (с помощью подтверждения или явного обновления значения окна в поле Window заголовка передаваемого сегмента), и, таким образом, регулировать трафик.
Интерпретация отправителем окна передачи показана на рис. 6.14. Размер окна передачи отправителя в данном случае покрывает с 4 по 8 байт. Это означает, что отправитель получил подтверждения на все байты, включая 3, а получатель анонсировал размер окна равным 5 байтам. Это также означает, что отправитель может еще передать 2 байта (7 и 8). По мере подтверждения получения данных окно будет смещаться вправо, открывая новые "горизонты" для передачи. Однако окно может изменять свои размеры, при этом имеет значение, смещение какого края окна (правого или левого) приводит к изменению размера.
□ Окно закрывается по мере смещения левого края вправо. Это происходит при отправлении данных.
□ Окно открывается по мере смещения правого края вправо. Это происходит в соответствии с освобождением буфера приема получателя данных.
□ Окно сжимается, когда правый край смещается влево. Хотя такое поведение не рекомендуется, модуль TCP должен быть готов к обработке этой ситуации.

Рис. 6.14. Окно передачи TCP
Если левый край окна достигает правого, размер окна становится равным нулю, что запрещает дальнейшую передачу данных.
Суммируя вышесказанное, можно отметить, что размер окна, сообщаемый получателем данных отправителю, является предлагаемым окном (offered window), которое в простейшем случае равно размеру свободного места в буфере приема. При получении этого значения отправитель данных вычисляет фактическое, доступное для использования окно (usable window), которое равно предлагаемому за вычетом объема отправленных, но не подтвержденных данных. Таким образом, доступное для использования, или просто доступное, окно меньше или равно предлагаемому. Неэффективная стратегия подтверждений может привести к чрезвычайно малым значениям доступного окна и, как следствие, к низкой производительности передачи данных. Это явление, известное под названием синдром "глупого окна" (Silly Window Syndrome, SWS), будет рассмотрено ниже.
Стратегии реализации TCP
Рассмотренный стандарт протокола TCP определяет взаимодействие между удаленными объектами, достаточное для обеспечения совместимых реализаций. Другими словами, модуль протокола, в точности следующий спецификации стандарта, является гарантированно совместимым с модулями TCP, разработанными другими производителями. Тем не менее ряд вопросов функционирования протокола остается за рамками стандарта и допускает различные реализации, в конечном итоге влияющие не на совместимость, а на производительность приложений, использующих этот протокол. В данном разделе мы рассмотрим различные подходы к реализации TCP, направленные на повышение его производительности.
Синдром "глупого окна"
Механизм подтверждения получения данных является ключевым в протоколе TCP. Стандарт указывает, что подтверждение должно быть передано без задержки, но не определяет конкретно, насколько быстро данные должны быть подтверждены, и объем подтверждаемых данных. К сожалению, корректная с точки зрения спецификации протокола, но неоптимальная реализация стратегии подтверждения приводит к неудовлетворительной работе механизма управления потоком данных (оконного механизма), что приводит к синдрому "глупого окна" (SWS).
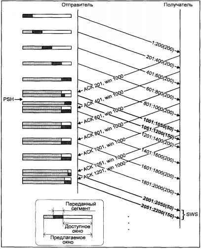
Для иллюстрации этого явления рассмотрим передачу файла большого размера между двумя приложениями, использующими протокол TCP. Допустим, что модуль протокола осуществляет передачу сегментами, размер которых составляет 200 октетов. В начале передачи предлагаемое окно отправителя — 1000 октетов. Он полностью использует этот кредит, послав пять сегментов по 200 октетов каждый. После обработки первого полученного сегмента адресат отправляет подтверждение (сегмент
ACK
Рис. 6.15. Возникновение SWS
При получении подтверждения отправитель вычисляет доступное окно. Поскольку получение 800 октетов данных еще не подтверждено, значение доступного окна получается равным 200.
Рассмотрим теперь процесс возникновения SWS. Предположим, что отправитель вынужден передать сегмент размером 50 октетов (например, если приложение указало флаг
PSHЕсли мы продолжим анализировать передачу данных, то заметим, что рисунок транзакций будет периодически повторяться, т.е. отправитель будет вынужден периодически передавать сегмент необоснованно малого размера. Этот порочный круг не может быть разорван естественным образом. Происхождение сегментов малого размера очевидно: периодически у отправителя возникает необходимость разделить доступное окно на несколько мелких сегментов. При непрерывной передаче больших объемов данных такие ситуации будут время от времени возникать, оставляя неизгладимый след на характере транзакций. В результате это может привести к "засорению" сети множеством мелких пакетов в одну сторону и множеством подтверждений в другую.