Общая теория роста человечества - Страница 6
Для обсуждения структуры демографической системы поучительно обратиться к диаграмме, представляющей связи между факторами, от которых зависит рост населения, и их сложную подчиненность и взаимозависимость (рис.1.3).

Рис 1.3 Связи факторов, определяющих рост популяции
1--здравоохранение, 2--длительность жизни, 3--плодовитость, 4--детская смертность, 5--детоубийство, 6--рождаемость, 7--стерильность, 8--брачность, 9--пренатальный контроль рождаемости, 10--оптимальное детское жизненное пространство, 11--женская занятость, 12--групповая мобильность, 13--размер группы, 14--стандарт жизни, 15--социокультурная система и образование, 16--производящая технология, 17--продуктивность, 18--ресурсы, 19--диета, 20--потенциальный максимум популяции, 21--миграция, 22--территория, 23--плотность населения, 24--профессиональная смертность, 25--милитаризм, 26--популяция, 27--материнская смертность, 28--война, 29--болезни и эпидемии, 30--убийство стариков, 31--дорепродуктивная численность, 32--мужчины и 33--женщины репродуктивного возраста, 34--естественная смертность, 35--пострепродуктивная численность
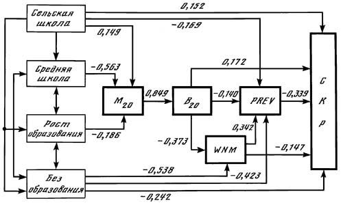
Развитие подобного подхода при построении модели уже для количественных расчетов привело к схеме, показанной на рис. 1.4. На этой сетевой диаграмме введены коэффициенты, описывающие связи между разными факторами, определяющими результирующий рост населения. Коэффициенты определены на основании обследования 216 регионов 51 развивающейся страны [78]. Однако трудно представить, что, введя все эти усредненные параметры в компьютер, можно с достаточной достоверностью предсказать воспроизводство населения. Вопрос не только в репрезентативности -- точность данных не может соответствовать трехзначным цифрам, подразумевающим погрешность не более 1%! Не ставится вопрос ни о шуме, ни об устойчивости и сходимости таких расчетов. Даже в линейном приближении коэффициенты должны быть представлены в виде интегро-дифференциальных операторов, учитывающих влияние скорости и инерции -- последействия и запаздывания в связях.
Первоначально к подобным методам обращались при исследовании динамики механических систем, таких как самолет, полет ракеты в автоматическом режиме или открытые системы химического производства [154]. Опыт показывает, что даже в этих случаях требуются весьма подробные экспериментальные исследования для определения параметров модели и тонкие расчеты, для того чтобы получить результаты, полезные на деле. Но такие системы и по числу параметров, определяющих их поведение, и по сложности процессов и связей представляются элементарными по сравнению с демографической системой.

рис 1.4 Сетевая схема, призванная описать факторы, влияющие на рождаемость и рост населения.
СКР -- суммарный коэффициент рождаемости, WNM -- нежелание иметь детей
В случае человечества оказывается трудным, а по существу, невозможным, дать подходящее описание роста путем сведения поведения сложной системы к процессам, происходящим на более элементарном уровне. И уже совершенно невозможно описание нестационарного глобального демографического перехода в рамках редукционистской программы, при последовательном восхождении от элементарного уровня к более сложному. Первоначально такой подход для глобальной динамики был предложен Форрестером [105], а затем развит Медоузом в первом докладе Римского клуба "Пределы роста" [104] См. п. 9.3.
Основную пользу сетевых диаграмм следует видеть в наглядном представлении сложности объекта. Диаграмма также может помочь при обсуждении свойств системы, при выделении главных факторов и выяснении их взаимного подчинения. Так выясняется, что основными факторами, определяющими число детей, оказываются желание женщины и ее образовательный ценз, что, впрочем, представляется понятным и вне контекста схемы. Крайне мало вероятно, что уточнение и дальнейшее развитие такого подхода может привести к модели, описывающей все человечество во все времена.
Это происходит и потому, что такие понятия, как рождаемость и смертность, далеко не элементарны, а на феноменологическом уровене обобщают в вероятностных и статистических показателях множество факторов. Наконец, в сложной системе все связи и взаимодействия большей частью нелинейны и не допускают суммирования и тем самым введения линейных причинно-следственных связей, т.е. непосредственного перехода от частного к общему. Поэтому следует отказаться от описания частностей в поведении демографической системы и перейти на следующий уровень агрегации. Для этого надо принципиально изменить точку зрения и методы исследования.
1.6 Сложность системы и уровень агрегации данных
Альтернативой может быть только последовательно системный метод, когда все население Земли рассматривается как эволюционирующая и самоорганизующаяся система, существенно нелинейная в своем поведении [1,2,9]. Эта концепция и лежит в основе математической модели, которая с таких позиций охватывает развитие уже всего человечества. Иными словами, для осуществления такой программы необходим переход на следующий уровень интеграции по сравнению с тем, что принят в демографии при описании отдельных стран и регионов.
Если сведения о демографии Индии или Китая уже суммируют данные по 1/6 или 1/5 всего мира и переход к населению всей Земли -- это относительно небольшой шаг в степени агрегации, то большие концептуальные трудности представляет существенное расширение временных рамок исследования. При этом придется отойти от привычного для каждого из нас и для демографии масштаба поколения, самой длительности нашей жизни, и перейти к гораздо более широким временным рамкам исследования. Однако, если учитывать неpавномеpность течения исторического времени, этот переход не так велик, как это может показаться с первого взгляда. Оказывается, что прошлое к нам гораздо ближе, чем это представляется при равномерном течении исторического времени.
Таким образом, следующая ступень обобщения связана с тем, что главным параметром, определяющим состояние человечества, становится полная численность его населения. Ее статистический смысл очевиден, однако при этом оказывается возможным в первом приближении не учитывать не только возрастной состав населения, но и его расселение по Земле и концентрацию в городах, а также ресурсы, обеспечивающие рост. Эти упрощения могут показаться столь большими, что решение задачи никак не будет отвечать реальному положению вещей.
Действительно, сама возможность такой постановки задачи далеко не очевидна, поэтому следует в первую очередь выяснить, в какой мере понятие системы применимо к населению Земли в целом и обладает ли процесс роста исторически закономерным и статистически предсказуемым характером. Тем не менее полученные результаты имеют четкий смысл и открывают путь к количественному исследованию развития человечества как системы. В итоге рост населения следует считать основной глобальной проблемой человечества, за которой уже следуют остальные, в том числе антропогенные изменения окружающей среды и возможное исчерпание ресурсов.
В росте численности населения мира мы будем видеть выражение и меру развития, развития во всех измерениях. Этому в демографии, истории и экономике препятствовала традиция специализированного видения и отсутствие должного комплексного подхода к проблеме. На подобную тенденцию многих современных исследований было справедливо обращено внимание в "Отчете независимой комиссии по населению и развитию": "При усиливающейся фрагментации знаний и экспертных заключений, в сочетании с углубленной специализацией профессионалов, все это препятствовало установлению связи между факторами роста населения и развития" [123].
Преодолению этой разобщенности в значительной мере и посвящена настоящая работа.