Металлоискатели - Страница 5
Результат вполне оправдал затраченное время. Конечно, от этого прибора не следует ожидать каких-либо чудес. Однако, несмотря на то, что схема предлагаемого металлоискателя и конструкция поисковой катушки очень просты, чувствительность данного устройства вполне достаточна для обнаружения небольших металлических предметов. К тому же при наличии некоторых навыков с большой степенью вероятности можно определить, из какого металла (магнитного или немагнитного) изготовлен обнаруженный предмет.
Предлагаемая конструкция (рис. 2.1) представляет собой один из многочисленных вариантов металлодетекторов типа BFO (Beat Frequency Oscillator), то есть является устройством, в основу которого положен принцип анализа биений, возникающих при смешивании двух сигналов близких частот.

Рис. 2.1. Принципиальная схема простого транзисторного металлоискателя
В конструкции прибора использованы два простых LC-генератора, выполненные на транзисторах Т1 и Т3. Рабочая частота этих генераторов определяется параметрами контуров, включенных в коллекторные цепи соответствующих транзисторов. Контур первого генератора, который является опорным, образован конденсатором С1 емкостью 330 пФ и катушкой L1. В контуре второго, измерительного, генератора используются конденсатор переменной емкости С7 с максимальной емкостью – 300 пФ и поисковая катушка L2.
Выходы генераторов через резисторы R1, R5 и конденсатор С4 подключены к базе транзистора Т2, который усиливает сигнал частоты биений. С коллектора транзистора Т2 усиленный сигнал подается на головные телефоны BF1. Уровень громкости этого сигнала регулируется с помощью переменного резистора R6.
Поскольку рабочие частоты генераторов находятся в диапазоне средних волн, их сигналы в телефонах не слышны. Когда удается добиться точной настройки каждого генератора на одну и ту же частоту, звуковой сигнал в телефонах также будет отсутствовать. Если же с помощью конденсатора С7 настроить измерительный генератор на почти ту же частоту, что и опорный генератор, то в телефонах будет слышен сигнал частоты биений. При отсутствии в зоне действия поисковой катушки L2 металлических предметов рабочая частота измерительного генератора остается неизменной, поэтому неизменной будет и частота биений. В этом режиме возможные девиации частот могут быть обусловлены лишь нестабильной работой обоих генераторов.
При появлении в зоне действия поисковой катушки L2 металлического предмета резонансная частота контура L2C7 изменится. В результате изменятся рабочая частота измерительного генератора и, как следствие, частота сигнала биений. Именно эти изменения служат источником информации об обнаружении металлического предмета.
Питание простого транзисторного металлоискателя осуществляется от источника В1 напряжением 9 В.
Все детали простого транзисторного металлоискателя, за исключением поисковой катушки L2, конденсатора C7, резистора R6, разъемов Х1 и Х2 и выключателя S1, расположены на печатной плате размерами 100x50 мм (рис. 2.2), изготовленной из одностороннего фольгированного гетинакса или текстолита.

Рис. 2.2. Печатная плата (а) и расположение элементов (б) простого транзисторного металлоискателя
К деталям, применяемым в данном устройстве, не предъявляются какие-либо особые требования. Естественно, рекомендуется использовать любые малогабаритные конденсаторы и резисторы, которые без проблем можно разместить на печатной плате.
Катушка L1 опорного генератора намотана проводом ПЭЛ диаметром 0,1–0,2 мм на сердечнике диаметром 8 мм и содержит 100 витков. Катушку L1 можно намотать на ферритовом сердечнике или на бумажной трубке без сердечника. В качестве конденсатора С7 можно использовать любой конденсатор переменной емкости с воздушным диэлектриком с максимальной емкостью примерно 300 пФ, например конденсатор настройки от любого старого радиоприемника.
Печатная плата с расположенными на ней элементами и источник питания размещаются в любом подходящем пластмассовом или деревянном корпусе. На крышке корпуса устанавливаются конденсатор настройки C7, регулятор громкости R6, выключатель S1, а также разъемы Х1 и Х2 для подключения соответственно поисковой катушки L2 и головных телефонов BF1.
Для изготовления поисковой катушки L2 (рис. 2.3) потребуется вырезать круг диаметром 100 мм из фанеры или другого материала (гетинакса, текстолита) толщиной 1,5–2,5 мм. Круг следует разбить на секторы с углом 40° и в этих местах сделать прорези к центру на расстояние 20 мм от края. В прорези надо продеть провод диаметром 0,2–0,3 мм (например марки ПЭЛ) и виток к витку намотать 30 витков. К изготовленной таким образом поисковой катушке можно приделать удобную ручку. Подключение катушки L2 к печатной плате осуществляется через малогабаритный разъем.

Рис. 2.3. Конструкция поисковой катушки L2
В качестве источника питания В1 можно использовать, например, батарейку «Крона» или две батарейки 3336Л, соединенные последовательно.
При использовании исправных деталей правильно собранный металлоискатель начинает работать практически сразу. Настройку прибора следует проводить в условиях, когда металлические предметы удалены от поисковой катушки L2 на расстояние не менее 1,5 м.
Поскольку в данном разделе речь идет о простой конструкции, то в телефонах при первом включении будут слышны сигналы разных гармоник. Поэтому, настраивая прибор, следует выбрать наиболее сильный сигнал с помощью конденсатора С7 и отрегулировать его громкость регулятором R6. Выбор наиболее сильной гармоники можно осуществить на слух или с использованием осциллографа или частотомера.
На этом процесс настройки простого транзисторного металлоискателя заканчивается.
При практическом использовании рассматриваемого металлоискателя следует конденсатором С7 провести дополнительную подстройку на сигнал наиболее сильной гармоники и отрегулировать его громкость с помощью регулятора R6.
Если теперь в зоне действия поисковой катушки L2 окажется какой-либо металлический предмет, то высота тона в телефонах изменится. При приближении к одним металлам частота сигнала биений будет увеличиваться, а при приближении к другим – уменьшаться. По изменению тона сигнала биений, имея определенный опыт, можно легко определить, из какого металла, магнитного или немагнитного, изготовлен обнаруженный предмет.
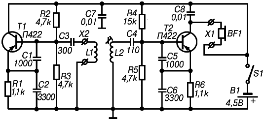
2.2. Простой металлоискатель на двух транзисторах
Без сомнения, многих начинающих радиолюбителей заинтересует конструкция простого металлоискателя, основой для которого послужила схема, неоднократно публиковавшаяся в отечественных и зарубежных специализированных изданиях в середине 70-х годов прошлого столетия. С помощью этого металлодетектора, выполненного всего на двух транзисторах, можно обнаруживать металлические предметы, удаленные от поисковой катушки на несколько десятков сантиметров.
Данная конструкция представляет собой один из вариантов металлодетекторов типа FM (Frequency Meter), то есть является устройством, в основу которого положен принцип измерения девиации частоты опорного генератора под влиянием металлических предметов, попавших в зону действия поисковой катушки. При этом оценка изменения частоты осуществляется на слух (рис. 2.4).

Рис. 2.4. Принципиальная схема простого металлоискателя на двух транзисторах