Как освоить радиоэлектронику с нуля. Учимся собирать конструкции любой сложности - Страница 23
Трансформатор Т1, как уже говорилось ранее, должен иметь высокоомную первичную обмотку и низкоомную вторичную. Это можно померить тестером. Устройство не нуждается в налаживании, разве что конденсатором СЗ можно подстроить желаемый тембр звучания.
На сегодняшний день существует масса интересных елочных гирлянд, которые мигают и по-разному переливаются. Стоят они относительно недорого, но нет ничего лучше, чем собрать гирлянду самому. Пусть она будем менее функциональна, но знать, что это сделано собственными руками — это, признайтесь себе, приятно. Предлагаемое устройство (рис. 11.5) предназначено для управления гирляндой. Оно не требует налаживания и начинает работать сразу после включения питания.

Рис. 11.5. Принципиальная схема простой новогодней гирлянды.
В самоделке можно использовать следующие детали: диоды любого типа на ток не менее 300 мА и напряжение 250–300 В, например старые серии Д7, Д226, Д237 или один диодный блок КЦ402, КЦ405, КЦ410 с любым буквенным индексом; тиристор с такими же рабочими характеристиками, например КУ201К, КУ201Л, КУ202К — КУ202Н, КУ208В, КУ208Г, ТС122-8, ТС122-9.
Гирлянду лучше всего составить из 20 ламп на напряжение по 12 В или из 10 ламп на напряжение по 26 В. Остальные детали — любого типа. Частоту включения гирлянды можно изменять, увеличивая или уменьшая емкость конденсатора.
В домашнем обиходе часто требуется, чтобы электробытовые приборы работали в периодическом режиме. Например, электронагреватель и вентилятор должны включаться и выключаться с определенными промежутками времени. Данное устройство (рис. 11.6) понадобится вам в такой ситуации, также оно может пригодиться, если ваш холодильник перестал отключаться.

Рис. 11.6. Принципиальная схема автомата периодического включения и выключения нагрузки.
Работает устройство так: при подаче питания на микросхему U1 начинает заряжаться конденсатор С1, в результате на выводе 3U1 появляется напряжение, близкое к напряжению питания. По окончании зарядки конденсатора С1 внутри микросхемы U1 открываться транзистор, соединяющий ее седьмой и первый выводы, вследствие чего конденсатор С1 разряжается через резистор R2. После этого цикл работы прибора повторяется. Время работы и отключения нагрузки представлены в табл. 11.1. Сверяясь с ней, легко рассчитать другое время.
Обязательно прикрепите симистор Q1 к радиатору. Размеры радиатора зависят от мощности коммутируемой нагрузки: чем больше мощность, тем больше радиатор.

Эта самоделка (рис. 11.7) предназначена для зарядки любого количества никель-кадмиевых аккумуляторов. Достигается это изменением подачи определенного входного напряжения +VCC на устройство.

Рис. 11.7. Принципиальная схема универсального зарядного устройства.
Входное напряжение должно быть больше суммы заряжаемых аккумуляторов на 2 В, то есть, если вы заряжаете два аккумулятора, каждый естественно является носителем 1,5 В (а это в общем 3 В), подаваемое входное напряжение должно быть 5 В. Для этого устройства можно подобрать любые компоненты, главное, чтобы диоды были способны выдержать зарядный ток. Резисторы на схеме ваттностью 0,25 Вт, транзистор КТ814 можно заменить на КТ816. В процессе зарядки светодиод HL2 горит, по окончании гаснет.
Зарядное устройство собрано на плате из текстолита (рис. 11.8) размерами 76429 мм. На ней размещены детали и аккумуляторный отсек. Размеры платы рассчитаны на монтаж батарейного отсека на два аккумулятора. На рисунке слева представлен фрагмент платы, в котором исключен батарейный отсек. Далее дело за вами…

Рис. 11.8. Печатная плата универсального зарядного устройства.
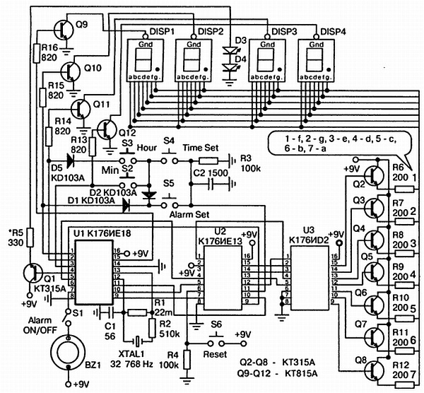
Цифровые электронные часы (рис. 11.9), предлагаемые вашему вниманию, собраны на хорошо известном радиолюбителям комплекте микросхем — К176ИЕ18 (двоичный счетчик для часов с генератором сигнала звонка), К176ИЕ13 (счетчик для часов с будильником) и К176ИД2 (преобразователь двоичного кода в семисегментный). Поэтому на рассказе о работе этих микросхем мы не будем останавливаться.

Рис. 11.9. Принципиальная схема электронных часов.
При включении питания в счетчик часов, минут и в регистр памяти будильника микросхемы U2 автоматически записываются нули. Для установки времени следует нажать кнопку S4 (Time Set) и, придерживая ее, нажать кнопку S3 (Hour) — для установки часов или S2 (Min) — для установки минут. При этом показания соответствующих индикаторов начнут изменяться с частотой 2 Гц от 00 до 59 и далее снова 00. В момент перехода от 59 к 00 показания счетчика часов увеличатся на единицу. Установка времени будильника происходит также, только придерживать нужно кнопку S5 (Alarm Set). После чего следует нажать кнопку S1 для включения будильника (контакты замкнуты). Кнопка S6 (Reset) служит для принудительного сброса индикаторов минут в 00 при настройке. Светодиоды D3 и D4 играют роль разделительных точек, мигающих с частотой 1 Гц. Цифровые индикаторы на схеме расположены в правильном порядке: индикаторы часов, две разделительные точки (светодиоды D3 и D4) и индикаторы минут.
В часах использовались резисторы R6-R12 и R14-R16 ваттностью 0,25 Вт остальные — 0,125 Вт. Кварцевый резонатор XTAL1 на частоту 32768 Гц — обычный часовой (лучше «совковый» в виде лодочки, импортные желательно не ставить, так как они не очень точные). Транзисторы КТ315А можно заменить на любые маломощные кремниевые соответствующей структуры, КТ815А — на транзисторы средней мощности со статическим коэффициентом передачи тока базы не менее 40, диоды — любые кремниевые маломощные. Пищалка BZ1 — динамическая, без встроенного генератора, сопротивление обмотки 45 Ом. Кнопка S1 естественно с фиксацией.
Индикаторы TOS-5163AG зеленого свечения, можно применить любые другие с общим катодом, не уменьшая при этом сопротивление резисторов R6-R12. На рис. 11.10 вы видите распиновку данного индикатора, выводы показаны условно, так как представлен вид сверху.

Рис. 11.10. Цоколевка:
а — транзистора КТ315; б — транзистора КТ815; в — индикатора TOS-5163AG (вид сверху)
После сборки часов, возможно, понадобится подстроить частоту кварцевого генератора. Лучше всего это сделать, контролируя цифровым частотомером период колебаний 1 с на выводе 4 микросхемы U1. Настройка генератора по ходу часов потребует значительно большей затраты времени. Может быть, придется также подстроить яркость свечения светодиодов D3 и D4 подбором сопротивления резистора R5, чтобы все светилось равномерно ярко. Потребляемый часами ток не превышает 180 мА.