Искусство схемотехники. Том 3 (Изд.4-е) - Страница 45
Рис. 13.12. Эквивалентные схемы для расчета верхней сопрягающей частоты схемы рис. 13.10.
Полное сопротивление нагрузки было рассчитано на частотах 100, 200 и 400 МГц, далее умножено на коэффициент усиления транзистора по току (учитывается, что h21э ~= 1/f), скомбинировано с другими импедансами, которые всегда имеются в цепи базы, а затем определялось результирующее значение импеданса, чтобы получить относительные значения выхода в функции частоты. Как можно видеть, выходное напряжение снижается на —3 дБ на частоте, равной приблизительно 180 МГц.
Теперь, используя эту оценку граничной частоты, следует посмотреть, будут ли другие RС-цепи давать значительное ослабление на этой частоте. Например, для каскада на Т4 коллекторная цепь должна вызывать снижение усиления на — 3 дБ вблизи 1000 МГц, если в качестве расчетного значения h21э принять усиление транзистора на 180 МГц (h21э ~= 5). Другими словами, каскадная часть схемы не ухудшает общую характеристику.
Этим простым способом можно непосредственно удостовериться, что другие цепи схемы не вносят более низких частот ослабления —3 дБ. При рассмотрении входного каскада следует задаться определенным значением сопротивления источника сигнала. При Zн = 1000 Ом (довольно высокое сопротивление для видеосхем, подобных этой) окажется, что сочетание сопротивления источника и входной емкости (1,0 кОм, 0,8 пФ) даст точку ослабления — 3 дБ вблизи 200 МГц. Таким образом, характеристика этой схемы значительно лучше, чем у рассмотренной выше.
13.06. Уточненные модели схем по переменному току
Объемное («распределенное») сопротивление базы. Стоит отметить, что модели, которыми мы пользовались, в некотором смысле упрощены, в них не учитываются некоторые важные эффекты, как, например, конечное сопротивление базы r'Б. Для высокочастотных транзисторов указывается параметр r'БСкб — постоянная времени коллектор-база. Для 2N5179 она равна 3,5 пс (ном.), эта величина определяется объемным сопротивлением базы, равным приблизительно 7 Ом. При анализе характеристик на очень высоких частотах такие эффекты необходимо включать в расчет; в этом примере они отсутствуют и не влияют на выводы, сделанные нами ранее.
Расщепление полюсов. Другим упрощением в предыдущих рассуждениях было допущение, что каждое RС-звено вызывает спад усиления независимо от других. То, что здесь должно быть некоторое взаимодействие, легко видеть по следующим соображениям: эффект Миллера сам по себе является формой высокочастотной отрицательной обратной связи. Поскольку он определяется выходным напряжением, то он должен снижать полное сопротивление выходной цепи транзисторного каскада, в особенности на высоких частотах, где его «петлевое усиление» велико (конечно, при этом он вызывает уменьшение усиления по напряжению, которое является проблемой в целом). В результате уменьшение сопротивления цепи коллектора сдвигает спад, связанный с RнСн, в область более высоких частот, поскольку выходное сопротивление цепи коллектора параллельно Rн. Таким образом, снижение сопрягающей частоты, связанной с эффектом Миллера (за счет возрастания KU или Скб), вызывает подъем сопрягающей частоты, связанной с емкостью коллектора и нагрузки. Это явление известно как «расщепление полюса».
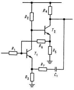
13.07.Последовательно-параллельные пары
В широкополосных усилителях с низким коэффициентом усиления распространены схемы на последовательно-параллельных парах транзисторов (рис. 13.13).

Рис. 13.13. Последовательно-параллельные пары.
Идея заключается в создании усилителей с низким коэффициентом усиления (возможно, около 10 дБ) и с плоской характеристикой в широкой области частот. В этих схемах удачно применяется отрицательная обратная связь для расширения полосы пропускания. Однако отрицательная обратная связь сама по себе может быть источником неприятностей на высоких частотах из-за неконтролируемого сдвига фазы, если петлевое усиление в контуре будет велико. В последовательно-параллельных парах эти трудности преодолеваются за счет введения нескольких контуров обратной связи, в каждом из которых петлевое усиление невелико.
В схеме рис. 13.13 оба каскада, T1 и Т2, работают как усилители с низким коэффициентом усиления по напряжению, так как их эмиттерные резисторы не зашунтированы. R6 обеспечивает обратную связь, охватывающую только T1, так как T2 работает как повторитель в этой цепи. Благодаря тому, что полное усиление по напряжению для каскада на T1 определяется отношением (R6/R1), R4 может подбираться в соответствии с необходимым усилением (R4/R5) незамкнутого контура Т2. И наконец, обратная связь к эмиттеру Т1 добавляется для уменьшения усиления до его расчетной величины.
Последовательно-параллельные пары удобны для блочного построения усилителей, так как они чрезвычайно стабильны и просты по конструкции. С их использованием легко строить усилители с шириной полосы до 300 МГц или более. Коэффициент усиления на одну пару составляет обычно от 10 до 20 дБ, а при необходимости получить большее усиление ставят несколько каскадов.
В разд. 13.11 будут обсуждаться вопросы построения резонансных узкополосных усилителей в противоположность широкополосным устройствам, о которых мы говорили до сих пор. Поскольку усиливаемые сигналы часто имеют узкую полосу частот, при работе в радиодиапазоне очень полезны также резонансные усилители.
13.08. Модульные усилители
Из предыдущего рассмотрения усилителей высоких частот можно видеть, что разработка качественного высокочастотного усилителя очень трудоемка, связана с очень грубыми расчетами и требует проведения многочисленных испытаний конструкции. К счастью, более дюжины поставщиков выпускают усилительные модули в законченном виде, заключенные в корпусе, причем разнообразие их конфигураций таково, что может удовлетворить практически любым требованиям. Действительно, в виде законченного модуля можно получить почти каждый ВЧ-узел, включая генераторы колебаний, смесители, модуляторы, аттенюаторы, управляемые напряжением, накопители и делители мощности, циркуляторы, гибридные волноводные соединители, направленные ответвители мощности и т. д. Некоторые из этих схемных элементов мы будем рассматривать в разд. 13.12.
В большинстве случаев ВЧ-усилители выпускаются в виде тонкопленочных гибридных интегральных схем с коэффициентом усиления, заданным в широкой полосе частот; они встроены в 4-штырьковый транзисторный корпус и выполнены поверхностным монтажом (рис. 13.14).


Рис. 13.14. а — Усилительный каскад для области 10-200 МГц. б — Гибридная схема на керамической подложке.
Видны чипы конденсаторов, тонкопленочные индуктивности и резисторы, транзисторы и проволочные соединения (Watkins-Johnson Соmр.).