Искусство схемотехники. Том 3 (Изд.4-е) - Страница 44
13.04. Примеры высокочастотных усилителей
Как видно из сказанного выше, в высокочастотных усилителях, работающих от источника с умеренно высоким импедансом, доминировать может эффект Миллера. В этих случаях частота fT = 300 МГц и вычисленная для выходного каскада постоянная времени, соответствующая сопрягающей частоте 40 МГц, не влияют на характеристики схемы, которые определяются постоянной времени входной цепи, соответствующей сопрягающей частоте 280 кГц.
Три способа подавления эффекта Миллера. Помимо грубого подхода, заключающегося в том, чтобы просто сильно уменьшить сопротивление в цепи коллектора, имеется несколько интересных конфигураций, в которых обеспечено уменьшение выходного сопротивления каскада — источника сигнала или емкости обратной связи или обоих вместе. На рис. 13.7 приведены эти конфигурации, изображенные в самой простой форме, без цепей смещения и питания (т. е. показаны только цепи, определяющие сигнально-частотные характеристики).

Рис. 13.7. Упрощенные схемы высокочастотных усилителей, а — повторитель плюс усилитель с общим эмиттером; б — усилитель с общим эмиттером плюс усилитель с общей базой (каскодная схема); в — повторитель плюс усилитель с общей базой (дифференциальный усилитель).
В схеме а эмиттерный повторитель снижает выходное сопротивление источника, подключенного ко входу усилителя с общим эмиттером. Это значительно ослабляет отрицательное действие fT и КUСкб. В схеме б, известной как каскодное включение, каскад с общим эмиттером управляет каскадом с общей базой, тем самым сводя на нет эффект Миллера КUСкб (эмиттер Т4 имеет потенциал, фиксированный напряжением базы; он просто передает ток коллектора Т3 на Rн). В схеме в повторитель управляет каскадом с общей базой, причем эффект Миллера полностью отсутствует, и в то же время уменьшается выходное сопротивление управляющей цепи; это, по существу, обычная схема дифференциального усилителя с несбалансированными коллекторными резисторами и одним заземленным входом.
Другие приемы. Кроме этих схемных конфигураций имеются два других подхода к проблеме входной емкости и емкости обратной связи, а именно: а) использование одного простого усилителя с заземленной базой, если полное выходное сопротивление источника сигнала достаточно низко, и б) использование «настраиваемых» цепей на входе и выходе усилителя с общим эмиттером (или другой схемы) для «расстройки» эффектов межэлектродных емкостей. Заметим, что такие настраиваемые усилители не бывают широкополосными, а усиливают сигналы только в узкой области частот (что может быть весьма выгодно для некоторых применений). Кроме того, в таком усилителе может быть необходима нейтрализация. Узкополосные настраиваемые усилители будут обсуждаться в последних разделах этой главы. В качестве компромиссного «среднего» решения может использоваться корректирующая «пиковая» индуктивность в несколько микрогенри, включенная последовательно сопротивлению нагрузки коллектора для подавления емкостных эффектов и подъема усиления на частотах, несколько превышающих «естественную» частоту высокочастотного спада (рис. 13.8).

Рис. 13.8.
Чтобы можно было оценить высокочастотные характеристики схем на повторителях и каскадах с заземленной базой, следует построить простые эквивалентные схемы транзисторов по переменному току для этих конфигураций (рис. 13.9).

Рис. 13.9. Эквивалентные схемы, а — каскад с общей базой, б — эмиттерный повторитель.
Заметим, что в эквивалентной схеме эмиттерного повторителя сопротивления зависят от сопротивлений источника сигнала и нагрузки (как реактивных, так и омических). Мы применим эти модели в следующих примерах.
13.05. Пример проектирования широкополосной схемы
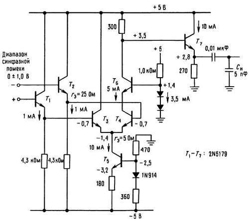
В качестве примера улучшенной модификации широкополосного усилителя рассмотрим схему на рис. 13.10, построенную так, чтобы снижение усиления, вызываемое эффектом Миллера, было полностью устранено. В ней используются эмиттерные повторители на входах (высокий входной импеданс) дифференциального усилителя; выходная нагрузка изолирована эмиттерным повторителем от каскадного выходного узла дифференциального усилителя. Схемное решение основано на использовании хорошего высокочастотного транзистора 2N5179 с fT = 1000 МГц (по паспорту h21э = 10 при 100 МГц) и Скб = 0,5 пФ при 2 В.

Рис. 13.10. Широкополосный дифференциальный усилитель.
Приближенная эквивалентная схема усилителя с обозначением p-n-переходов и паразитных емкостей приведена на рис. 13.11.

Рис. 13.11. Эквивалентная схема по переменному току для усилителя, изображенного на рис. 13.10. Низкая частота: Zвх ~= 40 кОм, КU = 300/10 = 30, Zвых = 8 Ом; для 2N5179: h21э ~= 70, Скб (2 В) = 0,5 пФ, Скэ= 0,2 пФ, h21э (100 МГц, 5 мА) = 10, Спар= 0,3 пФ.
Чтобы определить точку начала высокочастотного спада, надо рассмотреть каждый каскад, анализируя различные RC, используя соответствующие эквивалентные схемы. Обычно имеется один каскад, который имеет самую низкую граничную частоту, и часто интуитивно можно правильно угадать, какой именно. В данной схеме ограничивающим фактором является конечное полное сопротивление цепи базы каскада на Т7 (300 Ом) в сочетании с собственной емкостью Т7 и емкостью нагрузки Сн, частично шунтирующей базу Т7 (помните, что h21э изменяется приблизительно как 1/f, так что при высоких частотах развязывающее действие эмиттерного повторителя всерьез ослабляется).
Упрощенный метод расчета точки спада —3 дБ, который мы применим, будет состоять в следующем. Взяв эквивалентную схему эмиттерного повторителя на Т7, определим импеданс цепи базы при известных емкостях нагрузки, переходов и проводов (полагаем, что Скб = 0,5 пФ, Скэ = 0,2 пФ и Сп = 0,3 пФ).
Поскольку полное сопротивление цепи базы при известных емкостях нагрузки зависит от h21э, следовало бы рассчитать его как функцию частоты (положив h21э ~= 1/f на высоких частотах); но вместо этого оценим его при нескольких значениях частоты, предполагая, что точка — 3 дБ должна лежать где-то вблизи нескольких сот мегагерц. На рис. 13.12 дан итог этого процесса.
