Искусство схемотехники. Том 3 (Изд.4-е) - Страница 43
Рис. 13.3. Зависимость емкости коллектор — база от напряжения для нескольких распространенных биполярных транзисторов.
Емкость изменяется с напряжением приблизительно как С = k(U — U0)n, где n лежит в диапазоне от —1/2 до —1/3 для транзисторов, a U0 — постоянное напряжение, равное ~ 0,6 В.
Входная емкость Свх.э имеет другой характер, поскольку вы имеете дело с прямосмещенным переходом. В этом случае эффективная емкость резко растет с увеличением тока базы, так как U близко U0 и имеет мало общего с указанным в паспорте транзистора значением Свх.э. Однако оказывается, что эффективная емкость Свх.э увеличивается с ростом Iэ (и, следовательно, с уменьшением rэ), так что произведение RC(rбСвх.э) остается почти постоянным. В результате усиление транзистора на определенных частотах зависит в первую очередь от соотношения между током, «теряемым» на Свх.э, и током, который «действительно» идет в базу и несильно зависит от тока коллектора. Поэтому вместо того, чтобы задавать значение Свх.э, изготовители транзисторов обычно указывают fT — частоту, при которой усиление тока (h21э) падает до 1. Легко показать, что fT определяется выражением
fT = 1/2πСвх.эrэ, или Свх.э = 1/2π/fTrэ
для значений Свх.э и rэ, данных при некотором токе коллектора. Транзисторы, предназначенные для работы в диапазоне высоких частот, имеют fT от 500 МГц до 10 ГГц, в то время как у транзисторов общего назначения fT бывает от 50 до 250 МГц. На рис. 13.4 приведены кривые изменения fT в зависимости от тока коллектора для типичных транзисторов.

Рис. 13.4. Зависимость произведения усиления на ширину полосы (граничную частоту) fT от коллекторного тока для нескольких распространенных биполярных транзисторов.
13.03. Пример высокочастотных расчетов
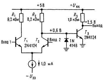
Применим нашу простую модель для конструирования высокочастотного широкополосного усилительного каскада. При этом будем учитывать влияние предварительного каскада, считая, что его выходное сопротивление известно. Покажем, что рассматриваемый усилитель сильно нагружает этот каскад и имеет плохие характеристики. Далее будут рассмотрены те параметры, которые определяют характеристики схемы, и показаны методы улучшения параметров путем изменений конфигурации схемы и ее рабочих точек. На рис. 13.5 показан фрагмент схемы.

Рис. 13.5.
Предполагается, что он является частью целой усилительной схемы с обратной связью по постоянному току, обеспечивающей стабилизацию точки покоя на уровне 1/2UКК; показанное на рисунке смещение не обеспечивает само по себе стабилизации. Поскольку нас интересуют высокочастотные характеристики, мы не будем в дальнейшем беспокоиться о том, как осуществляется смещение на самом деле. Заметим, что дифференциальный каскад имеет небольшую допустимую величину синфазного входного сигнала — приблизительно от +0,25 В до отрицательного напряжения, ограниченного рабочим диапазоном источника эмиттерного тока.
Анализ факторов, вызывающих снижение усиления на высоких частотах. Для дифференциального каскада коэффициент усиления и выходное сопротивление поддаются расчету, что дает возможность подробно проанализировать снижение усиления в выходном каскаде. Анализ коэффициента усиления усилительного каскада на Т3 будет состоять в следующем:
1. Находим усиление на низких частотах при нулевом сопротивлении источника. Затем определяем частоту, при которой усиление падает на 3 дБ (т. е. сопрягающую частоту), причем это снижение связано с влиянием входной емкости, емкости обратной связи и сопротивления нагрузки:
f-3 дБ = 1/2πRн(Сн+ Скб).
2. Определяем входной импеданс как сочетание полного входного сопротивления базы (rб и Свх.э) и эффективной емкости обратной связи (КUСкб).
3. Рассчитываем сопрягающую частоту, при которой падение усиления на 3 дБ связано с нагружением источника входным импедансом; сравнивая ее с «выходной частотой 3 дБ», вычисленной в п. 1, находим «узкое место» с точки зрения высоких частот.
4. Если необходимо, попробуем улучшить характеристики путем снижения требований к тем параметрам, которые вызывают спад усиления на высоких частотах.
Заметим, что емкость обратной связи Скб влияет на частотные характеристики как выходного, так и входного каскадов, причем в последнем случае она умножается на коэффициент усиления по напряжению (эффект Миллера).
Рассмотрим в соответствии со сказанным эквивалентную схему включения транзистора 2N4124 с параметрами Скб = 2,4 пФ при 2,5 В, h21э ~= 250 и fT = 300 МГц (рис. 13.6).

Рис. 13.6.
1. Предположим, что Т3 работает от источника напряжения, его коэффициент усиления по напряжению на низкой частоте равен 100, поскольку rэ = 10 Ом при токе коллектора 2,5 мА. Частота —3 дБ, вычисленная по выходной емкости, приблизительно равна 40 МГц (2,4 пФ параллельно 2 пФ шунтируют 1,0 кОм). Заметим, что в этом простом расчете мы не учитываем емкость нагрузки и паразитную емкость проводов.
2. Входное сопротивление, параллельное емкости Миллера (240 пФ) и Свх.э, приблизительно равно 2,5 кОм (h21эrэ); емкость Свх.э находится по формуле, приведенной выше, и равна ~ 53 пФ.
3. Верхняя сопрягающая частота, связанная с входной емкостью, при грубом расчете получается равной 280 кГц (R = 8,2 кОм параллельно 2,5 кОм; С = 240 пФ + 53 пФ) и определяется емкостью эффекта Миллера КUСкб в комбинации с относительно высоким сопротивлением цепи базы. Заметим, что усиление фактически на низкой частоте меньше 100, если считать, что входной сигнал равен сигналу на ненагруженном выходе дифференциального каскада, так как предварительный каскад работает на низкое входное сопротивление; с учетом этого эффекта усиление на низких частотах фактически получается равным 100·2,5/(2,5 + 8,2), т. е. приблизительно 23.
Чрезмерная нагрузка предварительного каскада и низкая сопрягающая частота указывают на то, что схема построена плохо, но рассмотрение ее дает возможность увидеть практические трудности конструирования высокочастотных усилителей. Чтобы улучшить характеристики, надо либо значительно уменьшить полное сопротивление в цепи коллектора, либо использовать иную конфигурацию усилителя. В следующем разделе мы обсудим несколько наиболее популярных схем высокочастотных усилителей, в которых эффекты, связанные с емкостью входа (fT) и емкостью обратной связи (КUСкб, эффект Миллера), уменьшены или полностью отсутствуют.