Искусство схемотехники. Том 3 (Изд.4-е) - Страница 42
Более серьезная проблема возникает, когда забракованные партии попадают в руки мелких торговцев. Очень часто встречаются подделки, так как машины, выпускающие ярлыки, стоят недорого. По нашему опыту, крупные поставщики (такие, как Arrow, Hamilton/Avnet, Newark, Schweber и Wyle) надежны, по крайней мере если судить по изделиям, действительно ими поставленным. Большинство торговых точек, по-видимому распространяют хорошие товары, но здесь есть элемент риска. Будьте подозрительны по отношению к ИМС без даты выпуска. Поскольку отыскание неисправных ИМС в схеме требует много сил и времени, рекомендуем вам покупать все ИМС у одного и того же поставщика, даже если цены будут относительно высоки. Тем не менее, две ведущие фирмы, чьими изделиями мы с успехом пользуемся, — то Digi-Кеу (богатый каталог; Thief River Falles, MN) и Microprocessors UnUmited (компьютерные чипы; Beggs, OK).
Глава 13
ВЫСОКОЧАСТОТНЫЕ И БЫСТРОДЕЙСТВУЮЩИЕ ПРИБОРЫ
Высокочастотные усилители
Перевод И. И. Короткевич
В этой главе обсуждаются важные особенности техники высоких и радиочастот, в том числе эквивалентные схемы для высоких частот и быстродействующие ключи. Высокочастотные приборы находят широкое применение в области связи и радиовещания, а также в лабораторных установках для проведения радиочастотных измерений (резонансные явления, плазма, ускорители частиц и т. п.). Быстродействующие ключи являются неотъемлемыми элементами вычислительных машин и других цифровых устройств. Высокочастотные и быстродействующие приборы — это линейные и цифровые устройства, работающие в той области частот, где работа схем начинает определяться эффектами межэлектродных емкостей, индуктивностями проводов, накоплением зарядов и длинами волн. Благодаря таким причудливым конструкциям, как полосковые выводы, волноводы или приборы вроде диодов Ганна, клистронов и ламп бегущей волны, схемотехника в этой области частот существенно отличается от техники низких частот. Чтобы представить уровень наших возможностей, скажем, что промышленностью выпускаются цифровые ИМС (счетчики и т. п.), которые работают с импульсами частотой 3 ГГц и выше, а также элементы линейных схем (усилители и т. п.), которые работают на частотах выше 100 ГГц.
Мы начнем с обсуждения высокочастотных транзисторных усилителей как на биполярных, так и на полевых транзисторах и приведем несколько примеров. Затем перейдем к радиочастотным приборам, дадим общее представление о линиях связи и методах модуляции и детектирования. В конце мы более подробно рассмотрим быстродействующие ключи. В силу того, что эти вопросы носят узкоспециальный характер, эту главу при первом прочтении можно пропустить.
13.01. Транзисторный усилитель на высоких частотах в первом приближении
В усилителях, которые мы обсуждали выше (такие, как усилители с общим эмиттером и с резисторной коллекторной нагрузкой), коэффициент усиления снижается с ростом частоты сигнала, как правило, из-за действия паразитных емкостей нагрузки и соединительных проводов. На рис. 13.1 это показано пока в упрощенном виде.

Рис. 13.1.
Эффективная емкость между коллектором и землей Сн в сочетании с коллекторной нагрузкой Rн образует фильтр низких частот с постоянной времени RнСн. Эта эквивалентная схема приведена с учетом того, что для сигнала U+ то же самое, что и земля. В Сн входят емкости между коллектором и эмиттером, между коллектором и базой, а также емкость нагрузки: На частотах, приближающихся к f = 1/RнСн, усиление начинает быстро падать.
Уменьшение влияния емкости нагрузки. Простейшие методы уменьшения емкостной нагрузки заключаются в учете и уменьшении произведения RнСн, например:
1. Выбираются биполярные или полевые транзисторы с малой емкостью между электродами (как самих p-n-переходов, так и между внешними выводами); такие транзисторы обычно обозначаются как радиочастотные или ключевые транзисторы.
2. Нагрузка отделяется эмиттерным повторителем, что способствует уменьшению емкостной нагрузки на коллектор.
3. Уменьшается Rн. Если при этом Iк поддерживать постоянным, то коэффициент усиления падает из-за уменьшения gmRн. Вспомним, что для транзисторов gm =1/rэ или Iк (мА)/25 для усилителей с заземленным эмиттером. Чтобы сохранить коэффициент усиления постоянным при уменьшении Rн, необходимо увеличить ток коллектора, сохраняя U+ постоянным. Таким образом, fмакс ~= 1/RнСн и прямо пропорционально Iк/Сн, что вполне справедливо для больших токов, часто используемых в высокочастотных схемах.
13.02. Высокочастотные усилители: модели для переменного тока
Емкость нагрузки не только уменьшает коэффициент усиления усилителя на высоких частотах. Как мы упоминали выше (см. обсуждение эффекта Миллера в гл. 2), емкость обратной связи (Скб), будучи включенной между выходом и входом, может доминировать в спаде усиления на высоких частотах, особенно если полное сопротивление источника входного сигнала высоко. Чтобы определить, на каких частотах усиление начнет падать и как этого избежать, можно использовать относительно простую модель транзистора или ПТ. Как это делается, покажем на примере высокочастотного усилителя.
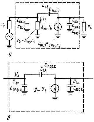
Эквивалентная схема для переменного тока. Приведенные на рис. 13.2 эквивалентные схемы каскадов с общим эмиттером (или истоком) представляют собой простейший вариант; их не без оснований используют при оценке характеристик быстродействующих устройств. Обе модели очевидны. В схеме биполярного транзистора Свх.э (обозначается также Свх. б или Сбэ; заметим, что название относится либо к емкости входа, либо к емкости выхода) есть входная емкость, rб — импеданс цепи базы, Скб - емкость обратной связи (Миллера) и Скэ - емкость между коллектором и эмиттером. Модели с источником тока определяют усиление транзистора на частотах сигнала. Схема полевого транзистора аналогична, но емкости имеют другие обозначения и она значительно проще из-за бесконечного входного сопротивления.

Рис. 13.2. Эквивалентные схемы для ВЧ биполярного (а) и полевого (б) транзисторов.
Влияние коллекторного тока и напряжения на емкости транзистора. Емкости обратной связи и выходной цепи (Скб , Ссз, Скэ и т. д.) включают в себя небольшие емкости транзисторных выводов и относительно большие емкости полупроводниковых переходов. Последние ведут себя подобно обратносмещенным диодам, у которых емкость постепенно снижается с увеличением обратного смещения, как показано на рис. 13.3 (этот эффект используется в конденсаторах, управляемых напряжением, известных под названием «варикапы», или «варакторы»).
