Искусство схемотехники. Том 2 (Изд.4-е) - Страница 94
где X — матрица данных, TS — интервал времени между отсчетами (т. е. TS = 1/tотс), а ТС — выбранная постоянная времени фильтра. Эта маленькая программа осуществляет фильтрацию на месте, т. е. она заменяет первоначальные данные отфильтрованными. Можно, конечно, создавать из отфильтрованных данных отдельный массив.
НЧ-фильтр с коммутацией. Такой же фильтр можно построить аппаратным путем, используя схему, показанную на рис. 9.92.

Рис. 9.92. Рекурсивный фильтр на коммутируемых конденсаторах.
Ключи на полевых транзисторах S1 и S2 коммутируются с некоторой тактовой частотой, периодически заряжая конденсатор С1 до входного напряжения и затем передавая его заряд на конденсатор С2. Если С2 имеет напряжение U2, а С1 заряжается до входного уровня U1, то при подключении С1 к С2 напряжение на обоих конденсаторах будет определяться соотношением U = (С1U1 + С2U2)/(C1 + С2), что эквивалентно рассмотренному ранее рекурсивному фильтру при
уi= С2/(C1 + C2)уi-1 + С1/(C1 + C2)xi.
Приравнивая эти коэффициенты к заданному ранее значению А, получим
f3 дB = (1/2π)fотсln(C1 + C2)/C2.
Упражнение 9.8. Покажите, что этот результат правилен.
Этот фильтр практичен во всех отношениях и обладает одной привлекательной особенностью — электронной настройкой посредством тактовой частоты fотс. В обычных схемах используются КМОП-ключи, а емкость С1 берется много больше С2. Поэтому сигнал переключения должен быть несимметричным и большую часть времени тратить на замыкание S1.
Приведенная схема представляет собой простой пример фильтра с коммутацией; в этот класс фильтров входят фильтры, выполненные на матрицах коммутируемых конденсаторов. Они имеют периодическую частотную характеристику, что делает их удобными для использования в качестве гребенчатых и узкополосных режекторных фильтров.
Для всех фильтров классического типа (Баттерворта, Чебышева и т. п.) можно построить их приближенные дискретные аналоги в форме ВЧ, НЧ, полосовых и заграждающих фильтров, как симметричных во времени, так и с истинным временем запаздывания. Такие фильтры очень удобны при обработке квантованных данных, перед которыми, безусловно, большое будущее.
В настоящее время выпускают большое число недорогих ИМС фильтров с коммутируемыми конденсаторами. ИМС MF4 фирмы National, например, является 4-звенным НЧ-фильтром Баттерворта, размещенным в корпусе мини-DIP; он не требует внешних компонентов и работает от одного источника питания с напряжением от +5 до +14 В. Частота среза фильтра (0,1 Гц мин. и 20 кГЦ макс.) устанавливается с помощью внешней тактовой частоты fтакт = 100f3 дB. ИМС MF5 и MF10 («универсальные фильтры с коммутируемыми конденсаторами») работают несколько иначе. С помощью внешних резисторов устанавливаются тип фильтра (ВЧ, НЧ, полосовой, заграждающий) и характеристика фильтра (Баттерворта, Чебышева и т. п.), а с помощью тактовой частоты, как и раньше, устанавливается частота среза. Другими изготовителями фильтров с коммутируемыми конденсаторами являются фирмы American Microsystems (AMI), Linear Technology (LTC) и Reticon. Фирма LTC как всегда использовала несколько хитроумных приемов для улучшения технических характеристик. Ее фильтры LTC1062 и МАХ280 похожи на MF4, но являются 5-звенными и имеют нулевую ошибку на постоянном токе! Последнее свойство реализовано путем размещения фильтра вне пути постоянного тока (рис. 9.94).

Рис. 9.94. Цифровой НЧ-фильтр с малым сдвигом по постоянному току.
Гибкие фильтры серии МАХ260 допускают управление важными параметрами фильтра от микропроцессора. Вообще говоря, такие фильтры с коммутируемыми конденсаторами работают только на верхнем конце звукового диапазона. В них также наблюдается существенное проникновение тактовой частоты на выход обычно в пределах 10–25 мВ. Это ограничивает их динамический диапазон в тех применениях, где тактовая частота находится внутри полосы пропускания (например, ВЧ-фильтры). Они могут иметь значительный шум, ограничивающий динамический диапазон до 80 дБ и менее (сравните со 140 дБ и выше для хорошего операционного усилителя). С другой (положительной) стороны, фильтры на коммутируемых конденсаторах просты в применении и позволяют осуществлять эффективную настройку (с помощью тактовой частоты). Фильтры такого типа широко используют в модемах (при передаче данных по телефонным линиям) и в других областях связи. См. разд. 5.11.
Формирование синусоидальных колебаний цифровым способом. С нерекурсивной цифровой фильтрацией связан интересный способ синтеза синусоидальных колебаний с использованием взвешенных сумм сигналов с выходов счетчика Джонсона (кольцевой счетчик с коэффициентом пересчета, вдвое превышающим число разрядов). Схема на рис. 9.93 показывает способ реализации такого генератора.

Рис. 9.93. Цифровой генератор синусоидальных сигналов.
ИМС 4015 представляет собой 8-разрядный регистр сдвига с параллельным выходом. Подавая на вход инвертированный сигнал с последнего разряда, можно организовать счетчик Джонсона, который будет проходить через 16 состояний (в общем случае 2n состояний для n-разрядного регистра сдвига). Начиная с состояния «все нули», происходит заполнение счетчика слева направо «1» (марш «1») до полного заполнения всеми единицами, затем начинается марш «0» и т. д. Показанное на рисунке взвешивание формирует 8-уровневое приближение к синусоидальному колебанию с частотой, равной 1/16 тактовой частоты, и с первым ненулевым членом искажения на 15-й гармонике, имеющей затухание 24 дБ.
Схемы, не требующие пояснений
9.39. Удачные схемы
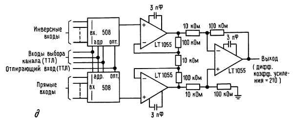
На рис. 9.95 приведено несколько примеров сопряжения логических и линейных схем.

Рис. 9.95. а — преобразователь отрицательных уровней в уровни ТТЛ; б — управление нагрузкой; подключенной на землю;

Рис. 9.95. в — амплитудный дискриминатор; г — схема управления соленоидом;

Рис. 9.95. д — 8-канальный мультиплексор с дифференциальным входом;