Искусство схемотехники. Том 2 (Изд.4-е) - Страница 87
9.29. Пример разработки: умножитель частоты
Формирование частоты, кратной фиксированной входной частоте, является одним из наиболее распространенных применений ФАПЧ. В частотных синтезаторах частота выходного сигнала формируется за счет умножения частоты стабильного низкочастотного (допустим, 1 Гц) сигнала на целое число n; число n можно задавать в цифровом виде, т. е. вы получаете гибкий источник сигналов, которым можно управлять даже с помощью компьютера.
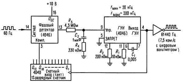
Можно использовать ФАПЧ в более прозаических системах, например, для того чтобы генерировать тактовую частоту, синхронизированную с некоторой другой эталонной частотой, которая уже имеется в приборе. Предположим, что мы хотим получить тактовые сигналы частотой 61440 Гц для двухстадийного АЦП. Такая частота обеспечивает производительность 7,5 измерений в секунду, причем на первой стадии (подъеме) потребуется 4096 периодов синхронизации (напомним, что в двухстадийном преобразовании используется постоянный временной интервал) и на второй стадии (разряд постоянным током) может потребоваться до 4096 периодов. Уникальная особенность схемы ФАПЧ заключается в том, что тактовую частоту 61440 кГц можно засинхронизировать с сетевой частотой 60 Гц (61440 = 60x1024), полностью подавив тем самым помехи на частоте 60 Гц, которые, как мы уже обсуждали в разд. 9.21, присутствуют на любом сигнальном входе преобразователя.
Начнем со стандартной схемы ФАПЧ, в которой между выходом ГУН и фазовым детектором включен счетчик-делитель на n (рис. 9.72).

Рис. 9.72. Блок-схема умножителя частоты.
На этой схеме для каждого функционального блока указан коэффициент передачи. Это понадобится нам для проведения расчетов по устойчивости. Обратите особое внимание на то, что фазовый детектор преобразует фазу в напряжение, а ГУН — напряжение в производную фазы по времени (т. е. частоту). Отсюда важное следствие — если фазу в самой нижней части схемы рассматривать как переменную, то ГУН будет действовать как интегратор. Фиксированное входное напряжение рассогласования приводит к линейно возрастающему фазовому рассогласованию на выходе ГУН. Фильтр нижних частот и делитель на n имеют коэффициенты передачи меньше единицы.
Устойчивость и фазовые сдвиги. На рис. 9.73 показаны диаграммы Боде, с помощью которых можно оценить устойчивость ФАПЧ второго порядка. ГУН работает как интегратор с характеристикой 1/f и запаздывающим фазовым сдвигом 90° (т. е. его характеристика пропорциональна 1/fω, а конденсатор заряжается от источника тока). Для того чтобы иметь приличный запас по фазе (разность между 180° и фазовым сдвигом на частоте, при которой общий коэффициент передачи контура равен 1), в фильтр нижних частот последовательно с конденсатором включают резистор для того, чтобы приостановить спад характеристики на некоторой частоте (с причудливым названием «нуль»).
Комбинация этих двух характеристик дает показанную на рисунке характеристику контура. До тех пор пока спад коэффициента передачи контура будет составлять 6 дБ/октава (в области единичного коэффициента передачи), контур будет устойчив. Это делается с помощью фильтра нижних частот по типу «опережение — отставание» с соответствующим образом выбранными свойствами (точно также, как компенсация опережения-отставания в операционных усилителях). Дальше вы увидите, как это делается.

Рис. 9.73. Диаграммы Боде ФАПЧ.
Расчет коэффициента передачи. На рис. 9.74 приведена схема ФАПЧ для синтезатора частоты 61440 Гц. Фазовый детектор и ГУН входят в состав КМОП ИМС ФАПЧ 4046. В этой схеме мы использовали вариант фазового детектора с запуском по фронту (в ИМС 4046 имеются оба варианта).

Рис. 9.74. Применения умножителя ФАПЧ для формирования тактовых сигналов, синхронных с частотой сети переменного тока.
Его выходной сигнал вырабатывается двумя КМОП-транзисторами, которые формируют насыщенные импульсы с уровнями UCC или 0 В. Фактически, это выход с тремя состояниями, как было изложено выше, поскольку он находится в состоянии высокого импеданса, за исключением интервала времени, когда действует импульс фазового рассогласования.
Минимальная и максимальная частоты ГУН, соответствующие управляющим напряжениям 0 В и UCC, устанавливаются подбором величин R1, R2 и С1 согласно некоторым схемным характеристикам. Выбранные нами величины показаны на рисунке. Следует отметить, что ИМС 4046 страдает «хроническим заболеванием» — повышенной чувствительностью к напряжению питания, поэтому проверяйте характеристики по паспортным данным. Остальные компоненты контура выбираются по стандартным для ФАПЧ процедурам.
После того как необходимый диапазон ГУН выбран, остается лишь произвести расчет фильтра нижних частот. Это очень ответственная часть. Начнем с того, что выпишем составляющие коэффициента передачи контура, учитывая каждую компоненту (табл. 9.7 и рис. 9.72).
Придерживайтесь одних и тех же единиц измерения; не переходите с f на ω, или, что еще хуже, с герц на килогерцы. Нам осталось определить только Кф. Сделаем это, записав общее выражение для коэффициента передачи контура, но не забывая, что ГУН — это интегратор,
Yвых =
Общий коэффициент передачи контура равен

Теперь наступает этап выбора частоты, на которой коэффициент передачи контура должен проходить через единицу. Идея заключается в том, что частота единичной передачи выбирается достаточно высокой, чтобы контур мог должным образом отслеживать изменения входной частоты, но и достаточно низкой, чтобы обеспечить свойства «маховика» и сглаживать помехи и скачки входного сигнала.
Например, система ФАПЧ, предназначенная для демодуляции входных ЧМ-сигналов или декодирования последовательностей высокоскоростных тональных сигналов, должна иметь высокое быстродействие (для входных ЧМ-сигналов полоса пропускания контура должна соответствовать входному сигналу, т. е. равняться максимальной частоте модуляции, а для декодирования тональных сигналов время отклика должно быть меньше, чем продолжительность тонального сигнала). С другой стороны, контур, предназначенный для генерации фиксированной частоты, кратной некоторой стабильной и медленно меняющейся входной частоте, должен иметь низкую частоту единичной передачи. Это позволит уменьшить фазовый шум на выходе и сделать систему ФАПЧ нечувствительной к шумам и выбросам на входном сигнале. Будут едва заметны даже кратковременные пропадания входного сигнала, поскольку напряжение, запоминаемое на конденсаторе фильтра, заставит ГУН продолжать формирование той же самой выходной частоты.
В данном случае мы выбрали частоту единичной передачи f2, равной 2 Гц или 12,6 рад в секунду. Это значительно ниже опорной частоты и вряд ли можно ожидать, что реальные отклонения сетевой частоты превысят эту величину (следует учитывать, что электроэнергия вырабатывается крупными генераторами с огромной механической инерцией). По негласному правилу точку излома характеристики фильтра нижних частот (ее «нуль») следует выбрать на частоте по крайней мере в 3–5 раз ниже, чтобы обеспечить достаточный запас по фазе. Вспомните, что фазовый сдвиг простой RC-цепи меняется от 0 до 90° в диапазоне частот от 0,1 до 10 относительно частоты — 3 дБ («полюс»), при которой сдвиг равен 45°. Выберем частоту нуля f1 равной 0,5 Гц, или 3,1 рад/с (рис. 9.75).