Искусство схемотехники. Том 2 (Изд.4-е) - Страница 83
Рис. 9.60. 22-разрядный интегрирующий АЦП AD1175K.
(С разрешения фирмы Analog Devices.)
Чтобы получить представление о том, что это значит, рассмотрите другой вариант — настольный (или стоечный) измерительный прибор, стоимость которого, как правило, достигает 4000 долл. и который выполняет 2 преобразования в секунду. Для сравнения: AD1175 занимает объем 10 куб. дюймов, потребляет 3 Вт и стоит 800 долл. Он содержит внутренний микропроцессор и допускает грубую установку усиления и сдвига по своей цифровой шине (которая используется и для ввода команд и для вывода преобразованных данных).
Преобразователи для видеосигналов HDG0807 и AD9502. Эти преобразователи — это как раз то, что нужно для цифровых видеосигналов (рис. 9.61 и рис. 9.62).

Рис. 9.61. ЦАП композитного видеосигнала HDG0807.
(С разрешения фирмы Analog Devices.)

Рис. 9.62. АЦП композитного видеосигнала типа AD9502.
(С разрешения фирмы Analog Devices.)
Преобразователь HDG0807 представляет собой 8-разрядный ЦАП с уровнями стандартных видеосигналов и с выходным импедансом 75 Ом. Более того, он даже формирует правильные «композитные синхроимпульсы», совмещаемые с аналоговым видеосигналом для образования полного выходного видеосигнала. Преобразователь полностью готов к применению, обладает высоким быстродействием (до 50 МГц) и доступен. Монолитной основой этого гибридного преобразователя является схема AD9700; работает она на частотах до 100 МГц.
АЦП для видеосигналов AD9502 выполняет обратную работу, а именно, осуществляет дискретизацию входного видеосигнала. Он выделяет из аналогового композитного сигнала синхроимпульсы, использует контур ФАПЧ для формирования синхроимпульсов элементов изображения, синхронизированных с разверткой, и затем преобразует аналоговое напряжение в 8-разрядную цифровую величину. Он может выполнять преобразование на частоте до 13 МГц, генерируя выходы в цифровом виде с экранным разрешением 512x512.
9.23. Выбор АЦП
Как и в случае ЦАП, мы сгруппировали АЦП (табл. 9.5 и табл. 9.6) так, чтобы охватить весь диапазон технических характеристик и стоимости. Мы старались включить как наиболее распространенные блоки, так и те, которые появились недавно и выйдут победителями в следующем году.
При выборе АЦП следует учитывать ряд факторов: а) точность, б) быстродействие, в) точность установки (требуется ли подстройка, гарантируется ли монотонность), г) необходимые питающие напряжения (некоторые работают только от +5 В) и мощность рассеивания, д) небольшой корпус, е) источник опорного напряжения и генератор тактовых импульсов (внутренний или внешний? Если внешний опорный источник, то подойдет ли +5 В? Если внутренний, то доступен ли он снаружи, например для логометрических измерений? Хорошо ли это? Можно ли его нагрузить?), ж) входной импеданс и диапазон аналогового напряжения (однополярный, двухполярный или и то, и другое?), з) входная схема (дифференциальный? Внутренний мультиплексор или выборка с запоминанием? Инвертированная полярность, т. е. более отрицательный сигнал для большего выхода?), и) выходная схема (параллельный, последовательный, либо и то, и другое? Является ли параллельный выход совместимым с микропроцессором как часть отдельно активизируемых байтовых групп?) и, конечно, к) стоимость.
Полные А/Ц-подсистемы. Если вам нужны АЦП высокой точности, особенно с входным мультиплексором и выборкой с запоминанием, вы должны внимательно присмотреться к «А/Ц-подсистемам», которые предлагают ряд изготовителей. Они представляют собой обычно модули (а не ИС), выполненные в виде металлической коробки высотой 0,4 дюйма с размерами 2x4 дюйма (или 3x5); выводы модуля сопрягаются с помощью специальной колодки (или запаиваются непосредственно в печатную плату). Эти преобразователи не дешевы, но они исключительно просты в использовании. Более того, изготовители решили ряд действительно сложных проблем, которые не позволяли осуществить преобразование с высокой разрешающей способностью — наводки, изоляция цифровых и аналоговых узлов, стабильное опорное напряжение, сдвиги усилителя и т. п.
Типичным представителем этих устройств является DT-5716 фирмы Data Translation (рис. 9.63).

Рис. 9.63. Модульная АЦП-система DT5716.
Этот модуль имеет 16 несимметричных (или 8 дифференциальных) входов с аналоговым мультиплексором на входе, за которым следуют схема выборки и запоминания, усилитель с регулируемым коэффициентом усиления и 16-разрядный АЦП. Он может осуществлять преобразование на частоте 20 кГц и имеет двухбайтовую организацию выхода, которая упрощает сопряжение с микропроцессорной шиной (см. гл. 10 и 11).
Модули А/Ц-подсистем выпускаются с разрашающей способностью от 12 до 16 разрядов как с входным мультиплексором, так и без него. Вы действительно платите за высокую точность и высокое быстродействие и большинство выпускаемых модулей существенно дешевле, чем упомянутые ранее блоки. К примеру, модули серии DAS1157-9 фирмы Analog Devices представляют собой одноканальные преобразователи с разрешающей способностью от 14 до 16 разрядов и пропускной способностью, соответствующей 18 кГц; стоят они меньше 300 долл. в партии из 100 шт. Вы можете приобрести преобразовательные модули нескольких фирм, включая Analog Devices, Analogic, Data Translation и Intech.
Примеры А/Ц-преобразования
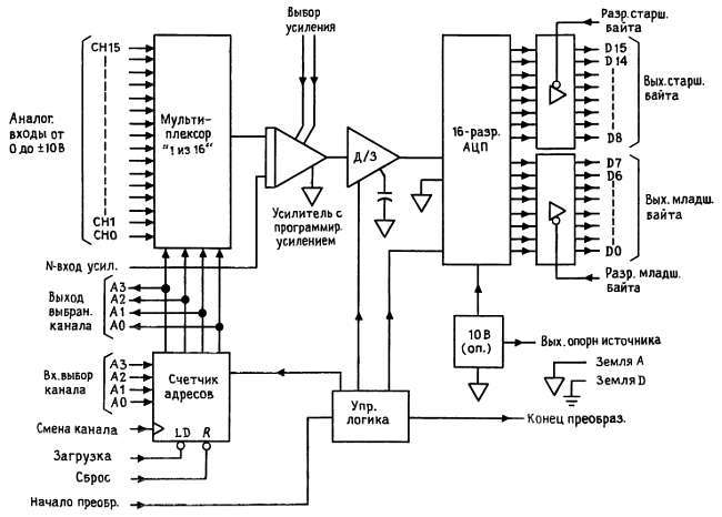
9.24. 16-канальная А/Ц-система сбора данных
На рис. 9.64 показана схема, предназначенная для преобразования в цифровую форму любой из 16 аналоговых входных величин с 12-разрядным кодом на выходе. С ее помощью можно организовать «передний край» в эксперименте сбора данных под управлением микропроцессора.

Рис. 9.64. 12-разрядный 16-канальный АЦП последовательного приближения (50 мкс на преобразование).
ИС HI-506 представляет собой 16-канальный аналоговый МОП-мультиплексор с цифровыми входами, совместимыми с МОП-логикой. Этот своеобразный мультиплексор имеет несколько очень приятных свойств. В частности, его ключи являются разновидностью ключей с «размыканием перед срабатыванием». Это означает, что при смене адреса на мультиплексоре различные входные каналы не замыкаются друг с другом. Более того, входные сигналы могут уходить за пределы напряжения питания и при этом не будет возникать эффект «тиристорного защелкивания» или перекрестные помехи между входами. Учтите эти соображения, когда будете подыскивать себе линейные ключи. Они иногда могут породить проблемы. Например, «размыкание перед срабатыванием» снижает время переключения, поскольку «срабатывание» необходимо задержать для того, чтобы дать возможность ключу разомкнуться.
Единственный аналоговый выход мультиплексора поступает на схему LF398 — монолитный усилитель с выборкой и запоминанием (рис. 4.41) в удобном 8-выводном корпусе DIP (цена 2 долл.). Эта ИС используется как схема «слежения и запоминания», фиксирующая аналоговое колебание только с началом преобразования. С использованием конденсатора 1000 пФ выход схемы устанавливается до 1 МЗР за 0,5 мкс и снижается менее, чем на 3 мкВ за последующие 12 мкс преобразования. AD7572-3TO превосходный маломощный 12-разрядный АЦП с внутренними источником опорного напряжения и тактовым генератором; он имеет удобные управляющие сигналы для сопряжения с микропроцессором, включая возможность мультиплексирования 12-разрядного результата на 8 линий («байтовая шина данных») за два последовательных цикла.