Искусство схемотехники. Том 2 (Изд.4-е) - Страница 69



Рис. 9.20. Управление нагрузками с выходов n-МОП-элементов.
В первой схеме низкий выход n-МОП-элемента отбирает ток 2 мА, переводя pnp-транзистор в состояние полной проводимости. На второй схеме npn-транзистор схемы Дарлингтона переключается в открытое состояние малым выходным током n-МОП-элемента, находящегося в состоянии высокого уровня. В этой схеме ВЫСОКИЙ выход фиксируется на уровне падения напряжения на двух диодах выше земли, что может показаться не совсем «дружелюбным» обстоятельством, но оказывается, что выходы n-МОП-элементов проектируются с таким расчетом, чтобы их можно было таким образом закорачивать на землю; причем достаточно малые выходные токи получают возможность управлять базой транзистора с заземленным эмиттером в схеме Дарлингтона без нарушения работоспособности. Типовой n-МОП-выход может отдавать 2 Μ А при +1,5 В в базу схемы Дарлингтона, при этом способность выхода отводить ток для таких схем, как «сшестеренная» матрица Дарлингтона, составит 250 мА при 1 В. В серию ULN фирмы Sprague входят несколько сшестеренных и октальных матриц Дарлингтона в корпусах типа DIP.
9.10. Оптоэлектроника
В двух предыдущих главах мы использовали светодиоды и цифровые индикаторные приборы на светодиодах в различных примерах схем по мере необходимости. Светодиоды относятся к обширной области оптоэлектроники, которая включает в себя и устройства отображения на основе других технологий, а именно, жидких кристаллов, люминесцентных и газоразрядных приборов. Эта область включает также оптические электронные устройства, которые используются не только как индикаторы и дисплеи; к ним относятся оптроны, твердотельные реле, датчики положения («прерыватели»), диодные лазеры, матричные детекторы («приборы с зарядовой связью», ПЗС), электронно-оптические преобразователи и большое разнообразие компонентов, используемых в волоконной оптике.
Хотя мы будем и дальше использовать в качестве примеров различные «волшебные» приборы по мере их необходимости, нам представляется уместным обратиться к области оптоэлектроники, поскольку с ней связаны некоторые обсуждаемые здесь проблемы сопряжения логики.
Индикаторы. Электронные приборы выглядят более привлекательно и проще в применении, если на них есть разноцветные лампочки. В этой области светодиоды полностью вытеснили все предыдущие технологии. Вы можете приобрести красные, желтые и зеленые индикаторы, причем в различных корпусах, наиболее удобными из которых являются лампы для монтажа на панели и различные типы индикаторов для монтажа на печатной плате. Каталоги представляют поразительное их разнообразие по размерам, цвету, светоотдачи и углу излучения. Последняя характеристика требует некоторого пояснения: в так называемые «заливные» светодиоды вводится специальное рассеивающее вещество, поэтому их свечение в широком диапазоне угла зрения одинаково; во многих случаях это хорошо, но за это вы расплачиваетесь яркостью.
С электрической точки зрения светодиод представляет собой обычный диод с прямым падением напряжения около 2 В (при изготовлении светодиодов используют фосфид арсенида галлия, обладающий более широкой запрещенной зоной и, следовательно, большим падением напряжения в прямом направлении, чем кремний). Типичные «заливные» светодиоды панельного типа дают хорошее свечение при прямом токе 10 мА; в углубленной части прибора можно обойтись обычно 2÷5 мА, особенно если используются светодиоды с малым углом излучения.
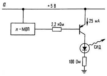
На рис. 9.21 показаны способы управления индикаторами на светодиодах.




Рис. 9.21. Управление светодиодными индикаторами.
Большинство схем очевидно, однако заметьте, что, поскольку биполярные ТТЛ-элементы имеют небольшой ток отдачи, схему приходится строить так, чтобы низкий логический уровень включал светодиод; для сравнения отметим, что КМОП-семейства симметричны относительно нагрузочной способности по току. n-МОП-схемы, как и биполярные ТТЛ-схемы, обладают слабой отдачей тока, к тому же их способность к отводу тока весьма ограничена, поэтому следует использовать буфер (например, вентиль НСТ) или дискретный полевой транзистор. Учтите также, что некоторые индикаторы на светодиодах выпускаются с внутренними токоограничивающими резисторами (или даже с внутренней схемой фиксации тока); в этих случаях внешний резистор можно не ставить.
Можно использовать небольшие матрицы индикаторов, наборы из 2, 4 или 10 светодиодов в ряд, предназначенные для монтажа на печатной плате. Последние используются чаще всего для вывода данных в виде линейных гистограмм. Они выпускаются как для вертикального монтажа, так и для монтажа под прямым углом. Можно также использовать индикаторы для монтажа на панели, в которых объединены красные и зеленые светодиоды в одном корпусе. Панель при этом становится выразительнее, — плохие и хорошие условия отображаются разными цветами. Мы используем индикаторы на светодиодах, выпускаемые такими фирмами, как Dailight, General Instrument, HP, Panasonic, Siemens и Stanley. Последняя специализируется на лампах необычайно высокой эффективности; вы можете узнать эти приборы на выставках по электроники по изумленным взглядам посетителей.
Дисплеи.Дисплеем называют оптоэлектронный прибор, который может отобразить цифру (цифровой дисплей), 16-ричную цифру, т. е. 0–9 и A-F (16-ричный дисплей) или любую букву или цифру (буквенно-цифровой дисплей). В настоящее время доминирующими технологиями производства дисплеев являются светодиоды и жидкие кристаллы. Жидкокристаллические дисплеи (ЖКД) — это новейшая технология, которая обладает существенными преимуществами для батарейного оборудования, поскольку имеет очень низкую мощность рассеивания, для оборудования, находящегося на открытом воздухе или в условиях высокой внешней освещенности, для создания дисплеев с заказными формами и символами и дисплеев с большим числом цифр и букв. С другой стороны, светодиоды несколько проще в применении, особенно, если вам нужно всего несколько цифр или букв. Кроме того, они выпускаются трех цветов и хорошо выглядят в условиях пониженной освещенности, где их показания легче считываются, чем показания ЖКД.
В области дисплеев на большое число символов, скажем, на одну или две строки текста, с ЖКД конкурируют газоразрядные (плазменные) дисплейные панели, особенно в том случае, когда требуется ясность и контрастность. Вместе с тем плазменные дисплеи потребляют большую мощность, поэтому для батарейного оборудования лучше использовать ЖКД.
Дисплеи на светодиодах. На рис. 9.22 показаны разновидности дисплеев на светодиодах.

Рис. 9.22.
Простейшим является 7-сегментный дисплей; он может отображать цифры 0–9 и шесть букв расширения (A-F), хотя последние отображаются несколько неуклюже (AbcdEF). Вы можете приобрести односимвольные 7-сегментные дисплеи самых разных размеров и дисплеи в виде «палочек» по 2, 3, 4 или 8 символов (обычно они предназначены для мультиплексирования — символы отображаются по одному быстро следуя друг за другом). Односимвольные дисплеи имеют выводы для 7 сегментов и общего электрода; таким образом, возможны две разновидности дисплеев — с общим катодом и с общим анодом. В дисплеях на несколько символов выводится общий электрод каждого символа, но соответствующие сегменты объединяются; это, как раз то, что нужно для мультиплексирования.