Искусство схемотехники. Том 2 (Изд.4-е) - Страница 68
Для управления удаленной нагрузкой или нагрузкой с независимой системой заземления лучше всего использовать оптрон. Этот прибор содержит светодиод (на стороне формирователя), который освещает фотоприемник (на стороне нагрузки). Оптроны выпускаются на различные скорости с различными конфигурациями входов/выходов (логический вход или просто светодиод; логический выход, выход с насыщенным транзистором (или схема Дарлингтона), выход с МОП-транзистором или выход с тиристором или симистором; см. рис. 9.26).
Типичным примером является распространенный элемент 4N36, показанный на рис. 9.15, н; этот элемент содержит простой светодиод на входе, npn-транзистор на выходе и может работать при напряжении 2500 В с временем переключения 4 мкс. Минимальный коэффициент передачи по току составляет 1.0, поэтому остается только пропустить через светодиод ток, равный максимальному выходному току. Существует ряд оптронов, которые используют логические уровни на входе и на выходе. Примером может служить оптрон 74OL6000 фирмы General Instrument; уровни на входе и выходе соответствуют уровням LS, время распространения составляет 60 нс (15 МГц), напряжение изоляции — 2500 В. В больших количествах его можно приобрести за 3 долл.
Наиболее простым способом управления нагрузкой переменного тока является способ, основанный, как показано на схеме о, на применении твердотельного реле. Реле этого типа представляет собой симистор с оптической связью с логическим входом и нагрузочной способностью по току от 1 до 40 А при коммутации нагрузки с переменным напряжением 115 В. Слаботочные реле в большом разнообразии выпускаются в корпусах типа DIP (например, серия «интегральных ключей» фирмы International Rectifier), в то время как более мощные реле выпускаются в виде прямоугольных блоков со сторонами, равными примерно 2 дюймам, предназначенных для установки на шасси. С другой стороны, нагрузки переменного тока можно коммутировать с помощью обычного реле, управляемого логическим элементом. При этом, однако, обязательно изучите технические данные, поскольку большинство реле, управляемых логикой, не способны коммутировать большие нагрузки переменного тока и вам понадобится логическое реле для того, чтобы управлять вторым более мощным реле. Почти во всех реле используется коммутация по типу «перехода через нуль» (или «нулевого напряжения»), которая в действительности является комбинацией включения по нулевому напряжению и выключения по нулевому току; это весьма полезная особенность, она предотвращает попадание выбросов и помех в шину питания. Много «мусора» на силовую шину переменного тока попадает от симисторных контроллеров, в которых коммутация осуществляется не в моменты перехода через нуль; таковы, например, регуляторы света с фазовым управлением для осветительных ламп, термостатов и двигателей. В качестве альтернативы оптической связи, использованной в схеме о, иногда можно встретить импульсный трансформатор для подвода импульсов запуска к симистору или тиристору.
Для управления 7-сегментными цифровыми индикаторами проще всего использовать элементы, объединяющие дешифратор и формирователи. Разнообразие их поразительно, — с формирователями для СИД и для жидкокристаллических индикаторов, с возможностями отвода и отдачи тока и т. п. Типичными примерами являются элементы «регистр/дешифратор/формирователи» типа 74НС4511 (СИД с общим катодом) и 74НС4543 для жидкокристаллических индикаторов. Более подробно об этом будет изложено в разделе по оптоэлектронике (разд. 9.10).
9.09. Сопряжение n-МОП БИС
Большинство схем большой и очень большой степени интеграции (БИС, СБИС) изготавливаются сейчас с использованием КМОП-технологии; они обладают такой же привлекательной способностью к сопряжению, как 5-вольтовые логические КМОП-вентили, и многими другими возможностями кристаллов средней степени интеграции (СИС), рассмотренными выше. Однако долгое время кристаллы БИС и СБИС изготавливались только на n-канальных МОП-транзисторах в режиме обогащения для того, чтобы упростить технологический процесс и получить более высокую плотность. Такая n-МОП-логика получила широкое распространение, поэтому важно знать, каким образом можно осуществить сопряжение n-МОП-логики и КМОП/ТТЛ и как обеспечить связь входов/выходов n-МОП-логики с внешними дискретными схемами. Большинство кристаллов n-МОП БИС совместимы с ТТЛ, тем не менее здесь есть несколько тонких моментов, которые следует рассмотреть.
Выходы n-МОП-элементов. На рис. 9.16 показана входная цепь интегральной схемы на n-канальных МОП-транзисторах, предназначенная для работы с ТТЛ. T1 — инвертор, а Т2 — истоковый повторитель с малыми геометрическими размерами, задающий необходимый ток от шины питания (резистор занял бы слишком много места, поэтому в качестве стоковой нагрузки всегда используется МОП-транзистор); часто используется и другой символ для изображения Т2. В современных схемах кремниевых вентилей пороговое напряжение входного транзистора находится в диапазоне от 1 до 1,5 В, поэтому вход можно непосредственно подключать к ТТЛ или КМОП-логике. В некоторых старых схемах порог может оказаться в диапазоне от 2 до 3 В, в этих случаях для управления от ТТЛ лучше использовать резистор 1-10 КОм, подключенный к шине питания; для КМОП обычно этого не требуется.

Рис. 9.16. Входная схема n-МОП-логики в режиме обогащения.
Выходы n-МОП-элементов. Выходная ступень 5-вольтовой n-МОП-логики показана на рис. 9.17.

Рис. 9.17. Выходная схема n-МОП-логики.
T1 представляет собой ключ, а Т2 — истоковый повторитель. Для того чтобы установить на выходе нижний уровень на затвор транзистора T1 подается напряжение +5 В; напряжение на выходе при этом будет ниже 0,5 В даже при отводе тока в несколько миллиампер.
Ситуация в состоянии высокого выходного уровня несколько ухудшается: при минимальном высоком выходном ТТЛ-уровне +2,4 В напряжение затвор-исток составляет всего 2,6 В, что приводит к сравнительно высокому значению сопротивления Rвкл; для более высоких выходных напряжений ситуация быстро ухудшается.
Кривые на рис. 9.18 иллюстрируют это положение.

Рис. 9.18. Типовые выходные характеристики по току n-МОП-элементов. 1 — ток отдачи; 2 — ток отвода; 3 — точка запуска схемы Дарлингтона.
В результате нагрузочная способность n-МОП-выхода составляет всего 0,2 мА (отдача тока) при напряжении на выходе +2,4 В. Это вполне допустимо для управления ТТЛ-входами, но выходит за пределы допустимого для 5-вольтовой КМОП-логики (используйте резистор, подключенный к шине питания, или вставьте вентиль НСТ или ACT); подобная неприятная ситуация изображена на рис. 9.19.

Рис. 9.19.
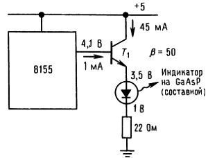
Для работы СИД с уровнями токов мультиплексируемого устройства отображения (25–50 мА во включенном состоянии) выход n-МОП-элемента должен отдавать ток около 1 мА при +4,1 В. Но это невозможно, поскольку напряжение UЗИ должно при этом быть всего 0,9 В, а может быть, даже ниже порогового напряжения полевого транзистора. Вспомните еще, что все схемы 5-вольтовой логики должны функционировать при отклонении напряжения питания ±10 %, т. е. при напряжении +4,5 В. Для управления светодиодами (или другими сильноточными приборами) от n-МОП-элементов желательно использовать схемы, показанные на рис. 9.20.