Искусство схемотехники. Том 2 (Изд.4-е) - Страница 46
Несколько замечаний по поводу синхронизаторов: На D-вход триггера сигнал может поступать не только от ключа с подавителем дребезга, но также и от других логических схем. В средствах сопряжения с ЭВМ и других применениях часто бывает нужно передавать асинхронный сигнал в тактируемое устройство. Идеальным решением в этих случаях является использование тактируемых триггеров или синхронизаторов. В рассмотренной схеме, так же как и во всех других логических схемах, необходимо соответствующим образом подключить неиспользованные входы. В данном случае входы S и R нужно подключить так, чтобы они не влияли на работу схемы (для 74 соединить с ВЫСОКИМ уровнем, а для 4013 заземлить), Неиспользуемые входы, не влияющие на выход (например, входы незадействованных вентилей), можно оставлять неподключенными. Это не относится к элементам КМОП, у которых они должны заземляться, чтобы не появился ток в выходном каскаде (более подробно см. гл. 9). Промышленностью выпускается сдвоенный синхронизатор 74120, однако широкого распространения он не получил.
Моностабильные мультивибраторы
Моностабильный мультивибратор, или одновибратор, является разновидностью триггера (триггер иногда называют бистабильным мультивибратором), в котором выход одного из вентилей имеет емкостную связь со входом другого вентиля, в результате этого схема всегда возвращается в одно состояние. Если с помощью кратковременного входного импульса схему принудительно установить в другое состояние, то она вернется в исходное с задержкой, которая будет определяться величиной емкости и параметрами схемы (входным током и т. п.). Эта схема широко используется для формирования импульсов заданной длительности и полярности. Построение одновибраторов на вентилях и RС-элементах представляет собой довольно сложную задачу. Здесь надо учитывать конкретное выполнение входных вентильных схем, так как напряжение на емкости в одновибраторе может превышать напряжение питания. Чтобы не развивать у читателя дурных привычек, мы не будем давать примеры подобных схем и рассмотрим одновибратор, который выпускается в виде стандартного функционального блока. В реальных устройствах лучше всего использовать одновибраторы в интегральном использовании, создавать же схемы собственной конструкции имеет смысл лишь в случае крайней необходимости, например если на плате имеется свободный вентиль и нет ни одного места для дополнительной микросхемы. Однако, возможно, что это не имеет смысла даже в таком случае.
8.20. Характеристики одновибраторов
Входы. Одновибраторы срабатывают по положительному или отрицательному перепаду, который подан на соответствующие входы. Единственное требование к сигналу запуска состоит в том, что он должен обладать некоторой минимальной длительностью — обычно от 25 до 100 с. При этом он может быть как короче, так и длиннее выходного импульса. Обычно в схеме предусматривается несколько входов; это позволяет использовать для запуска схемы одновибратора несколько сигналов: один по отрицательному перепаду, другие по положительному (напомним, что отрицательный перепад означает переход с ВЫСОКОГО уровня на НИЗКИЙ, а не отрицательную полярность). Дополнительные входы могут также использоваться для запрета запуска. Четыре примера одновибраторных схем показаны на рис. 8.64.


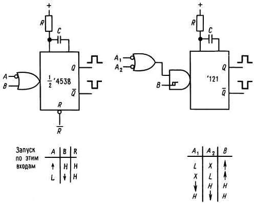
Рис. 8.64. Четыре наиболее распространенных одновибратора и их таблицы истинности.
Стрелками в строках таблиц показаны направления перепадов на входах, при которых происходит запуск. Например, `121 запускается, когда на одном из входов А происходит перепад с ВЫСОКОГО уровня на НИЗКИЙ, при условии что на входе В и на другом входе А действует ВЫСОКИЙ уровень. Схема 4538 представляет собой сдвоенный одновибратор с вентилем ИЛИ на входе. Если используется только один вход, то другой должен быть заблокирован, как показано в таблице. Одновибратор `121 имеет три входа, которые связаны с комбинацией вентилей И и ИЛИ. На входе В установлен триггер Шмитта, что позволяет снизить требования к скорости нарастания входного сигнала и к уровню помех. В состав одновибратора входит также не слишком хороший внутренний времязадающий резистор, который вы можете использовать, если у вас нет желания подключать внешний резистор R. Схема `221 представляет собой сдвоенный вариант схемы `121. Пользователи КМОП-версий могут иметь только сдвоенные варианты схем. Популярная ИС `123 представляет собой сдвоенный одновибратор с вентилем И на входе; на неиспользуемые входы должны подаваться разрешающие сигналы. Заметим, в частности, что он срабатывает и по спаду сигнала на R-входе, если в этот момент на оба входа запуска поданы соответствующие сигналы. Это свойство не является для одновибраторов универсальным и может требоваться или не требоваться, в зависимости от конкретного использования (чаще всего оно не требуется). Схема `423 является той же самой схемой, что и `123, но без этой «особенности». На принципиальных схемах при изображении одновибраторов входной вентиль обычно не показывается. Это позволяет сэкономить место, но создает некоторую путаницу.
Перезапуск. Большинство одновибраторов, например упомянутые ранее `4538, `123 и `423, будут начинать новый цикл отсчета временного интервала, если за время действия выходного импульса на вход поступит новый запускающий импульс. Такие устройства называют одновибратором с перезапуском. Выходной импульс одновибратора будет шире, чем обычно, если перезапуск схемы происходит во время действия выходного импульса и заканчивается по истечении интервала номинальной длительности с момента поступления последнего запускающего сигнала. Одновибраторы `121 и `221 не имеют перезапуска; во время действия выходного импульса они не воспринимают перепады на входе. Большинство перезапускаемых одновибраторов можно включить таким образом, чтобы они не перезапускались. Простой пример подобной схемы показан на рис. 8.65.

Рис. 8.65. Схемы одновибраторов без перезапуска.
Сброс. Большая часть одновибраторов имеет вход сброса, который отменяет все остальные функции. Кратковременный сигнал по входу R обрывает выходной импульс. Этот вход может использоваться для предотвращения выработки выходного импульса в момент включения питания логической системы; однако учтите сделанные выше замечания по схеме `123.
Длительность импульса. С помощью стандартных одновибраторов можно получать импульсы длительностью от 40 нc до нескольких миллисекунд (и даже секунд) за счет подключения внешнего конденсатора, обычно в сочетании с резистором. С помощью устройства, подобного ИС555 (см. разд. 5.14) можно формировать импульсы и большей длительности, но его входные характеристики зачастую создают неудобства. Интервалы времени очень большой длительности лучше всего отсчитывать цифровым способом (см. разд. 8.23). В табл. 8.8 в конце главы приведены данные на большинство применяемых одновибраторов.
8.21. Пример схемы одновибратора
На рис. 8.66 показана схема генератора прямоугольных импульсов с независимой регулировкой частоты и скважности; схема позволяет с помощью внешнего сигнала закрывать выход по отрицательному перепаду выходного импульса.