Искусство схемотехники. Том 2 (Изд.4-е) - Страница 34
Например, «ИЛИ в случае необходимости можно трактовать как И, а И как ИЛИ». Однако это не имеет ничего общего с теоремой Моргана!
ТТЛ и КМОП
ТТЛ (транзисторно-транзисторная логика) и КМОП (комплементарные МОП-структуры) представляют собой в настоящее время два наиболее распространенных семейства логических элементов. Огромное количество ИМС обоих семейств, выполняющих самые разнообразные функции, выпускаются по меньшей мере десятью фирмами. С помощью этих семейств можно удовлетворить все потребности, которые возникают при построении цифровых схем и устройств. Исключение может составить область схем большой степени интеграции (БИС), в которой преобладают МОП-структуры и сверхбыстродействующая логика, в которой господствуют приборы из арсенида галлия и эмиттерно-связанная логика (ЭСЛ). В дальнейшем в основном будут рассматриваться эти семейства.
8.08. Каталог идентичных вентилей
В табл. 8.2 приведены идентичные вентили, которые существуют в семействах логических элементов ТТЛ и КМОП. Каждый вентиль изображается в своей нормальной форме (для положительной логики), и кроме того, показано, как он выглядит при использовании отрицательной логики. В последней строке приведен вентиль И-ИЛИ-НЕ.
Небольшие пояснения: цифровая логика представлена в 10 популярных «субсемействах» (КМОП: 4000В, 74С, 74НС, 74НСТ, 74АС, 74АСТ; И ТТЛ: 74LS, 74ALS, 74AS, 74F), каждое из которых выполняет одни и те же функции и имеют хорошую совместимость между собой.
Различаются они по быстродействию, рассеиваемой мощности, нагрузочной способности и логическим уровням (см. разд. 8.09 и 9.02). Наилучшим для большинства применений является семейство «высокоскоростная КМОП-логика», обозначаемая буквами НС после цифр 74, например 74НСОО. Там, где требуется совместимость с существующими биполярными ТЛ-схемами, вы должны использовать НСТ (или, возможно, LS) — ceмейство. Для простоты мы в дальнейшем в книге будем опускать буквы (и префикс 74-), обозначая типы цифровых ИМС с апострофом (`), например `00 для обозначения 2-входового вентиля И-НЕ. Отметим, что стандартные элементы ТТЛ (без этих букв) в настоящее время почти полностью вышли из употребления. Мы опишем интересную историю этих семейств в разд. 9.01.
8.09. Принципиальные схемы вентилей на ИМС
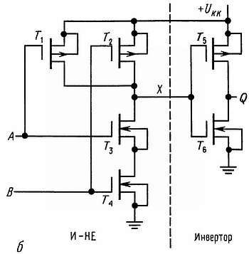
В обоих семействах (ТТЛ и КМОП) идентичные вентили, например И, выполняют одинаковые операции, тем не менее их логические уровни, а также другие характеристики (быстродействие, входной ток и т. д.) совершенно различны. В общем случае нельзя смешивать два типа логических семейств. Для того чтобы понять различия между ними, рассмотрим принципиальные схемы вентилей И, которые представлены на рис. 8.17.


Рис. 8.17. Маломощный ТТЛШ-вентиль И-НЕ (а); КМОП-вентиль И (б).
КМОП-вентиль построен на полевых МОП-транзисторах обоих полярностей, которые работают в режиме усиления и соединены как ключи, а не как повторители. Открытый полевой транзистор подобен низкоомному резистору, подключенному к шине питания. Для того чтобы открыть последовательно включенную пару транзисторов Т3, Т4 и закрыть нагрузочные транзисторы Т1 и Т2, на оба входа надо подать ВЫСОКИЙ уровень. Это приведет к тому, что на выходе будет вырабатываться НИЗКИЙ уровень, т. е. получается вентиль И-НЕ. Транзисторы Т5 и Т6 образуют простой КМОП-инвертор, благодаря которому мы получаем вентиль И. Этот пример показывает как строятся вентили И, И-НЕ, ИЛИ и ИЛИ-НЕ на любое число входов.
Упражнение 8.10. Начертите схему 3-входового ΚΜΟΠ-вентиля ИЛИ.
Биполярный LS (маломощная Шоттки технология) ТТЛ-вентиль И-НЕ, в основном содержит диодно-резисторную логику (рис. 8.8), управляющую транзисторным инвертором, нагруженным на двухтактный выход. Если на обоих входах ВЫСОКИЙ уровень, то через резистор 20 кОМ протекает базовый ток, открывающий транзистор Т1, что приводит к появлению на выходе НИЗКОГО уровня из-за насыщения Т4 и выключения Дарлингтоновской пары Т2-Т3. Если затем на один из входов подать НИЗКИЙ уровень, то транзистор Т1 выключится, а на выходе будет ВЫСОКИЙ уровень. Диоды и транзисторы с переходами Шоттки используются для повышения скорости переключения.
Заметим, что и ТТЛ-, и КМОП-вентили обеспечивают «активный выход» с питанием нагрузки от шины положительного источника. Рассмотренные выше дискретные вентили этой способностью не обладают.
8.10. Характеристики ТТЛ и КМОП
Давайте сравним характеристики двух семейств:
Напряжение питания: +5 В ±5 % для ТТЛ, в то время как семейства КМОП имеют более широкий диапазон: от +2 до +6 В для НС и АС, от +3 до 4-15 В для серий 4000В и 74С. Семейства НСТ и ACT, разработанные для совместимости с биполярными ТТЛ, требуют напряжения питания +5 В.
Вход. Вход вентиля ТТЛ в состоянии НИЗКОГО уровня представляет собой токовую нагрузку для управляющего им источника сигнала (типовое значение 0,25 мА для серии LS), следовательно, для поддержания на входе НИЗКОГО уровня необходимо обеспечить отвод тока. Поскольку выходные каскады схем ТТЛ обладают хорошей нагрузочной способностью, сопряжение между собой элементов ТТЛ не представляет проблемы, но она может возникнуть, когда требуется подключить входы ТТЛ к схемам другого типа. Наоборот, вентиль КМОП не имеет входного тока.
Логический порог ТТЛ определяется падением напряжения на двух диодах по отношению к земле (порядка 1,3 В), в то время как для элементов КМОП значение входного порога равно приблизительно половине напряжения питания, но может колебаться в широких пределах (типично от 1/3 до 2/3 напряжения питания). КМОП-семейства НСТ и ACT спроектированы с низким порогом срабатывания для совместимости с ТТЛ, поскольку биполярные ТТЛ не допускают отклонения в питании +5 В (см. ниже).
Входы КМОП элементов чувствительны к статическому электричеству и могут выходить из строя при манипуляциях с ними.
В обоих семействах на неиспользуемые входы в зависимости от ситуации следует подавать ВЫСОКИЙ или НИЗКИЙ уровни (далее об этом будет сказано).
Выход. Выходной каскад вентиля ТТЛ в состоянии НИЗКОГО уровня ведет себя как насыщенный транзистор, напряжение на котором близко к потенциалу земли, а в состоянии ВЫСОКОГО уровня — как повторитель с высоким выходным напряжением, равным примерно напряжению питания U+ минус падение напряжения на двух диодах. Для всех КМОП-семейств (включая НСТ и ACT) выход представляет собой открытый полевой транзистор, подключенный к земле или к шине питания. Обычно быстродействующие семейства (F, AS, AC, ACT) имеют более высокую нагрузочную способность, чем медленные (LS, 4000В, 74С, НС, НСТ).
Быстродействие и мощность. Биполярные ТТЛ-семейства потребляют значительный ток покоя — тем больший, чем быстрее семейства (AS и F) при соответствующих скоростях от 25 МГц (для LS) до 100 МГц (для AS и F). Все КМОП-семейства потребляют нулевой ток. Однако их рассеиваемая мощность линейно возрастает с ростом частоты (требуется ток для переключения емкостной нагрузки), и КМОП-элементы, работающие на наивысшей частоте, рассеивают часто такую же мощность, как эквиваленты ТТЛ (рис. 8.18). Диапазон быстродействия КМОП-элементов простирается от 2 МГц (для 4000В/74С при 5 В) до 100 МГц (для АСТ/АС).