Искусство схемотехники. Том 2 (Изд.4-е) - Страница 25
Сигналы, связанные через входы, выходы и линии питания. В борьбе с шумами, идущими по линии питания, лучше всего комбинировать линейные РЧ-фильтры и подавители переходных процессов в линии переменного тока. Этим способом можно добиться ослабления помех на 60 дБ при частотах до нескольких сот килогерц, а также эффективного подавления повреждающих всплесков.
С входами и выходами дело сложнее из-за уровней полного сопротивления и потому, что надо обеспечить прохождение полезных сигналов, которые могут иметь тот же частотный диапазон, что и помехи. В устройствах типа усилителей звуковых частот можно использовать фильтры нижних частот на входе и на выходе (многие помехи от близлежащих радиостанций попадают в схему через провода громкоговорителя, выполняющие роль антенн). В других ситуациях необходимы, как правило, экранированные провода. Провода с сигналами низкого уровня, в частности при высоком уровне полного сопротивления, всегда нужно экранировать. То же относится к внешнему корпусу прибора.
Ёмкостная связь. Внутри прибора сигналы могут прекрасно проходить всюду путем электростатической связи: в какой-нибудь точке в приборе происходит скачок сигнала 10 В и на расположенном рядом входе с большим полным сопротивлением произойдет тот же симпатичный скачок. Что тут можно сделать? Лучше всего уменьшить емкость между этими точками, нарушителями порядка (разнеся их), добавить экран (цельнометаллический футляр или даже металлическая экранирующая оплетка исключает этот вид связи), придвинуть провода вплотную к плате заземления (которая «глотает» электростатические пограничные поля, в огромной степени ослабляя связь) и, если возможно, снизить полное сопротивление насколько удастся. Входы операционного усилителя в отличие от выходов легко подхватывают помеху. Более подробно об этом см. далее.
Магнитная связь. К сожалению, низкочастотные магнитные поля не ослабляются существенно металлической экранировкой. Проигрыватель, магнитофон, микрофон или другая чувствительная схема, расположенная вблизи большого силового трансформатора, будет иметь очень большие наводки сетевой частоты. Лучший способ борьбы с этим явлением — следить, чтобы каждый замкнутый контур внутри схемы имел минимальную площадь, и стараться, чтобы схема не имела проводов в виде петли. Эффективны в борьбе с магнитной наводкой витые пары, так как площадь каждого витка мала, а сигналы, наведенные в следующих друг за другом витках, компенсируются.
При работе с сигналами очень низкого уровня, или устройствами, очень чувствительными к магнитным наводкам (головки магнитофонов, катушки индуктивности, проволочные сопротивления), может оказаться желательным магнитное экранирование. «Экраны из мю-металла» выпускаются в виде готовых форм или гибких листов. Если внешнее магнитное поле велико, то лучше всего применять экран из материала с высокой магнитной проницаемостью, окруженный экраном с низкой магнитной проницаемостью (например, из обычного железа) для того, чтобы предотвратить магнитное насыщение внутреннего экрана. Конечно, наиболее простым решением часто является удаление мешающего источника магнитного поля. Иногда бывает необходимо убирать большие силовые трансформаторы, так сказать, с переднего края. Тороидальные трансформаторы имеют меньшую величину излучаемого магнитного поля по сравнению с обычными прямоугольными.
Радиочастотные помехи. Наводки радиочастоты могут быть очень коварными, поскольку невинная на взгляд часть схемы может работать как эффективный резонансный контур с огромным резонансным пиком. Кроме общего экранирования, желательно все провода делать как можно короче и избегать образования петель, в которых может возникнуть резонанс. Если речь идет об очень высоких частотах, то тут могут помочь ферритовые кольца-бусины. Классической ситуацией паразитного приема высоких частот является пара шунтирующих конденсаторов (один танталовый, другой дисковый керамический), что часто рекомендуется для улучшения шунтирования питания. Такая пара образует отличный паразитный настроенный контур где-то в области от ВЧ до СВЧ (от десятков до сотен мегагерц), да еще и самовозбуждающийся (при наличии усиления)!
7.24. Сигнальное заземление
Провода заземления и заземленные экраны могут доставить много неприятностей, и по этому поводу существует много недоразумений. В двух словах сущность проблемы такова: ток (о котором мы забыли), протекая по линии заземления, может возбудить сигнал, который воспринимает другая часть схемы, сидящая на том же проводе заземления. Часто делают «Мекку» заземления — это точка, в которой сходятся все линии заземления схемы, но это-решение в лоб; при мало-мальском понимании сути проблемы вы сможете в большинстве ситуаций найти более разумное решение.
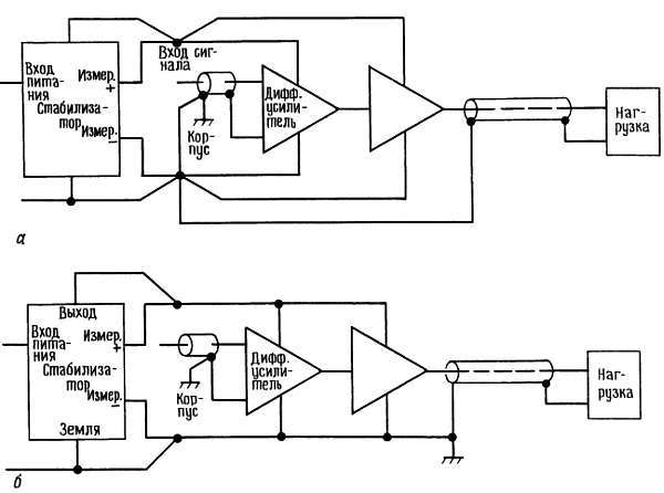
Обычные ошибки заземления. Общая ситуация представлена на рис. 7.67.

Рис. 7.67. Схема заземления для сигналов низкого уровня. а — правильно; б — неправильно.
В одном приборе находятся усилитель низкого уровня и мощный усилитель (драйвер) с большим потребляемым током. Первая схема сделана правильно: оба усилителя присоединены непосредственно к измерительным выводам стабилизатора напряжения питания, поэтому падение напряжения I·R на проводах, идущих к мощному каскаду, не оказывает влияния на напряжение питания усилителя низкого уровня. К тому же ток нагрузки, проходя на землю, не появляется на входе низкого уровня; вообще, никакой ток не идет по проводу заземления входа усилителя низкого уровня к схемной «Мекке» (в качестве которой может быть выбрано соединение с корпусом возле входного коаксиального разъема BNC).
Во второй схеме имеются две грубые ошибки. Флуктуации напряжения питания, порожденные токами нагрузки каскада высокого уровня, отражаются на напряжении питания каскада низкого уровня. Если входной каскад имеет недостаточно высокий коэффициент ослабления флуктуации питания, то это может привести к возникновению автоколебаний. Дальше и того хуже: ток нагрузки, возвращаясь к источнику питания, вызывает флуктуации потенциала на «земле» корпуса по отношению к заземлению источника питания. Входной каскад оказывается привязанным к этой «переменной земле», а это, очевидно, плохо.
Мораль состоит в том, что надо следить, где протекают большие токи сигнала, и смотреть, чтобы вызываемые ими падения напряжения не влияли на вход. В некоторых случаях разумно отделить источник питания от каскада низкого уровня небольшой RС-цепью (рис. 7.68). В особо трудных случаях с развязкой источника питания можно попробовать в цепь питания каскада низкого уровня поставить стабилитрон или трехвыводной стабилизатор для дополнительной развязки.

7.25. Межприборное заземление
Идея главной точки заземления внутри одного прибора хороша, но что делать, если сигнал идет из одного прибора в другой и у каждого из них свое представление о «земле»? Рекомендуем несколько предложений.
Сигналы высокого уровня. Если сигналы имеют напряжение несколько вольт или это логические сигналы высокого уровня, то просто соедините то, что нужно, и забудьте об этом (рис. 7.69).

Источник напряжения (обозначен между двумя заземлениями) представляет собой разность потенциалов между двумя выводами линий питания в одной и той же комнате или (что хуже) в разных комнатах здания. Эта разность потенциалов состоит частично из напряжения, наведенного от сети, гармоник частоты сети, радиочастотных сигналов (силовые линии питания — хорошая антенна), разных всплесков и прочего «мусора». Если ваши сигналы достаточно велики, то со всем этим вы можете жить.