Искусство схемотехники. Том 2 (Изд.4-е) - Страница 13
7.10. Стандартный измерительный усилитель на трех ОУ
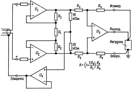
Одним из недостатков описанной схемы с повторителями на рис. 7.31 является то, что в ней требуется большой КОСС и в повторителях, и в выходном ОУ. Поскольку входные буферные усилители работают с единичным усилением, все подавление синфазных помех должно происходить в выходном усилителе, что требует, как было указано, прецизионного согласования резисторов. Схема, изображенная на рис. 7.32 в этом смысле значительно лучше. Она представляет собой стандартную конфигурацию измерительного усилителя.

Рис. 7.32. Классический измерительный усилитель.
Входной каскад является удачным сочетанием двух ОУ, обеспечивающим большой дифференциальный коэффициент усиления и единичный коэффициент усиления синфазных сигналов без какого-либо особо точного согласования резисторов. Его дифференциальный выход представляет собой сигнал с существенно уменьшенной (относительно) синфазной составляющей и используется для возбуждения схемы обычного дифференциального усилителя. Последний часто бывает включен с единичным коэффициентом усиления, и его задача — получение однополюсного выходного сигнала и подавление остаточного синфазного сигнала. В результате отпадает надобность в том, чтобы выходной ОУ имел большой КОСС, и не требуется прецизионного согласования резисторов в схеме обвязки U3. Настройка нуля сдвига для всей схемы может быть сделана, как показано, на одном из входных ОУ. Эти входные ОУ должны, однако, иметь высокий КОСС, и выбирать их следует тщательно.
В виде гибридных ИМС измерительные усилители с описанной стандартной конфигурацией выпускаются несколькими фирмами. Все компоненты, кроме резистора R1, встроены, а коэффициент усиления устанавливается единственным внешним резистором R1. Типичными примерами таких модулей являются микромошный ΙΝΑ 102, высокоскоростной ΙΝΑ ПО и прецизионный AD624. У всех этих усилителей коэффициент усиления имеет диапазон от 1 до 1000, КОСС — около 100 дБ и входное полное сопротивление более 100 МОм. Микромощный гибридный модуль LH0036 может работать от такого низкого напряжения питания, как +1 В. AD624 имеет линейность коэффициента усиления около 0,001 %, начальный сдвиг напряжения менее 25 мкВ и дрейф напряжения сдвига не более 0,25 мкВ/°С; предусмотрена и возможность внешней настройки нуля напряжения сдвига. Некоторые измерительные усилители (например, высокоточный ΙΝΑ 104) имеют возможность регулировки КОСС. Не путайте эти модули с «измерительным операционным усилителем» 725, который представляет собой просто хороший ОУ, предназначенный для использования в схемах измерительных усилителей. На рис. 7.33 приведена полная схема измерительного усилителя, как она обычно строится.

Рис. 7.33. Измерительный усилитель с выводами защиты, измерительным и опорного напряжения.
Несколько замечаний об этой схеме измерительного усилителя: (а) Усиленный (по мощности) синфазный сигнал с выхода U4 может быть использован как «защитное» напряжение для ослабления эффектов емкости кабеля и утечек. При таком включении защитный выход должен быть соединен с экраном входного кабеля. Если резистор установки коэффициента усиления (R1) не установлен непосредственно рядом с усилителем (существует отдельная панель регулировки — компоновка, которой следует избегать), то его (резистора R1) соединения также должны быть экранированы и защищены, (б) Выводы ИЗМЕРЕНИЕ и ОПОРНЫЙ дают возможность измерять выходное напряжение непосредственно на нагрузке, так что благодаря обратной связи можно исключить потери в соединительных проводах, идущих к внешней схеме. К тому же ОПОРНЫЙ вывод позволяет смещать выходной сигнал постоянным напряжением (или другим сигналом); однако полное сопротивление между этим выводом и землей должно быть малым, иначе упадет КОСС. (в) Для всех такого вида измерительных усилителей необходимо формировать цепь для прохождения входного тока; нельзя, например, просто подсоединить к входу термопару. На рис. 7.34 показана простая схема включения ИМС измерительного усилителя с использованием выводов защиты входа, измерения и опорного.

Рис. 7.34. ИМС измерительного усилителя.
Следящая связь по питанию. КОСС входных ОУ может оказаться лимитирующим фактором для подавления синфазных помех во всей схеме. Если нужны значения КОСС около 120 дБ, то можно применить прием, иллюстрируемый рис. 7.35. U4 измеряет уровень синфазного сигнала и управляет общей точкой маломощного плавающего расщепленного источника питания для U1 и U2. Эта схема следящей связи эффективно гасит синфазный сигнал для U1 и U2, так как на их входах нет синфазных колебаний относительно их собственного питания. U3 и U4 питаются от общего источника питания, как обычно. Эта схема может творить чудеса с КОСС, по крайней мере на постоянном токе. С возрастанием частоты приходится иметь дело с обычными проблемами согласования полных сопротивлений и входных емкостей.

Рис. 7.35. Измерительный усилитель со следящей связью по питанию для повышения КОСС.
Конфигурация с двумя ОУ. На рис. 7.36 показана схема, которая обеспечивает большое полное сопротивление с помощью только двух ОУ. Поскольку подавление синфазного сигнала происходит здесь не в два этапа, как в схеме с тремя ОУ, для получения хорошего КОСС необходимо прецизионное согласование резисторов, подобно тому как это было в стандартной схеме разностного усилителя.

Рис. 7.36. Схема измерительного усилителя с двумя ОУ.
Специализированные ИМС измерительных усилителей. Существует несколько интересных конфигураций измерительных усилителей, выпускаемых в виде монолитных (и поэтому недорогих) ИМС; некоторые из них имеют очень хорошие рабочие параметры. В них применяются другие методы, чем в рассматривавшихся ранее схемах.
Дифференциальные усилители с преобразованием проводимости (в цепи обратной связи). В этих схемах, представителями которых являются LM363, AD521 и выполненный на ПТ с p-n-переходом АМР-05, большое значение КОСС достигается без согласования внешних сопротивлений. Фактически только коэффициент усиления устанавливается отношением пары навесных резисторов. На рис. 7.37 показана функциональная схема АМР-01. В ней используются две пары дифференциальных усилителей — преобразователей проводимости с одним навесным резистором, устанавливающим в каждом случае коэффициент усиления. Одна пара усилителей управляется входным сигналом, а другая — выходным сигналом, отсчитываемым относительно входа опорного напряжения. В АМР-05 используются ПТ для поддержания низкого уровня входных токов, а в АМР-01 используются биполярные транзисторы для достижения малого напряжения сдвига и малого дрейфа (табл. 7.5). В прецизионной схемотехнике исключительно полезными могут быть методы с использованием микропроцессорной обработки; см. разд. 13.24.