Искусство схемотехники. Том 1 (Изд.4-е) - Страница 95
следовательно, действующий выходной импеданс определяется выражением
R'вых = U/I = Rвых/(1 + AB)
Если используется обратная связь по току, т. е. сигнал обратной связи пропорционален току в нагрузке, то выражение для выходного импеданса принимает вид
R'вых = Rвых(1 + AB)
Можно использовать несколько цепей обратной связи как по току, так и по напряжению. В общем случае выходной импеданс определяется формулой Блэкмана:
R'вых = Rвых[1+ (AB)к.з./1 + (AB)х.х.]
где (AB)к.з. - коэффициент передачи цепи обратной связи при коротком замыкании выхода; (AB)х.х. — коэффициент передачи цепи обратной связи при обрыве цепи нагрузки (на холостом ходу). Таким образом, с помощью обратной связи можно получить нужный выходной импеданс. Это выражение есть обобщение полученных выше результатов для произвольной комбинации обратных связей по току и по напряжению.
Цепь ОС и нагрузка усилителя. Выполняя расчеты для схем с обратной связью, обычно предполагают, что β-цепь не нагружает выход усилителя. В противном случае это следует учесть при расчете коэффициента усиления при разомкнутой петле обратной связи. Точно так же, если подключение β-цепи на входе усилителя влияет на величину коэффициента усиления без обратной связи (обратная связь устранена, но подключение выполнено), следует использовать модифицированный коэффициент усиления разомкнутой петли обратной связи. И наконец, обычно предполагается, что β-цепь является направленной, т. е. она не передает сигнал со входа на выход.
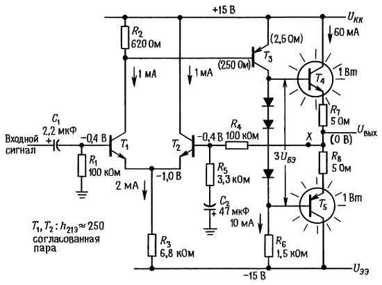
4.27. Два примера транзисторных усилителей с обратной связью
Рассмотрим показанный на рис. 4.72 транзисторный усилитель с отрицательной обратной связью.

Рис. 4.72. Транзисторный усилитель мощности с отрицательной обратной связью.
Описание схемы. На первый взгляд она может показаться сложной, на самом деле в ней нет хитростей и проанализировать ее достаточно легко. Транзисторы Т1 и Т2образуют дифференциальную пару, а дополнительное усиление ее выходного сигнала обеспечивает усилитель с общим эмиттером на Т3. Резистор R6 — это резистор коллекторной нагрузки Т3, а двухтактный каскад на транзисторах Т4 и Т5 представляет собой выходной эмиттерный повторитель. Выходное напряжение поступает в цепь ОС, которая состоит из делителя напряжения, образованного резисторами R4 и R5 и конденсатором С2, благодаря которому коэффициент усиления схемы с ОС по постоянному току уменьшается до единицы (для стабилизации режима по постоянному току). Резистор R3 определяет ток смещения в дифференциальной паре; наличие петли обратной связи, охватывающей схему, гарантирует, что выходное напряжение покоя равно потенциалу земли, а потому оказывается, что ток покоя Т3 составляет 10 мА (падение напряжения на R6 приблизительно равно UЭЭ). Как уже было показано в разд. 2.14, диоды смещают двухтактный каскад в состояние проводимости, при этом падение напряжения на последовательном соединении резисторов R7 и R8 равно падению напряжения на диоде, т. е. ток покоя выходного повторителя равен 60 мА. Это усилитель класса АВ, в котором за счет потери мощности в 1 Вт, рассеиваемой каждым выходным транзистором, уменьшаются переходные искажения.
С точки зрения рассмотренных ранее схем необычным в этой схеме является только то, что коллекторное напряжение покоя транзистора Т1 меньше напряжения питания UKKвсего на величину падения напряжения на диоде. Оно должно быть таким для того, чтобы транзистор Т3 находился в режиме проводимости, а поддерживает это состояние цепь обратной связи. Если, например, коллекторное напряжение транзистора Т1 приблизилось бы к потенциалу земли, то транзистор Т3 начал бы проводить большой ток, при этом увеличилось бы выходное напряжение, а это в свою очередь привело бы к тому, что через транзистор Т2 тоже стал бы протекать большой ток, что вызвало бы уменьшение коллекторного тока в транзисторе Т1 и восстановило бы нарушенный статус-кво. Резистор R2 подобран таким образом, чтобы ток покоя транзистора Т1 создавал на нем падение напряжения, равное падению напряжения на диоде, тогда в точке покоя коллекторные токи в дифференциальной паре будут приблизительно равны между собой. В этой транзисторной схеме входным током смещения пренебречь нельзя (он равен 4 мкА) — на входных резисторах, имеющих сопротивление 100 кОм, он создает падение напряжения, равное 0,4 В. В подобных схемах транзисторных усилителей входные токи значительно больше, чем в операционных усилителях, поэтому особенно важно, чтобы сопротивления по постоянному току со стороны входов были равны (очевидно, что лучше было бы использовать здесь на входе составной транзистор Дарлингтона).
Анализ схемы. Рассмотрим приведенную схему подробно и определим коэффициент усиления, входной и выходной импедансы и величину нелинейных искажений. Для того чтобы можно было оценить влияние обратной связи, определим эти параметры при разомкнутой и замкнутой цепи обратной связи (учитывая, что при разомкнутой цепи обратной связи смещение практически бесполезно). Для того чтобы оценить влияние обратной связи на линейность, определим коэффициент усиления при напряжениях на выходе, равных +10 В, — 10 В, и напряжении, соответствующем точке покоя (0 В).
Цепь ОС разомкнута.Входной импеданс.Разорвем цепь обратной связи в точке X и заземлим правый конец резистора R4. Для входного сигнала сопротивление определяется параллельным соединением сопротивления 100 кОм и сопротивления со стороны базы. Последнее состоит из увеличенных в h21Э раз собственного эмиттерного сопротивления Т1 плюс сопротивление со стороны эмиттера Т2, при определении которого надо учесть, что к базе транзистора Т2 подключена цепь обратной связи. Если h21Э ~= 250, то Zвх ~ = 250[(2·25) + (3,ЗкОм/250)], т. е. Zвх ~ = 16 кОм.
Выходной импеданс. В связи с тем что сопротивление коллектора транзистора Т3 велико, можно считать, что на выходные транзисторы работает источник с сопротивлением 1,5 кОм (R6). Выходной импеданс составляет приблизительно 15 Ом (h21Э ~= 100) плюс эмиттерное сопротивление, равное 5 Ом, итого 20 Ом. Собственным эмиттерным сопротивлением величиной 0,4 Ом можно пренебречь.
Коэффициент усиления. Сопротивление нагрузки дифференциального каскада определяется параллельным соединением R2 и базового сопротивления транзистора Т3. В связи с тем что ток покоя транзистора Т3 составляет 10 мА, его собственное эмиттерное сопротивление равно 2,5 Ом, а входное сопротивление со стороны базы — 250 Ом (h21Э ~= 100). Следовательно, коэффициент усиления дифференциальной пары равен 250 ||620 Ом/2·25 Ом ~= 3,5. Коэффициент усиления по напряжению второго каскада, на транзисторе Т3, равен 1,5 кОм/2,5 Ом = 600. Полный коэффициент усиления по напряжению в точке покоя равен 3,5·600 = 2100. Коэффициент усиления Т3 зависит от величины коллекторного тока, и поэтому он существенно изменяется при изменении сигнала от пика до пика - в этом проявляется нелинейность схемы. В следующем разделе приводятся значения коэффициента усиления для трех значений выходного напряжения.