Искусство схемотехники. Том 1 (Изд.4-е) - Страница 94
Если взять производную от G по А (dG/dA), то нетрудно показать, что уменьшение относительных изменений коэффициента усиления при замыкании петли обратной связи определяется величиной коэффициента грубости: ΔК/К = [1/(1 + АВ)]ΔА/А. Следовательно, для получения хорошей характеристики необходимо, чтобы коэффициент петлевого усиления АВ был значительно больше единицы. Это равносильно условию, согласно которому коэффициент усиления при разомкнутой петле обратной связи должен быть намного больше, чем коэффициент усиления при замкнутой петле обратной связи.
Увеличение стабильности сопровождается уменьшением нелинейности, которая определяется изменениями коэффициента усиления в зависимости от уровня сигнала.
Входной импеданс. При построении схемы с обратной связью из входного напряжения или тока вычитается некоторая часть, пропорциональная выходу (такую обратную связь называют соответственно последовательной или параллельной обратной связью). Например, в неинвертирующем ОУ часть выходного напряжения вычитается из дифференциального напряжения, действующего на входе, а в инвертирующем происходит вычитание части входного тока. В этих двух случаях обратная связь противоположным образом влияет на входной импеданс.
Обратная связь со сложением напряжения увеличивает входной импеданс при замкнутой петле обратной связи в (1 + АВ) раз (по сравнению с разомкнутой схемой), в то же время обратная связь со сложением тока уменьшает его во столько же раз. При стремлении коэффициента передачи петли обратной связи к бесконечности входной импеданс (со стороны входа усилителя) стремится к бесконечности или к нулю соответственно. Это и понятно, так как обратная связь со сложением напряжения стремится вычесть из входного такой сигнал, что в результате падение напряжения на входном сопротивлении усилителя будет меньше в АВ раз; это своего рода следящая связь. Обратная связь со сложением тока уменьшает сигнал на входе усилителя, подавляя его током, текущим по цепи обратной связи.
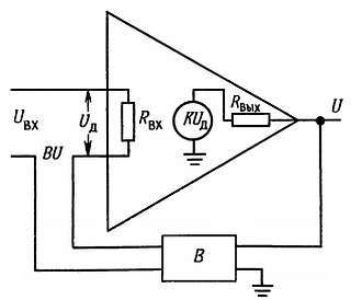
Посмотрим, как обратная связь меняет действующее значение входного импеданса на примере обратной связи со сложением напряжений. Аналогичные рассуждения вы можете провести и для второго случая. Используем модель ОУ с конечным входным сопротивлением (рис. 4.68).

Рис. 4.68.
Входное напряжение Uвх уменьшается на величину ВUвых, и на выходах усилителя действует дифференциальное напряжение Uдиф = Uвх — ВUвых. Входной ток при этом равен

Отсюда действующее значение входного сопротивления равно
R'вх = Uвх/Iвх = (1 + AB)Rвх
Классическая схема неинвертирующего ОУ с обратной связью имеет точно такой вид, как показано на рис. 4.69.

Рис. 4.69.
Для этой схемы В = R1/(R1 + R2), коэффициент усиления по напряжению определяется выражением ΚU = 1 + R2/R1, для идеального случая коэффициент усиления по напряжению при разомкнутой цепи обратной связи А равен бесконечности и входной импеданс также равен бесконечности. Для конечного коэффициента передачи в петле обратной связи справедливы выражения, полученные выше.
Схема инвертирующего ОУ отличается от схемы неинвертирующего ОУ и анализировать ее следует отдельно. Лучше всего рассматривать ее как сочетание входного резистора, управляющего схемой с обратной связью со сложением тока (рис. 4.70).

Рис. 4.70. Входной и выходной импедансы усилителя с передаточным сопротивлением, Zвх = R2/(1 + k), Zвых = Ζ(без ОС)/(1 + А) (а); инвертирующего усилителя, Zвх = R1 + R2/(1 + А), Zвых = Ζ(без ОС)/(1 + АB), В = R1/(R1 + R2).
В случае обратной связи со сложением тока (параллельной) на входе усилителя (инвертирующем) суммируются ток из цепи обратной связи и входной ток (такой усилитель является фактически усилителем с передаточным сопротивлением; он преобразует входной ток в выходное напряжение). Обратная связь уменьшает импеданс со стороны «суммирующего входа» R2 в (1 + А) раз (попробуйте это доказать). При очень больших значениях коэффициента передачи в петле обратной связи (например, в ОУ) входной импеданс уменьшается до долей ома, что является хорошей характеристикой для усилителей с токовым входом. В качестве примеров можно привести усилитель фотометра (разд. 4.22) и логарифмический преобразователь (разд. 4.14).
Классический инвертирующий ОУ, показанный на рисунке, представляет собой сочетание усилителя с параллельной обратной связью и резистора, подключенного последовательно ко входу. Входной импеданс в этом случае равен сумме сопротивления R1 и импеданса со стороны суммирующей точки. Для петли с высоким коэффициентом усиления Rвх и R1 приблизительно равны между собой.
Очень кстати сейчас в качестве упражнения вывести выражение для коэффициента усиления по напряжению для инвертирующего усилителя с конечным усилением в петле обратной связи. Выражение имеет вид
q = — A(1 — B)/(1 + AB)
где В определяется как и раньше, а именно В = R1/(R1 + R2). Для предельного значения коэффициента усиления А при разомкнутой цепи обратной связи, G = — 1/В + 1 (т. е. G = — R2/ R1).
Упражнение 4.11. Выведите предыдущие выражения для входного импеданса и коэффициента усиления инвертирующего усилителя.
Выходной импеданс. Обратим теперь внимание на то, что цепь обратной связи передает с выхода на вход сигнал, пропорциональный либо выходному напряжению, либо току нагрузки. В первом случае выходной импеданс при замыкании обратной связи уменьшается в (1 + АВ) раз, а во втором - во столько же раз увеличивается. Рассмотрим это явление на примере напряжения. Начнем с модели, представленной на рис. 4.71.

Рис. 4.71.
На этой схеме выходной импеданс показан в явном виде. Для упрощения вычислений воспользуемся следующим приемом: замкнем вход накоротко и положим, что выходное напряжение равно U; определив выходной ток I, найдем выходной импеданс R'вых = U/I. Напряжение U на выходе создает на входе усилителя падение напряжения, равное — B/U, которое в свою очередь создает во внутреннем генераторе усилителя напряжение — ABU. Выходной ток при этом равен
