Искусство схемотехники. Том 1 (Изд.4-е) - Страница 90
4.20. Дифференциаторы
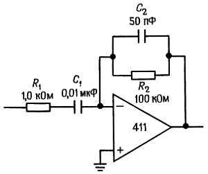
Дифференциаторы подобны интеграторам, в них только меняются местами резистор R и конденсатор С (рис. 4.51).

Рис. 4.51.
Инвертирующий вход ОУ заземлен, поэтому изменение входного напряжения с некоторой скоростью вызывает появление тока I = C(dUвх/dt), а следовательно, и выходного напряжения Uвх= — RC(dUвх/dt). Дифференциаторы имеют стабилизированное смещение, неприятности создают обычно шумы и нестабильность работы на высоких частотах, что связано с большим усилением ОУ и внутренними фазовыми сдвигами. В связи с этим следует ослаблять дифференцирующие свойства схемы на некоторой максимальной частоте. Обычно для этого используют метод, который показан на рис. 4.52.

Рис. 4.52.
Компоненты R1 и С2, с помощью которых создается спад, выбирают с учетом уровня шума и ширины полосы пропускания ОУ. На высоких частотах благодаря резистору R1 и конденсатору С2схема начинает работать как интегратор.
Работа ОУ с одним источником питания
Для работы операционного усилителя не требуется иметь стабилизированные источники питания +15 В. Можно использовать расщепленные источники более низкого напряжения или несимметричные источники (например, +12 В и -3 В), которые обеспечивают полный диапазон напряжения питания (U+—U_), согласно спецификации ОУ (см. табл. 4.1). Часто подходящими оказываются нестабилизированные источники напряжения, так как благодаря отрицательной обратной связи обеспечивается высокое значение коэффициента ослабления влияния напряжения источника питания (для ОУ типа 411 типичным является значение 90 дБ). Во многих случаях бывает удобно, чтобы ОУ работал от одного источника питания, например +12 В. Это можно делать и с обычным ОУ, создав «искусственное опорное напряжение» относительно земли, если позаботиться об обеспечении минимально необходимого питания, обеспечивающего диапазоны выходного и входного синфазного напряжения. В некоторых современных операционных усилителях во входной и выходной диапазоны входит и напряжение отрицательного источника (т. е. потенциал земли при работе с одним источником питания). Для таких ОУ возможность работы с одним источником особенно заманчива благодаря простоте. Однако имейте в виду, что наиболее распространено использование расщепленных симметричных источников питания.
4.21. Смещение усилителей переменного тока, использующих один источник питания.
Для операционных усилителей общего назначения типа 411 размах напряжения на входах и на выходе обычно меньше диапазона напряжения питания (по абсолютной величине) на 1,5 В. Если вывод U_ соединить не с источником напряжения, а с землей, то ни на входе, ни на выходе напряжение не будет равно потенциалу земли. Если же создать опорное напряжение (равное, например, 0,5U+), то с его помощью можно сместить ОУ, и он будет работать так, как требуется (рис. 4.53). Эта схема представляет собой усилитель звуковых частот с усилением 40 дБ. Опорное напряжение Uоп = 0,5U+ обеспечивает полный размах выходного напряжения, равный приблизительно 17 В от пика до пика (около 6 В эфф.) без среза вершин сигнала. Конденсаторы на входе и выходе блокируют уровень напряжения постоянного тока, равный Uоп.

Рис. 4.53.
4.22. Операционные усилители с одним источником питания.
Существует такой класс операционных усилителей, который допускает работу с одним источником положительного напряжения питания. Это связано с тем, что входные напряжения могут изменяться вплоть до предельного отрицательного значения (обычно привязанного к потенциалу земли). В этом классе в свою очередь можно выделить два типа в зависимости от возможностей выходного каскада: в усилителях первого типа размах выходного напряжения ограничен снизу значением U_, в усилителях второго типа — двумя значениями напряжения питания:
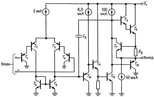
1. Операционный усилитель типа LM324 (четыре ОУ в одной ИС)/LМ358 (два ОУ в одной ИС), LT1013 и TLC270. Для этих схем нижний предел диапазона входного синфазного сигнала на 0,3 В ниже, чем U_, а размах выходного напряжения ограничен снизу значением напряжения U_. Как на входах, так и на выходе предельное значение напряжения на 1,5 В меньше, чем напряжение U+. Если требуется, чтобы входной диапазон был ограничен значением U+, то лучше использовать ОУ типа LM301/307, ОР-41 или 355; пример использования такого типа ОУ приведен в разд. 6.24, посвященном обсуждению источников постоянного тока. Для того, чтобы понять некоторые тонкости построения таких ОУ, полезно обратиться к принципиальной схеме (рис. 4.54).

Рис. 4.54. Принципиальная схема распространенных ОУ типа 324 и 358 (фирма National Semiconductor Corp.).
Она представляет собой дифференциальный усилитель; в качестве активной нагрузки входного каскада использовано токовое зеркало, выходной каскад является двухтактным и обеспечивает ограничение выходного тока. Запомните следующие основные моменты (напряжение U_будем называть землей):
Входы: использование на входе р-n-р-структуры приводит к тому, что размах напряжения ограничен снизу значением, которое на 0,3 В ниже потенциала земли; при превышении этого предела на любом из входов состояние выхода становится непредсказуемым (например, напряжение на выходе может стать отрицательным).
Выход: транзистор Т13работает при низком выходном напряжении и может принять большой втекающий ток, однако он способен удержать выходное напряжение только на уровне падения напряжения на диоде относительно земли. Более низкие напряжения обеспечивает приемник тока на 50 мкА; это означает, что при низких уровнях выхода (близких к 0 В) нельзя использовать нагрузку, через которую в схему пойдет ток, больший 50 мкА, в противном случае напряжение на выходе не сможет приблизиться к потенциалу земли более чем на величину падения напряжения на диоде. Даже при использовании «хорошей» нагрузки (например, в виде разомкнутой цепи) приемник тока не может приблизить выходное напряжение к потенциалу земли более чем на величину напряжения насыщения (0,1 В). Если надо, чтобы выходное напряжение было в точности равно потенциалу земли, то нагрузка должна отбирать небольшой ток; это может быть, например, заземленный резистор. В последнее время к семейству операционных усилителей с одним источником питания со входами на транзисторах р-n-р-типа. добавились следующие схемы: прецизионные ОУ типа LT1006 и LT1014 (в одном корпусе один и четыре ОУ, соответственно), микромощные ОУ типа ОР-20 и ОР-90 (в обоих случаях в одном корпусе один ОУ), и LP324 (в одном корпусе четыре ОУ).
Примеры схем с этими операционными усилителями будут приведены после того, как мы рассмотрим еще один тип ОУ, работающий с одним источником питания.