Искусство схемотехники. Том 1 (Изд.4-е) - Страница 42

Рис. 2.41. Схема смещения, в которой компенсируется падение напряжения между базой и эмиттером UБЭ.
В цепи коллектора транзистора Т1 протекает ток 1 мА, потенциал коллектора близок потенциалу земли (точнее, превышает потенциал земли примерно на величину падения напряжения UБЭ); если транзисторы Т1 и Т2 представляют собой согласованную пару (например, два транзистора, изготовленных на одном кристалле кремния), то смещение транзистора Т2 будет таким, что этот транзистор также будет порождать ток 1 мА и напряжение на его коллекторе будет равно +10 В, при этом симметричный сигнал на коллекторе может иметь размах ±10 В. Изменение температуры не влияет на работу схемы, так как оба транзистора находятся в одинаковых температурных условиях. Вот чем хороши «монолитные» сдвоенные транзисторы.
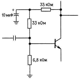
Обратная связь по постоянному току. Для стабилизации точки покоя (рабочей точки) можно использовать обратную связь по постоянному току. Один из методов такой стабилизации показан на рис. 2.42.

Рис. 2.42. Стабильность смещения обеспечивается за счет обратной связи.
Определенное улучшение стабильности можно получить, если напряжение смещения подавать с коллектора, а не от источника UKK. Напряжение на базе превышает потенциал земли на величину падения напряжения на диоде; так как напряжение смещения снимается с делителя 10:1, то напряжение на коллекторе превышает потенциал земли на величину, равную падению напряжения на диоде, увеличенному в 11 раз, т. е. составляет ~ 7 В.
Эта схема уменьшает склонность к насыщению (которая может возникнуть, например, если коэффициент β будет необычно большим) за счет того, что при уменьшении коллекторного напряжения уменьшается напряжение смещения на базе. Эту схему можно использовать в тех случаях, когда не нужна высокая стабильность. Точка покоя (выхода) подвержена дрейфу примерно на 1 В за счет изменений температуры окружающей среды. Это связано с тем, что напряжение между базой и эмиттером имеет большой температурный коэффициент. Большей стабильностью обладает схема, в которой петля обратной связи охватывает несколько каскадов усиления. Примеры вы увидите там, где речь пойдет об обратной связи.
Для того, чтобы понять, как работает эта схема, нужно внимательнее рассмотреть обратную связь. Например, обратная связь уменьшает входной и выходной импедансы. Для входного сигнала сопротивление R1 уменьшено за счет усиления по напряжению, которым обладает каскад. В данном случае резистор R1 эквивалентен резистору с сопротивлением 200 Ом, один конец которого заземлен. В следующей главе мы рассмотрим обратную связь более подробно, и тогда вы сможете определить коэффициент усиления по напряжению и входной и выходной импедансы данной схемы.
Отметим, что сопротивление резистора смещения базы можно увеличить, и тогда увеличится входной импеданс схемы, но ток базы уже нельзя будет считать пренебрежимо малым. Можно, например, взять такие резисторы: R1 = 220 кОм и R2 = 33 кОм. Другая возможность состоит в том, что в цепь обратной связи можно включить шунтирующий конденсатор, как показано на рис. 2.43. При этом удается избавиться от обратной связи (а следовательно, и от пониженного входного импеданса) на частотах сигнала.

Рис. 2.43. Устранение обратной связи на частотах сигнала.
Некоторые замечания относительно смещения и усиления. Первое важное замечание касается усилительных каскадов с заземленным эмиттером: создается впечатление, что коэффициент усиления по напряжению можно увеличить за счет увеличения тока покоя, так как собственное сопротивление эмиттера rЭ уменьшается при увеличении тока. Однако, хотя rЭ и уменьшается при увеличении коллекторного тока, для получения того же самого рабочего напряжения на коллекторе приходится использовать меньший коллекторный резистор, и в результате выигрыша нет. На самом деле можно показать, что в усилителе с заземленным эмиттером, смещенным так, что напряжение покоя составляет 0,5UKK, коэффициент усиления по напряжению для малого сигнала равен К ~= 20UKK независимо от величины тока покоя (рабочего тока).
Упражнение 2.10. Докажите, что сделанное выше утверждение справедливо.
Если требуется увеличить коэффициент усиления каскада по напряжению, то можно, например, в качестве активной нагрузки использовать источник тока. Так как источник тока обладает очень большим импедансом, то на одном каскаде можно получить коэффициент усиления по напряжению, равный 1000 и выше. Такой подход не пригоден в схемах со смещением, которые мы рассмотрели выше; каскад должен являться частью схемы, охваченной общей петлей обратной связи по постоянному току. Об этом поговорим в следующей главе. Внешняя нагрузка такого усилителя обязательно должна быть велика, в противном случае усиление, полученное за счет большого коллекторного сопротивления, будет потеряно. В качестве такой высокоомной нагрузки можно использовать эмиттерный повторитель, полевой транзистор или операционный усилитель.
В радиочастотных усилителях, предназначенных для резонансного усиления в узкой полосе частот, в качестве коллекторной нагрузки принято использовать параллельный LC-контур; в этом случае можно получить очень большой коэффициент усиления по напряжению, так как на частоте сигнала LC-контур обладает большим импедансом (как источник тока), а его импеданс по постоянному току мал. LC-контур можно перестраивать и благодаря резонансной характеристике он подавляет сигналы, лежащие за пределами рабочего диапазона. К преимуществам этой схемы можно отнести также возможность получения размаха выходного сигнала, равного 2UKK, и возможность использования трансформаторной связи.
Упражнение 2.11. Разработайте резонансный усилительный каскад с общим эмиттером для частоты 10 кГц. Используйте в схеме шунтированный эмиттерный резистор и установите ток покоя величиной 1 мА. Пусть Uкк = +15 В, a L = 1,0 мГн; параллельно LC-контуру подключите резистор 6,2 кОм, с тем чтобы получить Q = 10 (ширина полосы 10 %, см. разд. 1.22). Для межкаскадной связи используйте на входе конденсатор.
2.14. Токовые зеркала
От схемы смещения с использованием согласованной пары транзисторов легко перейти к так называемому токовому зеркалу (рис. 2.44).

Рис. 2.44. Классическая схема токового зеркала на основе согласованной пары биполярных транзисторов. Отметим, что положительное питающее напряжение принято обозначать UKK, даже в тех случаях, когда используются транзисторы р-n-р-типа.
Работа токового зеркала «программируется» путем задания коллекторного тока транзистора T1. Напряжение UБЭ для T1 устанавливается в соответствии с заданным током, температурой окружающей среды и типом транзистора. В результате оказывается заданным режим схемы, и транзистор Т2, согласованный с транзистором Т1 (лучше всего использовать монолитный сдвоенный транзистор), передает в нагрузку такой же ток, что задан для T1. Небольшими базовыми токами можно пренебречь.