Искусство схемотехники. Том 1 (Изд.4-е) - Страница 41
Эмиттерный резистор в качестве элемента обратной связи. Если к собственному сопротивлению эмиттера добавить сопротивление внешнего эмиттерного резистора, то многие параметры усилителя с общим эмиттером улучшатся, правда за счет снижения коэффициента усиления. Аналогичное явление рассматривается в следующих двух главах, посвященных использованию отрицательной обратной связи, позволяющей улучшить характеристики усилителя за счет частичной передачи выходного сигнала на вход. Это не простое совпадение, дело в том, что в усилителе с общим эмиттером используется одна из форм отрицательной обратной связи. Представим себе, что транзистор — это элемент с передаточной крутизной, в котором коллекторный ток (а следовательно, и выходное напряжение) зависит от напряжения, действующего между базой и эмиттером; на вход усилителя подается напряжение, действующее между базой и землей. Входное напряжение представляет собой напряжение между эмиттером и базой минус напряжение (IЭRЭ). Следовательно, в схеме с общим эмиттером действует отрицательная обратная связь, и благодаря этому улучшаются характеристики усилителя (высокая линейность и стабильность, большой входной импеданс; выходной импеданс можно уменьшить, если ввести обратную связь непосредственно с коллектора). Это лишь первое знакомство с обратной связью, но и оно позволяет оценить значение материала, изложенного в гл. 4–5.
2.13. Смещение в усилителе с общим эмиттером
Существует возможность задать смещение в усилителе с общим эмиттером и при необходимости получения максимально возможного коэффициента усиления (или если усилительный каскад охвачен петлей обратной связи). Есть три варианта схем смещения, которые можно комбинировать между собой: с помощью шунтируемого резистора в эмиттерной цепи, с помощью согласованного транзистора и с помощью обратной связи по постоянному току.
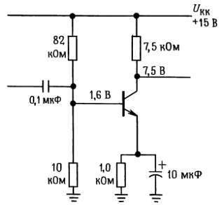
Шунтируемый резистор в эмиттерной цепи. Смещение можно обеспечить с помощью шунтируемого резистора в эмиттерной цепи, как показано на рис. 2.37.

Рис. 2.37. Шунтируемый резистор в эмиттерной цепи можно использовать для получения стабильного смещения в усилителе с заземленным эмиттером.
Для того чтобы облегчить задачу создания смещения, резистор RЭ выбран так, что его сопротивление составляет 0,1RК; если резистор RЭ слишком мал, то напряжение на эмиттере будет намного меньше, чем падение напряжения между базой и эмиттером, а это приведет к температурной нестабильности точки покоя, так как напряжение UBЭ зависит от температуры.
Шунтирующий эмиттерный конденсатор следует выбирать так, чтобы его импеданс был небольшим по сравнению с rЭ (а не с RЭ) на самой низкой из интересующих вас частот. В данном случае его импеданс составляет 25 Ом на частоте 650 Гц. В диапазоне рабочих частот входного сигнала для выбора входного конденсатора межкаскадной связи существенно, что входное сопротивление схемы определяется параллельным соединением сопротивления 10 кОм и входного сопротивления транзистора со стороны базы, в данном случае — это сопротивление 25 Ом, умноженное на h21э, т. е. приблизительно 2,5 кОм. Для сигналов постоянного тока сопротивление со стороны базы значительно больше (сопротивление эмиттерного резистора, умноженное на h21э, т. е. приблизительно 100 кОм), и именно благодаря этому можно обеспечить стабильное смещение.
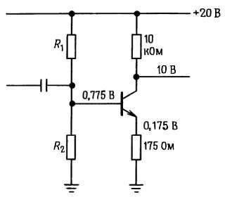
Одна из разновидностей рассмотренной схемы отличается использованием в эмиттерной цепи двух последовательных резисторов, один из которых шунтируется. Например, нужно спроектировать усилитель, коэффициент усиления которого равен 50, ток покоя -1 мА, а напряжение UKK составляет +20 В; частота сигнала может изменяться от 20 Гц до 20 кГц. Если для решения поставленной задачи вы выберете схему с общим эмиттером, то получите усилитель, показанный на рис. 2.38.

Рис. 2.38.
Коллекторный резистор выбран так, чтобы коллекторное напряжение покоя составляло 0,5UKK. Эмиттерный резистор выбран с учетом требуемого значения коэффициента усиления и влияния rЭ, составляющего 25/IК(мА). Трудность состоит в том, что эмиттерное напряжение, равное лишь 0,175 В, будет подвержено существенным изменениям. Дело в том, что падение напряжения на переходе база-эмиттер, равное ~= 0,6 В, зависит от температуры (относительное изменение составляет примерно —2,1 мВ/°С), тогда как напряжение на базе поддерживается постоянным с помощью резисторов R1 и R2; например, вы можете убедиться, что при увеличении температуры на 20 °C коллекторный ток возрастает примерно на 25 %. Это неприятное явление можно устранить, если включить в эмиттерную цепь дополнительный зашунтированный конденсатором резистор, который не будет влиять на коэффициент усиления в рабочем диапазоне частот (рис. 2.39).

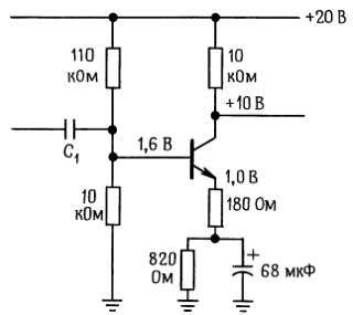
Рис. 2.39. Усилитель с общим эмиттером, обладающий стабильным смещением, линейностью и большим коэффициентом усиления по напряжению.
Как и в предыдущей схеме, коллекторный резистор выбран здесь так, чтобы напряжение на коллекторе было равно 10 В (0,5UKK). Нешунтируемый резистор в цепи эмиттера выбран таким образом, чтобы с учетом собственного сопротивления эмиттера, составляющего rЭ = 25/IК(мА), коэффициент усиления был равен 50. Дополнительное сопротивление в цепи эмиттера должно быть таким, чтобы смещение было стабильным (хороший результат дает сопротивление, в 10 раз меньшее коллекторного). Напряжение базы выбрано так, чтобы ток эмиттера был равен 1 мА, при условии что сопротивление цепи смещения составляет десятую часть от сопротивления по постоянному току со стороны базы (в данном случае около 100 кОм).
Сопротивление шунтирующего конденсатора в цепи эмиттера должно быть небольшим по сравнению с сопротивлением 180 + 25 Ом на самой низкой частоте диапазона. И наконец, входной конденсатор межкаскадной связи должен иметь небольшой импеданс по сравнению с входным сопротивлением усилителя на частоте входного сигнала, которое определяется параллельным соединением сопротивления делителя напряжения и сопротивления (180 + 25)/h21э Ом (на частотах входного сигнала сопротивление 820 Ом шунтировано конденсатором и равноценно замкнутой накоротко цепи).
В другом варианте этой схемы цепи сигнала и постоянного тока разделены (рис. 2.40). Это разделение позволяет изменять коэффициент усиления (за счет резистора 180 Ом), не изменяя смещения.

Рис. 2.40. Другой вариант схемы, показанной на рис. 2.39.
Использование согласованного транзистора. Для получения напряжения базы, обеспечивающего нужный ток коллектора, можно использовать согласованные транзисторы, при этом будет обеспечена автоматическая температурная компенсация (рис. 2.41).
