Искусство схемотехники. Том 1 (Изд.4-е) - Страница 37
Влияние коэффициента h21Э можно ослабить, если выбрать транзистор с большим значением h21Э, тогда ток базы будет вносить незначительный вклад в ток эмиттера.
На рис. 2.25 показан еще один источник тока, в котором выходной ток не зависит от напряжения питания. В этой схеме напряжение UБЭ транзистора Т1, падая на резисторе R2, определяет выходной ток независимо от напряжения UKK
Uвых = UБЭ/R2.
С помощью резистора R1 устанавливается смещение транзистора Т2 и потенциал коллектора Т1, причем этот потенциал меньше, чем напряжение UKK, на удвоенную величину падения напряжения на переходе; тем самым уменьшается влияние эффекта Эрли. В этой схеме нет температурной компенсации; напряжение на R2 уменьшается приблизительно на 2,1 мВ/°С и вызывает соответствующее изменение выходного тока (0,3 %/°С).

Рис. 2.25. Транзисторный источник тока с использованием напряжения Uбэ в качестве опорного.
2.07. Усилитель с общим эмиттером
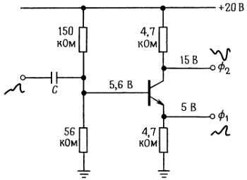
Рассмотрим источник тока, нагрузкой для которого служит резистор (рис. 2.26).

Рис. 2.26.
Напряжение на коллекторе равно
Uк = UKK — IкRк
Можно через емкость задать сигнал в цепь базы, тогда напряжение на коллекторе будет изменяться. Рассмотрим пример, представленный на рис. 2.27.

Рис. 2.27. Каскад усиления переменного тока с общим эмиттером с отрицательной обратной связью в цепи эмиттера. Обратите внимание, что выходной сигнал снимается с коллектора, а не с эмиттера.
Конденсатор С выбран так, что фильтр высоких частот, образованный этим конденсатором и последовательно соединенными с ним резисторами смещения базы, пропускает все нужные частоты (резисторы в цепи базы обычно выбирают так, чтобы импеданс со стороны базы, т. е. входное сопротивление транзистора, был гораздо больше и им можно было пренебречь).
Иначе говоря,
С >= 1/2πf(R1||R2)
Благодаря напряжению смещения, приложенному к базе, и наличию эмиттерного резистора сопротивлением 1,0 кОм ток покоя коллектора составляет 1,0 мА. Этот ток создает на коллекторе напряжение +10 В (+20 В минус падение напряжения на сопротивлении 10 кОм при протекании тока 1,0 мА). Допустим теперь, что на базу подан сигнал uБ. Напряжение на эмиттере повторяет изменение напряжения на базе uэ — uБ и вызывает изменение эмиттерного тока:
iэ = uэ/Rэ = uБ/Rэ
и приблизительно такое же изменение коллекторного тока (транзистор имеет большой коэффициент h21Э). Итак, первоначальное изменение напряжения на базе вызывает изменение коллекторного напряжения:
uк = — iкRк= — uБ(Rк/Rэ)
Стоп! Получается, что схема представляет собой усилитель напряжения, коэффициент усиления которого определяется следующим образом:
Коэффициент усиления = uвых/uвх = —Rк/Rэ
В нашем примере коэффициент усиления равен —10000/1000, или —10. Знак минус говорит о том, что положительный сигнал на входе дает на выходе отрицательный сигнал (амплитуда которого в 10 раз больше, чем на входе). Такая схема называется усилителем с общим эмиттером с отрицательной обратной связью в цепи эмиттера.
Входное и выходное сопротивление для усилителя с общим эмиттером. Нетрудно определить входное и выходное сопротивление усилителя. Для входного сигнала схема представляет собой параллельное соединение резисторов 110 кОм, 10 кОм и входного сопротивления со стороны базы. Последнее приблизительно равно 100 кОм (сопротивление RЭ, увеличенное в h21Э раз), а значит, входное сопротивление равно приблизительно 8 кОм (преобладающую роль играет сопротивление 10 кОм). Если используется развязывающий конденсатор, указанный на схеме, то получаем фильтр высоких частот с точкой — 3 дБ на частоте 200 Гц. Для сигналов в рабочей полосе частот (выше частоты, соответствующей точке — 3 дБ) конденсатором емкостью 0,1 мкФ можно пренебречь и учитывать только сопротивление 8 кОм, соединенное с ним последовательно. Выходное сопротивление определяется как параллельное соединение сопротивления 10 кОм и выходного сопротивления транзистора со стороны коллектора. Что же получается? Если бы не коллекторный резистор, то схема не отличалась бы от источника тока. Коллектор обладает очень большим сопротивлением (порядка мегаОм), поэтому выходное сопротивление определяется коллекторным резистором, сопротивление которого составляет 10 кОм. Напомним, что сопротивление со стороны коллектора велико, а со стороны эмиттера мало (как и в схеме эмиттерного повторителя). В выходном сопротивлении усилителя с общим эмиттером преобладает сопротивление резистора нагрузки, стоящего в цепи коллектора, а выходное сопротивление эмиттерного повторителя определяется выходным сопротивлением транзистора со стороны эмиттера, а не сопротивлением нагрузки, стоящей в цепи эмиттера.
2.08. Схема расщепления фазы с единичным коэффициентом усиления
Иногда полезно иметь сигнал и его инверсию, т. е. два однородных сигнала, сдвинутые друг относительно друга по фазе на 180°. Получить такие сигналы нетрудно — нужно воспользоваться усилителем с общим эмиттером, коэффициент усиления которого равен — 1 (рис. 2.28).

Рис. 2.28. Схема расщепления фазы с единичным коэффициентом усиления.
Напряжение покоя на коллекторе устанавливают равным 0,75UKK вместо привычного значения 0,5UKK. Это делается с уже известной нам целью — получить симметричный выходной сигнал без срезов на любом из выходов. Напряжение на коллекторе может изменяться от 0,5UKK до UKK, а на эмиттере — от потенциала земли до 0,5UKK. Обращаем ваше внимание на то, что для симметричного усиления выходы схемы следует нагружать одинаковыми (или очень большими) импедансами.
Фазовращатель. На рис. 2.29 показан хороший пример использования схемы расщепления фазы выходного сигнала.

Рис. 2.29. Схема расщепления фазы с постоянной амплитудой.
Схема позволяет регулировать фазу выходного синусоидального сигнала (от нуля до 180°) при условии, что входной сигнал тоже представляет собой синусоиду; амплитуда сигнала при регулировке фазы сохраняется постоянной. Работу схемы помогает понять векторная диаграмма напряжений (см. гл. 1), для нашей схемы представленная на рис. 2.30; входной сигнал на ней изображен в виде единичного вектора, направленного вдоль действительной оси. Направления векторов, соответствующих сигналам UR и UK, должны быть такими, чтобы этим двум векторам соответствовал вектор постоянной длины, направленный вдоль действительной оси.