Искусство схемотехники. Том 1 (Изд.4-е) - Страница 34
В ряде вариантов рассмотренной схемы предусматривают меры для снижения пульсаций тока в стабилитроне (протекающего через резистор R). В частности, может быть использован источник тока для питания стабилитрона. Этот случай мы рассмотрим в разд. 2.06. Другой метод основан на использовании в цепи питания стабилитрона фильтра низких частот (рис. 2.13).

Рис. 2.13. Снижение пульсаций в стабилитроне.
Резистор R выбирают так, чтобы обеспечить необходимый ток в стабилитроне. Конденсатор С должен иметь емкость, достаточно большую для того, чтобы выполнялось условие RC >> 1/f. (В одном из вариантов этой схемы верхний резистор заменен диодом). В дальнейшем вы познакомитесь с более совершенными стабилизаторами, в которых выходное напряжение можно легко и плавно настраивать благодаря обратной связи. Вместе с тем они представляют собой гораздо лучшие источники напряжения, выходные импедансы которых измеряются в миллиомах, температурные коэффициенты - в миллионных долях на °С и т. д.
2.05. Смещение в эмиттерном повторителе
Если на эмиттерный повторитель должен поступать сигнал с предшествующего каскада схемы, то лучше всего подключить его непосредственно к выходу предыдущего каскада, как показано на рис. 2.14.

Рис. 2.14.
Так как сигнал на коллекторе транзистора Т1 изменяется в пределах диапазона, ограниченного значениями напряжения источников питания, то потенциал базы Т2 всегда заключен между напряжением UKK и потенциалом земли, а следовательно, Т2 находится в активной области (не насыщен и не в отсечке). При этом переход база-эмиттер открыт, а потенциал коллектора, по крайней мере на несколько десятых долей вольта больше, чем потенциал эмиттера. В некоторых случаях вход эмиттерного повторителя и напряжение питания неудачно соотносятся друг с другом, и тогда может возникнуть необходимость в емкостной связи (или связи по переменному току) с внешним источником сигнала (например, это относится к сигнальному входу высококачественного усилителя низкой звуковой частоты). В этом случае среднее напряжение сигнала равно нулю, и непосредственная связь с эмиттерным повторителем приведет к тому, что сигнал на выходе будет изменяться относительно входа, как показано на рис. 2.15.

Рис. 2.15. Транзисторный усилитель с положительным источником питания не может генерировать на выходе импульсы отрицательной полярности.
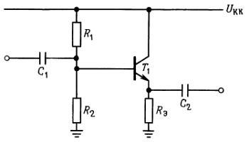
В эмиттерном повторителе (а фактически в любом транзисторном усилителе) необходимо создать смещение для того, чтобы коллекторный ток протекал в течение полного периода сигнала. Проще всего воспользоваться для этого делителем напряжения (рис. 2.16).

Рис. 2.16. Эмиттерный повторитель со связью по переменному току. Обратите внимание на делитель напряжения в цепи смещения базы.
Резисторы R1 и R2 выбраны так, что в отсутствие входного сигнала потенциал базы равен половине разности между напряжением источника UKK и потенциалом земли, т. е. сопротивления R1 и R2 равны. Процесс выбора рабочих напряжений в схеме в отсутствие поданных на ее вход сигналов называется установкой рабочей точки или точки покоя. Для этой схемы, как и в большинстве случаев, точку покоя устанавливают так, чтобы на выходе формировался максимальный симметричный сигнал (без ограничений или срезов). Какими должны быть при этом сопротивления резисторов R1 и R2? Применяя общий подход (разд. 1.05), допустим, что импеданс источника смещения по постоянному току (импеданс со стороны выхода делителя) мал по сравнению с импедансом нагрузки (импеданс по постоянному току со стороны базы повторителя). Тогда
R1||R2<< h21ЭRЭ
Из этого соотношения следует, что ток, протекающий через делитель напряжения, должен быть больше, чем ток, протекающий по цепи базы.
Пример разработки схемы эмиттерного повторителя. В качестве примера разработаем схему эмиттерного повторителя для сигналов звуковой частоты (от 20 Гц до 20 кГц). Напряжение UKK составляет +15 В, ток покоя равен 1 мА.
Шаг 1. Выбор напряжения UЭ. Для получения симметричного сигнала без срезов необходимо, чтобы выполнялось условие UЭ = 0,5UKK, или +7,5 В.
Шаг 2. Выбор резистора RЭ. Ток покоя должен составлять 1 мА, поэтому RЭ = 7,5 кОм.
Шаг 3. Выбор резисторов R1 и R2. Напряжение UБ — это сумма UЭ + 0,6 В, или 8,1 В. Из этого следует, что сопротивления резисторов R1 и R2 относятся друг к другу как 1:1,17. Учитывая известный уже нам критерий выбора нагрузки, мы должны подобрать резисторы R1 и R2 так, чтобы сопротивление их параллельного соединения составляло приблизительно 75 кОм или меньше (0,1 от произведения 7,5 кОм на h21э)· Выберем следующие стандартные значения сопротивлений: R1 = 130 кОм, R2 = 150 кОм.
Шаг 4. Выбор конденсатора C1. Конденсатор C1 и сопротивление нагрузки источника образуют фильтр высоких частот. Сопротивление нагрузки источника есть параллельное соединение входного сопротивления транзистора со стороны базы и сопротивления делителя напряжения базы. Предположим, что нагрузка схемы велика по сравнению с эмиттерным резистором, тогда входное сопротивление транзистора со стороны базы равно h21эRэ, т. е. составляет ~= 750 кОм. Эквивалентное сопротивление делителя равно 70 кОм. Тогда нагрузка для конденсатора составляет 63 кОм и емкость конденсатора должна быть равна по крайней мере 0,15 мкФ. В этом случае точке —3 дБ будет соответствовать частота, меньшая чем 20 Гц.
Шаг 5. Выбор конденсатора С2. Конденсатор С2 и неизвестный импеданс нагрузки образуют фильтр высоких частот. Мы не ошибемся, если предположим, что импеданс нагрузки не будет меньше R3. Тогда для того, чтобы точке — 3 дБ соответствовало значение частоты, меньшее чем 20 Гц, емкость конденсатора С2 должна быть равна по крайней мере 1,0 мкФ. Так как мы получили двухкаскадный фильтр высоких частот, то для предотвращения снижения амплитуды сигнала на самой низкой из интересующих нас частот емкости следует взять немного побольше. Вполне подойдут следующие значения: C1 = 0,5 и С2 = 3,3 мкФ.
Эмиттерные повторители с расщепленными источниками. В связи с тем что сигналы часто находятся «возле земли», удобно использовать симметричное питание повторителей — с положительным и отрицательным напряжением. В такой схеме легче обеспечить смещение, и для нее не нужны развязывающие конденсаторы (рис. 2.17).