Искусство схемотехники. Том 1 (Изд.4-е) - Страница 128

Рис. 6.21.
Операционный усилитель включен как неинвертирующий усилитель и имеет на выходе стабильное напряжение, равное +10,0 В, которое используется для получения прецизионного тока 7,5 мА. Это самозапускающаяся схема, но она может включиться с любой полярностью на выходе! При «неправильной» полярности стабилитрон работает как обычный диод с прямым смещением. Включение операционного усилителя от однополярного источника питания снимает эту странную особенность. Прежде чем ставить в схему тот или иной ОУ, убедитесь, что его диапазон синфазных входных сигналов включает в себя потенциал минусовой шины источника питания (ОУ с «однополярным питанием»).
Существуют компенсированные специальные стабилитроны с гарантированной временной стабильностью напряжения; этот параметр, как правило, не указывается. Примеры - серия 1N3501 и 1N4890. Стабилитроны такого типа имеют гарантированную стабильность 5·10-6/1000 ч или еще лучше. Они недешевы. В табл. 6.5 собраны характеристики некоторых стабилитронов и диодных источников опорного напряжения, а в табл. 6.6 — ряд представителей двух популярных серий стабилитронов общего назначения на 500 мВт.
Стабилитронные ИМС. Для достижения свойственных стабилизатору 723 превосходных характеристик (стабильность Uоп 30·10-6 / °С) используется компенсированный стабилитрон. Стабилизатор 723 — вполне приличный источник опорного напряжения, и совместно с необходимыми навесными элементами эта ИМС может использоваться для получения стабильного источника с любым желательным напряжением.
Стабилизатор 723, применяемый в качестве опорного источника напряжения, служит примером «трехвыводного» опорного источника, т. е. источника, для работы которого нужен внешний источник питания; в схему источника входят цепь смещения стабилитрона и буферный усилитель выходного напряжения. К трехвыводным стабилитронным ИМС относятся превосходная LM369 фирмы National (1,5·10-6/°C тип.) и REF10KM фирмы Burr-Brown (температурный коэффициент не более 10-6/°С); в своих схемах мы часто используем недорогую ИМС Motorola MCI404 (которая фактически является UБЭ-стабилитроном, см. ниже). Вскоре мы более подробно рассмотрим трехвыводные источники опорного напряжения, а сейчас обратимся к двухвыводным. Прецизионные температурно-компенсированные стабилитронные ИМС выпускаются в виде двухвыводных устройств: с точки зрения внешних электрических соединений они выглядят просто как стабилитроны, хотя в действительности содержат еще ряд активных элементов для улучшения характеристик (наиболее существенная — постоянство стабилизированного напряжения при заданном токе).
Пример — недорогая схема LM329 с напряжением ~ 6,9 В. В лучшем варианте ее темп, коэффициент равен 6·10-6/°С (тип.), 10-5/°С (макс.) при постоянном токе 1 мА. Перечислим некоторые стабилитронные ИМС с необычными характеристиками: температурно-стабилизированная LM399 (0,3·10-6/°С тип.), микромощная LM385 (которая работает от тока, доходящего до 10 мкА) и выпускаемая фирмой Linear Technology ИМС LTZ1000 с ее потрясающими параметрами: типовой температурный коэффициент 0,05·10-6/°С, дрейф 0,3·10-6/месяц и низкочастотный шум 1,2 мкВ.
К несчастью, стабилитронные ИМС, как и их дискретные аналоги, сильно шумят. Шум становится сильнее для стабилизаторов, использующих лавинный пробой, т. е. с напряжением стабилитрона больше 6 В. На рис. 6.22 показан график шума стабилитронного источника 723.

Рис. 6.22. Зависимость напряжения шумов малошумящего стабилитрона, подобного тому, который используется в стабилизаторе 723, от рабочего тока стабилитрона.
Этот шум связан с поверхностными эффектами и применение стабилитронной структуры с так называемым захороненным (скрытым) или подповерхностным слоем может сильно улучшить стабильность стабилитрона и существенно уменьшить его шум. Так, только что упоминавшийся источник опорного напряжения LTZ1000 на стабилитроне с захороненным слоем - самый совершенный из всех типов источников опорного напряжения. LM369 и REF10KM также имеют очень малый шум. В табл. 6.7 перечислены характеристики почти всех выпускаемых стабилитронных ИМС, как на основе собственно стабилитронов, так и на UБЭ-стабилитронах.
6.15. Источник опорного напряжения на UБЭ-стабилитроне
Недавно стала получать распространение схема, известная под названием «стабилитрон с напряжением запрещенной зоны». Более точно было бы название «UБЭ-стабилитрон». Это легко понять, вспомнив формулу Эберса-Молла для диода. В основе схемы лежит идея генерации напряжения с температурным коэффициентом, положительным и равным по абсолютной величине отрицательному температурному коэффициенту напряжения UБЭ. При сложении этого напряжения с UБЭ получается напряжение с нулевым температурным коэффициентом.
Начнем с рассмотрения токового зеркала с двумя транзисторами, работающими с разной плотностью эмиттерного тока (рис. 6.23), с обычным отношением плотностей тока порядка 10:1.

Рис. 6.23.
Применяя формулу Эберса-Молла, легко показать, что Iвых имеет положительный температурный коэффициент, так как разность напряжений UБЭ для двух транзисторов есть просто (kT/q)lnσ, где σ — отношение плотностей тока (см. график на рис. 2.53). Здесь может возникнуть вопрос: где взять постоянный задающий ток Iупр. Несколько позже мы покажем остроумный способ его получения. Сейчас вам надо только преобразовать этот ток в напряжение с помощью резистора и сложить с нормальным напряжением UБЭ. Такая схема показана на рис. 6.24.

Рис. 6.24. Классическая схема источника опорного напряжения с напряжением запрещенной зоны полупроводника.
Резистор R2 устанавливает величину напряжения, которое складывается с UБЭ и имеет положительный температурный коэффициент. Подбирая должным образом величину R2, получаем нулевой результирующий температурный коэффициент. Оказывается, что температурный коэффициент будет нулевым, если суммарное напряжение равно напряжению запрещенной зоны кремния (при температуре абсолютного нуля), т. е. примерно 1,22 В. Часть схемы, обведенная пунктиром, является стабилитроном. Ее выход используется (через резистор R3) Для создания постоянного тока Iупр, который мы с самого начала считали существующим.
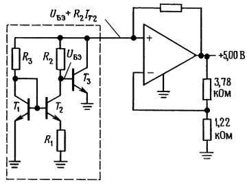
На рис. 6.25 показана другая весьма популярная схема стабилитрона «запрещенной зоны» (заменена обведенная часть схемы рис. 6.24).

Рис. 6.25.
Т1и Т2 - согласованная пара транзисторов, вынужденная благодаря обратной связи по разности напряжений коллекторов работать при отношении токов коллекторов 10:1. Разность напряжений UБЭ, равная (kT/q)ln 10, делает ток эмиттера Т2 пропорциональным температуре (разность напряжений приложена к резистору R1). Но поскольку коллекторный ток Т1 всегда в 10 раз больше этой величины, он также пропорционален Т. Поэтому суммарный эмиттерный ток пропорционален Τ и создает на резисторе R2 падение напряжения, имеющее положительный температурный коэффициент. Это падение напряжения может быть использовано в качестве выходного сигнала температурного датчика (мы об этом дальше упомянем). В данной схеме напряжение, снимаемое с резистора R2, складывается с напряжением UБЭ транзистора Т1 для получения стабильного опорного напряжения с нулевым температурным коэффициентом на базах транзисторов Т1и Т2. «Опорные источники запрещенной зоны» существуют в самых разных вариантах, но для них всех характерно сложение напряжения UБЭ с напряжением, созданным парой транзисторов, работающих с некоторым заданным отношением плотностей токов.