Искусство схемотехники. Том 1 (Изд.4-е) - Страница 125
Если вы посмотрите на современные схемы источников питания, то вы не часто встретите ИМС 723 или даже ее только что перечисленные улучшенные версии. Вместо этого вы увидите главным образом такие ИМС, как 7805 или 317, примечательной особенностью которых является отсутствие внешних элементов (ИМС 7805 не требуется ни одного!). В большинстве случаев вы можете получить все параметры, которые вам требуются, от этих имеющих высокую степень интеграции и простых в использовании «трехвыводных» стабилизаторов, включая сюда большой выходной ток (до 10 А) без внешних проходных транзисторов, подстраиваемое выходное напряжение, превосходную степень стабилизации и встроенные схемы ограничения тока и термовыключатель. Вскоре мы поговорим о них, но вначале в качестве прелюдии рассмотрим а) проектирование нестабилизированного источника питания и б) источники опорного напряжения.
Нестабилизированные источники питания
Все стабилизированные источники питания требуют для своей работы источника «нестабилизированного питания постоянного тока», который мы начали рассматривать в разд. 1.27 вместе с расчетами выпрямителей и величины пульсаций.
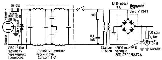
Посмотрим на данный предмет более детально, начав со схемы, представленной на рис. 6.17. Это источник нестабилизированного питания +13 В (номинал), предназначенный для использования со стабилизатором +5 В, 2 А. Рассмотрим эту схему слева направо, отмечая вопросы, о которых надо помнить при проектировании подобных устройств.

Рис. 6.17. Нестабилизированный источник питания со схемой связи с сетью переменного тока. Обратите внимание на цветовую маркировку проводов сетевого питания.
6.11. Компоненты линии переменного тока
Трехпроводная связь. Всегда используйте трехпроводный шнур с нейтральной зеленой жилой, присоединенной к кожуху прибора. Без заземления прибор может оказаться смертоносным в случае пробоя изоляции трансформатора или случайного контакта одной из шин питания (от сети) с кожухом прибора. Если кожух заземлен, то при такой неисправности просто сгорит предохранитель.
Линейный фильтр и устройство подавления переходных процессов. В этой схеме мы применяем простой сетевой LC-фильтр. Вообще часто обходятся без таких фильтров, но с ними лучше, во-первых, потому, что они препятствуют возможному радиоизлучению из силовых проводов, а во-вторых, потому, что эти фильтры убирают помехи, которые наводятся извне в линии питания. Фильтры для линий питания с великолепными параметрами выпускают несколько фирм, например Corcom, Cornell-Dubilier, Sprague. Эксперименты показали, что большие всплески (от 1 до 5 кВ) иногда случаются в любых линиях сетевого питания, а всплески поменьше встречаются чаще.
Сетевые фильтры довольно эффективно снижают действие таких помех. В многих ситуациях желательно использование «гасителя переходных процессов», показанного на схеме. Это — устройство, которое проводит ток, как только напряжение на его выводах превосходит определенный предел (действует как двусторонний высоковольтный стабилитрон). Устройства эти невелики и дешевы и могут гасить опасные импульсы тока в сотни ампер. Гасители переходных процессов выпускаются многими фирмами, например GE и Siemens. В табл. 6.2 и 6.3 приведены данные фильтров радиочастотных помех и гасителей переходных процессов.
Плавкий предохранитель. Плавкий предохранитель — существенная деталь любого предмета электронного оборудования. Большие щитовые предохранители на 15–20 А не защитят электронное оборудование, поскольку они срабатывают только в случае превышения общего расчетного тока проводки. Например, если проводка в здании сделана проводами четырнадцатого номера сечения, то предохранители будут рассчитаны на 15 А. Если же замкнется накоротко конденсатор фильтра в только что рассмотренной схеме (довольно обычная неисправность), то ток в первичной обмотке трансформатора может достичь 5 А вместо обычного 0,25 А. Общий предохранитель не сгорит, но ваш прибор превратится в электроплитку или костер, поскольку на трансформаторе будет рассеиваться мощность более 500 Вт!
Несколько замечаний о плавких предохранителях. Во-первых, в блоках питания лучше использовать медленно действующие предохранители, поскольку имеют место большие токи переходных процессов при включении (например, при зарядке конденсаторов фильтра). Во-вторых, вы можете кое-что недоучесть при расчете номинального тока срабатывания предохранителя. Дело в том, что в источнике питания постоянного тока велико отношение эффективного (действующего) значения тока к его среднему значению ввиду малости угла проводимости (части цикла, когда диоды выпрямителя находятся в проводящем состоянии). Проблема усугубляется, когда конденсаторы фильтра имеют большую емкость. В результате эффективное значение тока будет значительно выше, чем вы могли бы предположить. Лучше всего в этой ситуации поступать следующим образом: измерить ток амперметром «истинного действующего значения», а затем выбрать предохранитель с током срабатывания по меньшей мере на 50 % большим измеренной величины (чтобы учесть перенапряжение в сети, эффект «усталости» предохранителя и т. п.). И наконец, последнее замечание.
Подводя провода к держателю предохранителя (к тому, что обычно применяется для предохранителей 3AG, которые почти универсальны для любого электронного оборудования), делайте это таким образом, чтобы человек, меняющий предохранитель, не мог случайно коснуться силовой линии. Для этого нужно «горячий» провод подводить только к заднему выводу предохранителя (один из авторов убедился в этом на собственном опыте!). Серийно выпускаемые сетевые коннекторы с встроенным держателем предохранителя сделаны обычно так, что предохранитель нельзя достать, не сняв разъем питания.
Риск электрического удара. Из изложенного следует, что неплохо было бы все места соединений внутри прибора, на которых есть напряжение сети, изолировать тефлоновыми трубками («кембриками»), дающими усадку при нагревании (использование внутри электронных приборов «фрикционной» ленты или электрической изоляционной ленты - это чистая партизанщина). Поскольку большинство транзисторных схем работает на относительно низких постоянных напряжениях — от ±15 до ± 30 В или около, единственное место в большинстве электронных приборов (конечно, есть и исключения), где может стукнуть током, — это провода силового питания. Очень коварен в этом отношении выключатель на передней панели устройства, так как он близок к другой, низковольтной, проводке. Ваш измерительный прибор (в худшем случае — ваши руки) может легко вступить в контакт с этим напряжением при измерительных работах.
Полезные мелочи. Мы предпочитаем использовать «входные силовые модули», включающие в себя 3-контактный разъем IEC (позволяющий вытаскивать шнур сетевого питания) и некоторый набор из сетевого фильтра, держателя предохранителя и сетевого выключателя. Например, разъемы серии FN380 фирмы Schaffner (или серии L фирмы Corcom) имеют все перечисленные компоненты и могут пропускать ток до 2–6 А. Есть модификации разъемов этой серии, позволяющие включать плавкие предохранители и разрывать при выключении одну или обе линии сети, и кроме того, они имеют фильтры нескольких конфигураций. Перечислим еще несколько изготовителей подобного типа разъемов: это фирмы Curtis, Delta и Power Dynamics (табл. 6.3).
В представленной на рис. 6.17 схеме мы применили для индикации включения питания светоизлучающий диод (СИД) с токоограничивающим («гасящим») резистором, запитанный от нестабилизированного напряжения постоянного тока. Вообще говоря, лучше подавать на СИД стабилизированное напряжение — здесь нет всплесков при выключении нагрузки и не проявляются колебания напряжения сети.