Искусство схемотехники. Том 1 (Изд.4-е) - Страница 108
Фильтры верхних частот. Чтобы построить фильтр верхних частот, используем показанную ранее конфигурацию фильтра нижних частот, т. е. поменяем местами R и С. При этом для фильтра Баттерворта ничего больше не изменится (значения R, С и К останутся те же). Для фильтров Бесселя и Чебышева сами значения К останутся те же, а нормирующий множитель fн должен быть обратный, т. е. для каждой секции новое значение равно fн = 1/fн (как указано в табл. 5.2).
Полосовой фильтр получается при каскадном соединении фильтров верхних частот и фильтров нижних частот с перекрывающимися полосами пропускания. Полосноподавляющий же фильтр можно получить с помощью схемы сложения выходных сигналов фильтров верхних частот и фильтров нижних частот с неперекрывающимися полосами пропускания. Однако такие каскадные фильтры не очень пригодны там, где нужны фильтры с высокой добротностью (полосовые фильтры с крутой переходной областью) вследствие большой чувствительности индивидуальных (непарных) фильтровых секции к значениям параметров элементов. В таких случаях следует применять высокодобротную однокаскадную полосовую схему (т. е. описанную ранее полосовую схему на ИНУН или рассматриваемые далее биквадратные фильтры и фильтры на основе метода переменных состояния) вместо многокаскадного фильтра. Даже однокаскадный двухполюсный фильтр может иметь характеристику с крайне острым пиком. Информацию о таких конструкциях фильтров можно найти в справочниках.
В фильтрах на ИНУН используется минимальное число элементов (один операционный усилитель на два полюса характеристики), при этом они дают дополнительный выигрыш в виде неинвертирующего коэффициента усиления, низкого выходного полного сопротивления, малого разброса значений параметров, простоты регулировки коэффициента усиления и способности работать при большом коэффициенте усиления или высокой добротности. Их недостаток — высокая чувствительность к изменениям параметров элементов и коэффициента передачи усилителя, кроме того, они не годятся для построения перестраиваемых фильтров с устойчивой характеристикой.
Упражнение 5.3. Спроектируйте на ИНУН 6-полюсный фильтр Чебышева нижних частот с неравномерностью в полосе пропускания 0,5 дБ и частотой среза fс =100 Гц. Какое ослабление будет на частоте, равной 1,5fс?
5.08. Фильтры, построенные на основе метода переменных состояния
Изображенный на рис. 5.18 двухполюсный фильтр куда более сложен по сравнению с фильтрами на ИНУН, но он широко применяется благодаря повышенной устойчивости и легкости регулировки. Он называется фильтром на основе метода переменных состояния.

Рис. 5.18. Фильтр, построенный на основе метода переменных состояния.
Этот фильтр выпускается в виде интегральной схемы фирмами National (AF100 и AF150), Burr-Brown (серия UAF) и другими. Поскольку этот фильтр является готовым модулем, то все элементы у него встроенные, за исключением резисторов RG, RQ и двух RF. Среди прочих достоинств этой схемы существенна возможность путем коммутации выходов получать из одной схемы фильтры верхних и нижних частот, а также полосовой фильтр. Кроме того, частоту фильтра можно регулировать при неизменном значении добротности Q (или неизменной полосе пропускания — по выбору) характеристики в полосе пропускания. Как при работе с фильтрами на ИНУН, несколько секций могут быть соединены каскадно для создания фильтров более высоких порядков.
Изготовители этих интегральных схем предлагают для пользователей подробные расчетные формулы и таблицы. Они дают рекомендации по выбору номиналов сопротивлений внешних резисторов для получения фильтров Баттерворта, Бесселя и Чебышева разных порядков; при этом можно получать фильтры с характеристиками верхних, нижних частот или полосовые и полосноподавляющие. Привлекательной особенностью этих гибридных схем является то, что в модуль встроены конденсаторы; так что остается добавить только внешние резисторы.
Полосовые фильтры. Несмотря на большое число схемных элементов, фильтр, построенный на основе метода переменных состояния, представляется наиболее удачной схемой для реализации (высокодобротных) полосовых фильтров. Он обладает низкой поэлементной чувствительностью, не предъявляет высоких требований к ширине полосы пропускания ОУ, а также прост в настройке. Например, в представленной на рис. 5.18 схеме, используемой в качестве полосового фильтра, с помощью двух резисторов RF устанавливается центральная частота полосы пропускания, в то время как резисторы RQ и RG совместно определяют добротность Q и коэффициент усиления в полосе пропускания
RF = 5,03·107/f0 Ом,
RQ = 105/(3,48Q + G — 1) Ом,
RG = 3,16·104Q/G Ом.
Следовательно, можно сделать настраиваемый по частоте фильтр с фиксированной добротностью Q при использовании в качестве резистора RF двухсекционного переменного резистора (потенциометра). С другой стороны, переменным можно сделать резистор RQ, при этом получается фильтр с фиксированной частотой и изменяемой добротностью Q (и, к сожалению, с переменным коэффициентом передачи).
Упражнение 5.4. Необходимо рассчитать номиналы резисторов показанной на рис. 5.18 схемы, используемой в качестве полосового фильтра с f0 = 1 кГц, Q = 50 и G = 10.
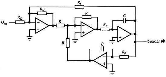
На рис. 5.19 изображена полезная модификация полосового фильтра на основе метода переменных состояния.

Рис. 5.19. Фильтр с независимой регулировкой усиления и добротности Q
Недостатком является использование в ней четырех ОУ, достоинство же заключается в возможности регулировать ширину полосы пропускания (т. е. добротность Q) без изменения коэффициента усиления в полосе. Действительно, как добротность Q, так и коэффициент усиления устанавливаются единственным резистором. Добротность Q, коэффициент усиления и центральная частота полосы пропускания полностью независимы и задаются следующими простыми соотношениями:
f0= 1/2πRFC, Q = R1/RQ, G = R1/RG,
R ~= 10 кОм (значение некритично, подгоняемое).
Биквадратные фильтры. Наиболее близко к фильтру на основе метода переменных состояния примыкает изображенный на рис. 5.20 так называемый биквадратный фильтр. В этой схеме также используются три ОУ и ее можно сконструировать с помощью упомянутой ранее ИС на основе метода переменных состояния.

Рис. 5.20. Биквадратный фильтр.
Замечательным свойством такого фильтра является возможность регулировки его частоты (с помощью RF) при сохранении постоянности ширины полосы пропускания (это предпочтительнее, чем сохранение неизменности добротности Q). Далее предлагаются расчетные уравнения:
f0= 1/2πRFC, BW = 1/2πRBC, G = RB/RG.