Искусство схемотехники. Том 1 (Изд.4-е) - Страница 107
Схема фильтра на ИНУН (источник напряжения, управляемый напряжением) обязана широкой популярностью в основном своей простоте и малому числу деталей, но эта схема страдает недостатком, а именно высокой чувствительностью к изменениям значения параметров элементов. Для сравнения: недавно возникший интерес к более сложным гиратороподобным схемам вызван их нечувствительностью к малым изменениям параметров элементов.
В этом разделе будет рассмотрено несколько схем для реализации фильтров нижних и верхних частот, а также полосовых фильтров. Начнем же с популярной схемы на ИНУН, или управляемого источника, затем рассмотрим построение фильтров на основе метода переменных состояния, выпускаемых в виде интегральных схем различными фирмами-изготовителями, и наконец, упомянем о двойном Т-образном фильтре с высоким избирательным подавлением («фильтр-пробка») и о некоторых интересных новых направлениях в области реализации фильтров на переключаемых конденсаторах.
5.06. Схемы на ИНУН
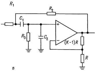
Фильтр на источнике напряжения, управляемом напряжением (ИНУН), известный также просто как фильтр с управляемым источником, — это вариант фильтра Саллена и Ки, который был описан выше. В этом случае повторитель с единичным коэффициентом усиления заменен неинвертирующим усилителем с коэффициентом усиления, большим 1. На рис. 5.16 даны схемы для реализации фильтра нижних и верхних частот, а также полосового фильтра.



Рис. 5.16. Схемы активных фильтров на ИНУН. а — фильтр нижних частот; б — фильтр верхних частот; в — полосовой фильтр.
С помощью присоединенных к выходу ОУ резисторов, образован неинвертирующий усилитель напряжения с коэффициентом усиления К, а остальные R и С по-прежнему формируют частотную характеристику фильтра. Как будет показано далее, эти двухполюсные фильтры могут быть фильтрами Баттерворта, Бесселя и др. за счет определенного подбора параметров элементов. Любое число двухполюсных секций на ИНУН может быть соединено каскадно для создания фильтров более высокого порядка. В таком соединении отдельные секции, вообще говоря, не идентичны. Действительно, каждая секция соответствует квадратичному сомножителю полинома степени n, описывающего фильтр в целом.
В большинстве обычных справочников по фильтрам приведены формулы и таблицы для всех стандартных характеристик фильтров, включая отдельные таблицы для фильтров Чебышева с разными амплитудами пульсаций. В следующем разделе будут представлены удобные в употреблении таблицы для проектирования фильтров на ИНУН типа Баттерворта, Бесселя и Чебышева (фильтр Чебышева с неравномерностью 0,5 и 2 дБ), используемых в качестве фильтров нижних или верхних частот. Полосовой и полосноподавляющий фильтры легко могут быть составлены из их комбинаций.
5.07. Проектирование фильтров на ИНУН с использованием наших упрощенных таблиц
Перед тем как пользоваться табл. 5.2, надо решить, какая характеристика фильтра нам нужна. Как уже говорилось ранее, фильтр Баттерворта хорош, если нужна максимально плоская характеристика в полосе пропускания, фильтр Чебышева обеспечивает наиболее крутой спад от полосы пропускания к полосе задерживания (ценой некоторой неравномерности характеристики в полосе пропускания), а фильтр Бесселя имеет наилучшую фазочастотную характеристику, т. е. постоянное запаздывание сигнала в полосе пропускания и соответственно хорошую переходную характеристику.

Амплитудно-частотные характеристики всех этих типов даны на соответствующих графиках (рис. 5.17).




Рис. 5.17. Графики нормированных частотных характеристик 2-, 4-, 6- и 8-полюсных фильтров из табл. 5.2. Характеристики фильтров Баттерворта (а) и Бесселя (б) нормированы приведением ослабления 3 дБ к единичной частоте, а фильтры Чебышева — приведением к этой частоте ослабления 0,5 дБ (в) и 2 дБ (г) соответственно.
Для конструирования n-полюсного фильтра (при четном n) нужно соединить каскадно n/2 секций на ИНУН. Рассматриваются только фильтры четного порядка, поскольку для фильтра нечетного порядка нужно столько же операционных усилителей, сколько и для фильтра на единицу большего порядка. В каждой секции R1 = R2 = R и C1 = С2 = С. Как и обычно в схемах на операционных усилителях, значение R выбирается в диапазоне от 10 до 100 кОм. (Резисторов с малым номиналом сопротивления лучше избегать, поскольку на высоких частотах возрастающее выходное полное сопротивление разомкнутого контура операционного усилителя добавляется к сопротивлению резистора, внося ошибку в расчет.) Тогда все, что вам нужно сделать — это установить коэффициент усиления каждого каскада К согласно табличным данным. Для n-полюсного фильтра потребуется n/2 обращений к таблице - по числу секций.
Фильтры Баттерворта нижних частот. Если используется фильтр Баттерворта, то параметры всех секций имеют одинаковые значения R и С, определяемые соотношением RC = 1/2πfс, где fс — частота, соответствующая значению ослабления всего фильтра, равному — 3 дБ. Чтобы построить, например, 6-полюсный фильтр Баттерворта нижних частот, мы соединяем каскадно три вышеописанные секции с коэффициентами усиления, равными соответственно 1,07, 1,59 и 2,48 (желательно именно в указанном порядке, во избежание возни с динамическим диапазоном) и подбором идентичных для всех секций параметров R и С устанавливаем точку, отвечающую значению —3 дБ. Описанная в разд. 8.31 схема управления телескопом представляет собой подобный пример со значением fс = 88,4 Гц (R = 180 кОм, С = 0,01 мкФ).
Фильтры нижних частот Бесселя и Чебышева. Ненамного сложнее построить на ИНУН фильтр Бесселя или Чебышева. Опять-таки соединим каскадно несколько двухполюсных фильтров на ИНУН с предписанным для каждой секции коэффициентом усиления. Снова в каждой секции зададим R1 = R2 = R и C1 = С2 = С. Но теперь, в отличие от ситуации с фильтром Баттерворта, произведение RC будет для каждой секции свое и должно вычисляться с помощью нормирующего множителя fn (его значения для каждой секции приведены в табл. 5.2) по формуле RC = 1/2πfсfn. Здесь через fc обозначена точка, отвечающая значению —3 дБ, для фильтра Бесселя и граница полосы пропускания — для фильтра Чебышева, т. е. это частота, на которой амплитудно-частотная характеристика спадает ниже диапазона неравномерности при переходе к полосе задерживания. Например, характеристика фильтра Чебышева нижних частот с неравномерностью 0,5 дБ и fc = 100 Гц будет плоской с небольшой неравномерностью от 0 до —0,5 дБ в диапазоне от 0 до 100 Гц, на частоте 100 Гц будет затухание 0,5 дБ, а дальше частоты 100 Гц - крутой спад. Значения параметров приведены в табл. 5.2 для фильтров Чебышева, имеющих неравномерность характеристики в полосе пропускания 0,5 и 2 дБ; у последнего спад к полосе задерживания несколько круче (рис. 5.17).