Искусство схемотехники. Том 1 (Изд.4-е) - Страница 101
Рис. 4.94. д — благодаря дополнительным ОУ выходной ток увеличен; следите, чтобы не было перегрева;

Рис. 4.94. е — токовый монитор;
Рис. 4.94. ж — прецизионная схема, поглощающая ток;

Рис. 4.94. з — пиковый детектор для отрицательных импульсов;

Рис. 4.94. и — схема с переменным коэффициентом усиления;
Рис. 4.94. к — усилитель с фотодиодом;
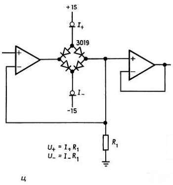
Рис. 4.94. л — схема управления током;

Рис. 4.94. м — прецизионный биполярный источник тока;

Рис. 4.94. н — активный соленоид;

Рис. 4.94. о — оригинальный повторитель на полевом транзисторе с 3 выводами;

Рис. 4.94. п — логарифмический преобразователь с температурной компенсацией;

Рис. 4.94. р — высоковольтная (мостовая) схема для плавающей нагрузки;

Рис. 4.94. с — сервоусилитель 0,2 А;

Рис. 4.94. т — логарифмический преобразователь с широким входным диапазоном и автоматическим обнулением на основе усилителя прерывателя;

Рис. 4.94. у — источник тока;

Рис. 4.94. ф — быстродействующий логарифмический преобразователь;

Рис. 4.94. х — усилитель с переменным усилением с небольшими искажениями;

Рис. 4.94. ц — биполярный прецизионный ограничитель;

Рис. 4.94. ч — высоковольтный ОУ с низким уровнем шума (техническая документация PMI, примеч. по использованию 106);

Рис. 4.94. ш — получение удвоенного выходного сигнала в схеме на основе сдвоенного ОУ;

Рис. 4.94. щ — быстро действующий пиковый детектор;

Рис. 4.94. э — усилитель для наушников со слабым искажением (техническая документация PMI, примеч. по использованию 106);

Рис. 4.94. ю — детектор нуля с одним источником питания;

Рис. 4.94. я — источник тока Хауленда для управляющих схем преобразования напряжений в ток (от 1 мкА до 1 мА);

Рис. 4.94. А - управляемый напряжением усилитель-преобразователь с линеаризованной характеристикой;

Рис. 4.94. Б — управляемый напряжением (переменного тока) нагрузочный резистор;

Рис. 4.94. В — управляемый напряжением генератор на основе усилителя-преобразователя.
4.37. Негодные схемы
На рис. 4.95 представлена целая коллекция схем, содержащих заведомые ошибки. Пусть они немного вас позабавят и предостерегут от возможных промахов в работе. Среди них есть несколько настоящих чудищ. Можно гарантировать, что они никогда не будут работать.
Разберитесь, почему. Во всех операционных усилителях используются источники питания ± 15 В; если используются другие напряжения питания, то они указаны на схемах.

Рис. 4.95. а — регулируемый ограничитель;

Рис. 4.95. б — выходной каскад на ОУ для усилителя звуковых частот со 100-кратным усилением;

Рис. 4.95. в — генератор треугольного сигнала;

Рис. 4.95. г — источник тока (программируемый напряжением);