Инженерное оборудование для дома и участка - Страница 8
♦ если конец трубы с отверстиями не достигает водоносного слоя, то он может пропускать в трубу загрязненные поверхностные воды.
Таким образом, основные источники водоснабжения дома и участка известны. Остается только выбрать, какому из них отдать предпочтение – колодцу или скважине. В пользу артезианской скважины глубиной до 100 м говорит тот факт, что она наиболее долговечна. Однако для ее бурения необходимо получить разрешение. Если учесть, что вода на такой глубине является государственным стратегическим запасом, то сделать это будет отнюдь не просто. А оформив его, придется платить соответствующие налоги за пользование этим природным ресурсом. Помимо того, что бурение собственно скважины обойдется достаточно дорого (от 60 до 100 тыс. руб.), ее будет нужно оснастить системой фильтров, насосом и другим оборудованием, что также потребует денежных вложений.
Для индивидуальной эксплуатации можно пробурить неглубокую скважину (10–20 м), что будет стоить дешевле и артезианской скважины, и шахтного колодца. Однако срок службы этого источника воды не превышает 5—10 лет, в то время как правильно устроенный колодец может функционировать практически неограниченное время. Поэтому прежде чем решать проблему холодного водоснабжения, надо взвесить все «за» и «против» и принять единственно правильное решение.
Определившись с источником водоснабжения, необходимо подумать о том, каким образом поднимать воду на поверхность и как провести воду в дом при наличии децентрализованной системы водоснабжения.
В наше время каждый старается создать такую систему водоснабжения, при которой можно получить необходимое количество воды, повернув вентиль крана, причем не прилагая никаких дополнительных усилий. Это нельзя считать прихотью человека, живущего в XXI в., поскольку современная бытовая техника отказывается эффективно работать в отсутствие в системе водоснабжения стабильного давления. Его необходимо обеспечить, для чего следует установить насос. Отечественный рынок предлагает широкий ассортимент насосов различной конструкции. Насосы делятся на три большие группы:
♦ водоподъемные;
♦ циркуляционные;
♦ дренажные.
Речь пойдет о водоподъемных насосах, которые поднимают воду на поверхность, выкачивая ее из скважин и колодцев. Насосы этого типа бывают поверхностными и погружными.
Поверхностные насосы практичны и при правильной эксплуатации работают до 15 лет. В торговой сети можно приобрести устройства как отечественного («Кама 10», «Агидель» и др.), так и импортного производства (немецкие, испанские и итальянские).
Погружной насос, в отличие от поверхностного, опускают непосредственно в воду, которую он, создавая давление снизу, поднимает на поверхность, что гораздо легче, чем откачивать воздух и поднимать воду (или другую жидкость) сверху. Расстояние до дна скважины или колодца составляет 15 см, а глубина погружения может доходить до 5 м. Погружной насос весит не более 4 кг и без труда помещается в скважину, внутренний диаметр которой не превышает 100 мм. Однако необходимо иметь в виду, что погружной насос может непрерывно функционировать не более 2 ч, после чего требуется перерыв на 20 мин.
Насосы данного типа для водозабора представлены агрегатами двух типов – вихревыми погружными (одно– и многоступенчатыми) и центробежными скважинными. При использовании первых надо помнить, что вода может содержать не более 40 г/м3 различных примесей, иначе насос выйдет из строя, не прослужив гарантийный срок.
Необходимость фильтрации воды всем очевидна. Процесс очистки бывает многоступенчатым, поскольку ни один фильтр не в состоянии дать 100 %-ного результата. Первым устанавливают фильтр грубой очистки, который избавит воду от механических примесей.
Вторые стоят дороже, поскольку мощнее и обладают большим количество ступеней, что делает их не столь требовательными к чистоте воды (в ней может быть больше примесей). Торговая сеть располагает насосами разных стран-производителей – Дании, Испании, Италии и Германии, по-прежнему большим спросом пользуются отечественные насосы «Малыш» и более мощный «Полив».
Насосы для неглубоких колодцев и скважин можно выбрать самостоятельно. Покупку насоса для артезианской скважины следует доверить специалистам, поскольку необходимо учесть параметры скважины (в первую очередь надо соотнести диаметры скважины и насоса, поскольку при малой разнице нельзя будет опустить насос на нужную глубину, а при значительной будет трудно обеспечить насосу полное охлаждение – от диаметра скважины зависит скорость движения воды), требования к системе водоснабжения, тем более, что самый дорогой насос обойдется дешевле, чем бурение и обустройство скважины.
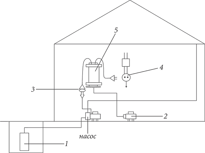
Поверхностные насосы в наибольшей степени распространены на дачах, где требуется подать воду из речки, пруда, неглубокого колодца для хозяйственных нужд, например для полива огорода. При этом сам насос размещают на поверхности земли, на оголовке колодца, а шланг, отходящий от него, погружают в воду. Достоинствами насосов этого типа являются доступная цена, легкость эксплуатации и транспортировки. Но сфера его применения ограничена водоемами глубиной не более 8 м. Чтобы покрыть все потребности, его следует использовать в сочетании с накопительной емкостью (рис. 21), дабы при постоянных включениях и выключениях не ускорить износ двигателя.
Использование насоса становится еще более удобным, если система дополнена контроллером индивидуального водоснабжения (КИВ) для автоматического отключения насоса, когда бак наполнен до определенного уровня, и включения в момент, когда уровень воды в емкости снижается.

Рисунок 21. Схема водоснабжения с применением поверхностного насоса: 1) обратный донный клапан; 2) гидробак; 3) розетка для насоса; 4) розетка и выключатель для КИВ; 5) КИВ
Для обеспечения необходимого давления в системе накопительный бак должен располагаться на определенной высоте; традиционно его устанавливали на чердаке, что создавало большие затруднения, поскольку, во-первых, это затрудняет обслуживание бака (осмотр, дезинфекцию и пр.); во-вторых, создает дополнительную нагрузку на конструкцию дома (ее надо усиливать, т. е. затрачивать материальные и финансовые средства). Можно, конечно, возвести водонапорную башню, но подобное решение для отдельного частного дома едва ли приемлемо и экономически целесообразно. Современные технологии предлагают другой выход из положения – установить гидробак в подвале, а при его отсутствии – на первом этаже (рис. 22). Гидробак продается уже в комплекте с насосом. Давление воды в системе, оснащенной таким образом, поддерживается автоматически.

Рисунок 22. Схема водоснабжения с применением погружного насоса: 1) насос; 2) трос; 3) скважина; 4) электрический кабель; 5) водонапорный шланг; 6) приямок; 7) запорный вентиль; 8) реле давления; 9) манометр; 10) гидробак; 11) электрический кабель; 12) внутренний водопровод; 13) вывод водопровода на участок
Еще более удобной представляется насосная станция. В принципе, это тот же поверхностный насос, но связанный не с накопительной, а с мембранной емкостью и укомплектованный реле давления. Принцип работы насосной станции прост: вода по шлангу, идущему от насоса, поступает в металлический бак, перегороженный мембраной. Первое отделение предназначено для сжатого воздуха, который оказывает давление на воду, поступающую во второе отделение, и заставляет ее перемещаться по трубам водопровода. Давление воздуха находится под контролем автоматического реле, которое срабатывает и отключает двигатель в момент, когда давление доходит до определенного уровня, и запускает его, чтобы началась очередная закачка, тогда, когда давление в трубах вследствие расходования воды уменьшится до установленного предела. Чтобы при выключенном двигателе вода не сливалась обратно в колодец (или скважину), на шланге стоит обратный клапан. Если расход воды небольшой, то ее количество компенсируется из емкости, а не из колодца, что позволяет экономить ресурс насосного двигателя.