Focke Wulf FW190 A/F/G. Часть 2 - Страница 18

Стандартное бронирование истребителя Fw 190А-8. 1. Бронирование маслорадиатора. Толщина 6,5 мм, масса 34,7 кг (для двигателя BMW 801D-2) толщина 10мм, масса 53,3 кг (для двигателя BMW 801TU и A-8/R8). 2. Бронирование маслобака. Толщина 5,5 мм, масса 43,5 кг (для двигателя BMW 801D-2) толщина 6,0мм, масса 52,4 кг (для двигателя BMW 801TIJ и A-8/R8). 3. Основание фонаря. Толщина 15,0мм, масса 16 кг (только на A-8/R7 и R8). 4. Горизонтальная пластина. Толщина 4,0 мм, масса 9,0 кг (только на A-8/R7 и R8). 5. Лобовое стекло фонаря. Толщина 50мм, масса 14,6 кг. 6. Боковые стекла фониря. Толщина 30 мм, масса 8,0 кг (только на A-8/R7 и R8). 7. Треугольные пластины. Толщина 4,0 мм, масса 13,5 кг (только на A-8/R7 и R8). 8. Бронеспинка кресла пилота. Толщина 8,0мм, масса 18,2 кг. 9. Бронсплпта за креслом пилота. Толщина 5,0 мм, масса 5,9 кг. 10. Бронеплиты на шпангоуте № 5. Толщина 5,0 мм, масса 7,9 кг. 11. Бронированное изголовье кресла пилота. Толщина 12,0 мм, масса 13,0 кг, толщина 20,0 мм, масса 20 кг (для А-8/ R8). 12. Бронирование боекомплекта пушки МК 108 (только на A-8/R8). Толщина 20 мм, масса 21 кг. 13. Бронирование боекомплекта пушки МК 103 (только на А- 8/R8). Толщина 4,0 мм, масса 9,0 кг.

Бомбодержатели. 1. Бомбодержатель ЕТС 501. 2. Адаптер ER 4. 3. Ножницы бомбодержателя. 4. Обтекатель бомбодержателя. 5. Кронштейн. 6. Разъемы. 7. Контейнер батареи ZBK 241/1 системы активизации взрывателя бомбы. 8. Разделитель. 9. Указатель сброса бомбы. 10. Ручка управления в кабине пилоты с рукояткой KG 13В. 11. Тяга бомбосброса. 12. Таблица разделения вооружения. 13. Ручка аварийного бомбосброса.

Бомбодержатель ЕТС 501 под фюзеляжем. Обратите внмание на отсутствие створок на нишах главного шасси. Вместо створок установлены небольшие уголки.
Заполнение бака осуществлялось под давлением при низкой температуре через специальный клапан, расположенный под крышкой. Клапан был выкрашен в серый цвет и обводился желтым кругом. Рядом имелась надпись «Fuellung». Для опорожнения системы служил другой клапан, выкрашенный в синий цвет и обведенный желтым кругом. Рядом имелась надпись «Entlueftung».
Давление в системе поддерживалось сжатым воздухом, хранившимся в шести сферических баллонах объемом по 2 л каждый. Позже использовались и цилиндрические баллоны. Максимальное давление в баллонах достигало 15 МПа, а минимально допустимое рабочее давление 13,5 МПа. Воздух подавался через редуктор с предохранительным клапаном, рассчитанным на 0,6 МПа.

Два снимка экспериментального Fw 190A- 0 с бомбой на бомбодержателе под фюзеляжем. Ни снимке видно, что створки пиши главного шасси задевают за бомбу.


Fw 190A-5/U13, вероятно это V42, W.Nr. 151083, GC+LA. На снимке виден пламегаситель и бомбодержатель с подвешенным на нем деревянным макетом бомбы.
Оснащение состояло из полного комплекта навигационных приборов, приборов контроля за полетом и за работой двигателя, обычных для одномоторных истребителей в то время. Приборы были собраны на приборной доске и защищены от солнечных бликов легким козырьком. По обоим бортам кабины находились консоли с рычагами, маховиками и другими приспособлениями, обеспечивающими регулировку различных систем самолета.
Справа на приборной доске находился держатель для ракетницы типа «Вальтер», обеспечивавший возможность пуска ракет прямо из кабины самолета. Запас ракет находился в небольшом контейнере на правой консоли (кроме того, комплект ракет каждый пилот носил на голенищах летных бахил в виде своеобразных «газырей». Истребители Fw 190A-8, переделанные из самолетов ранних серий, оснащались аптечкой, которая хранилась в нише под крышкой в хвостовой части фюзеляжа между шпангоутами № 11 и № 12. Доступ к аптечке был снаружи самолета. На новых серийных А-8 и более поздних самолетах аптечки уже не было. Истребители в тропическом исполнении оснащались дополнительными комплектами, облегчающими эксплуатацию самолета в условиях пустыни. Комплект включал в себя как приспособления для самолета (воздушные фильтры, дополнительные противопылевые уплотнители), а также для пилота (запас продовольствия, охотничье ружье). Некоторые самолеты оснащались спасательной надувной лодкой или парой лыж с запасом провианта.
Кислородное оборудование состояло из 9 сферических 2-литровых баллонов, объединенных в группы по три. Баллоны находились в нижней части фюзеляжа в районе шпангоута № 9. Наполнялись баллоны через один общий клапан, выведенный на правый борт между шпангоутами № 8 и № 9. Давление в полностью наполненных баллонах составляло 150 атм (15,0 МПа). Кислород подавался в кислородную маску, расположенную на правом борте кабины. Кислородная маска обеспечивала регулировку концентрации кислорода в зависимости от высоты полета. На высотах более 8000 м подавался чистый кислород.
Электрическое оборудование одножильное, напряжением 24 В. Источником тока служил генератор «Бош» мощностью 2000 Вт, отбиравший мощность на вале двигателя, а также аккумуляторная батарея емкостью 20 Ач, установленная в фюзеляже за креслом пилота. Все цепи имели автоматические предохранители, большинство из которых было сгруппировано на правой консоли в кабине пилота.

Fw 190А-0 с бомбодержателем ЕТС 501 и адаптером ER 4.

Fw 190A-0/U4 с батареей бомбодержателей под фюзеляжем.
Пулеметно-пушечное вооружение в стандартном варианте состояло из двух пулеметов «Рейнметалл-Борзиг» MG 131 калибра 13 мм (боекомплект 400 выстрелов на ствол) и четырех пушек «Маузер» MG 151/20Е калибра 20 мм в крыльях (боекомплект по 250 выстрелов на ствол у пушек у основания крыла и по 125 выстрелов на ствол у пушек в консолях крыла). Пулеметы и внутренняя пара пушек были синхронизированы, так как вели огонь через диск винта. Спуск и перезарядка оружия осуществлялась электрически. Для прицела использовался колиматорный прицел Revi 16B.
Кроме того, пулеметно-пушечное во-.] моле'1 а могло быть усилено за счет комплектов Ruestsatz.
Бомбовое вооружение. Хотя самолет ЮА-8 представлял собой истребите», его стандартно оснащали бомбодержателем ETC 501. установленным под фюзеляжем. Этот бомбодержатель обычно использовался для подвески дополнительного бензобака, но при необходимости самолет мог брать на бомбодержатель до 500 кг бомб.
Бомбодержатель ETC 501 с замком Schloss 500/XII позволял подвешивать груз до 500 кг (300-литровый бензобак, бомбы массой 250 или 500 кг или четыре 50-кг бомбы через адаптер ER 4). Адаптер ER 4 существовал в двух модификациях: стандартной с четырьмя замками ETC 50B-1 и упрощенной с четырьмя замками 50L-2 (выигрыш в массе 32 кг).
Для обслуживания бомбового вооружения использовался переключатель ZSK 244A, обслуживающий бомбодержатель и приводящий взрыватели бомб в боевое положение. С переключателем была соединена батарея ZBK 241/1, установленная за креслом пилота.

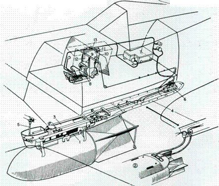
Колиматорный прицел Revi 16В. 1. Пружина передней стеклянной пластины. 2. Затемненная пластинка. 3. Пружина преломляющей пластины. 4. Преломляющая пластина. 5. Литы объектива. 6. Кожух лампы подсветки. 7. Реостат системы затемнения. 8. Переключатель затемнения. 9. Держатель лампочки. 10. Лампочка. 11. Ночной фильтр. 12. Переключатель фильтра. 13. Крышка камеры подсветки. 14. Стеклянная пластина. 15. Линза окуляра. 16. Пружинные контакты. 17. Мушка прицела. 18. Винт регулировки в вертикальной плоскости. 19. Винт регулировки в горизонтальной плоскости. 20. Винт регулировки в горизонтальной плоскости. 21. Винт регулировки в вертикальной плоскости. 22. Целик. 23. Основание. 24. Гигроскопическая капсула. 25. Регулирующая пружина. 26. Шарнирное крепление. 27. Линзовая камера. 28. Зеркало. 29. Плечо держателя затемненного стекла.