Focke Wulf Fw 190D Ta 152 - Страница 14
17 апреля 1945 года произошел бой между 18 Fw 190D-9, ведомых обер-лейтенантом Гансом Дортенманном из 3-го звена JG 26 с двенадцатью английскими «Темпестами». В ходе боя был сбит английский пилот, взводный офицер Смит, тогда как немцы потеряли сразу пять машин. Погибли обер-фенрихи Гюттерер и Фрёб, а лейтенант Осенкопп, Конрад и Блике спаслись, выпрыгнув с парашютом. На поврежденных самолетах тянули до аэродрома обер-лейтенанты Ганс Дортенманн и Брунон Островицки, причем машина Островицки рухнула в озеро в районе Шверина и пилот утонул.
Последним полком, получившим Fw 190D, стал JG 8 «Хорст Вессель», дислоцированный в Зорау. В апреле 1945 года полк получил 150 самолетов Fw 190D. Командовал полком майор Герхард Баркхорн, имевший на своем счету 301 победу. Сам Баркхорн оставил в своем распоряжении самолет Bf 109G-14. Полк, не располагавший топливом, лишь иногда совершал патрульные вылеты силами не более четырех самолетов.
9 апреля 1945 года система ПВО Рейха (Reichverteidigung) располагала 25 самолетами Fw 190D-9 в составе JG 2 и 67 машинами этого типа в составе двух групп JG 301. В составе воздушного флота «Курляндия» четыре группы JG 54 располагали 127 самолетами Fw 190D-9.
По состоянию на 24 апреля 1945 года четыре группы JG 2 дислоцировались в Чехословакии:
I./JG 2 (обер-лейтенант Айкдорф) в Карловых Варах;
II./JG 2 (капитан Карх) в Хебе;
III./JG 2 (капитан Лемке) в Пльзени;
IV./JG 2 (капитан Вайль) в Мимон-Градчаны.
Самолет Fw 190D-9 считался немецкими летчиками лучшим истребителем, выпускавшимся крупной серией. Но, как это обычно было в ту войну, он появился слишком поздно, чтобы оказать реальное влияние на ход боевых действий.

Макет бомбодержателя ЕТС, установленный на Fw 190V13.

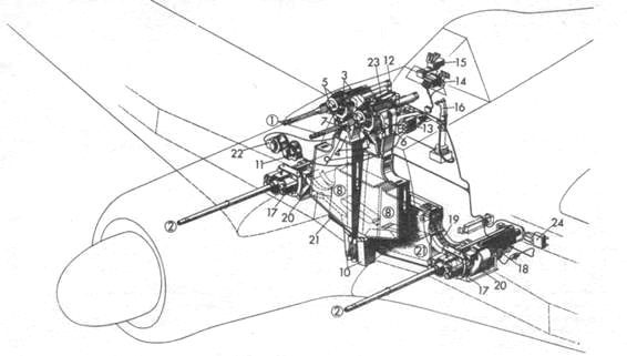
Схема вооружения Fw 190D-9. 1. Пулеметы MG 131 калибра 13 мм в фюзеляже. 2. Пушки MG 151/20 калибра 20 мм в крыле. 3. Станок лафета. 4. Основание станка. 5. Передняя часть станка. 6. Подача патронов. 7. Отражатель стреляных гильз. 8. Патронные коробки. 9. Крепление патронных коробок. 10. Сброс стреляных гильз и звеньев ленты. П. Синхронизатор пулеметов. 12. Реле перезарядки пулеметов. 13. Реле спуска пулеметов. 14. Указатель расхода боеприпасов. 15. Коллиматорный прицел. 16. Ручка управления KG 13В. 17. Передняя часть лафета пушки. 18. Задняя часть лафета пушки. 19. Подача боеприпасов. 20. Отражатель стреляных гильз. 21. Боекомплект для пушек. 22. Синхронизатор. 23. Реле перезарядки пушек. 24. Реле спуска пушек.
Очень мало известно о боевом применении истребителей Та 152С. Дело в том, что почти половина построенных самолетов этого типа представляли собой прототипы, которые не попали в боевые части.
Также и самолеты Та 152Н, выпускавшиеся в Зорау и Коттбусе (всего построили 67 машин), поступили на вооружение только одного полка — JG 301. Это произошло в январе 1945 года. Переподготовка пилотов проходила в составе Erprobungskommando Та 152 в Рехлине, позднее перебазировавшейся в Люкау-Альтено. В бою самолеты Та 152Н применялись лишь штабом JG 301. Боевые вылеты Stab./JG 301 совершались редко и нерегулярно. Активность звена ограничивалась, во-первых, нехваткой бензина, а, во-вторых, недоведенностью машин, серийный выпуск которых начался еще до устранения всех имевшихся недостатков. Из полка поступали многочисленные жалобы на качество самолетов Та 152. В дело вмешался даже генерал-майор Гордон Голлоб, заместитель генерала Адольфа Галланда. В своем письме, датированном 17 марта 1945 года, Голлоб сообщал профессору Танку, что самолет Та 152 имеет множество недостатков и в своем нынешнем состоянии не годится для эксплуатации в боевых частях. Претензии Голлоба были обоснованы, но в существовавшей в то время ситуации как-то отреагировать на них не представлялось возможным. Истребитель класса Та 152 требовался на фронте, и, как показал ограниченный опыт его использования, Та 152 оказался необычайно эффективным, несмотря на все свои недостатки. Первые Та 152Н оказались в распоряжении ErpKdo Та 152 10 января 1945 года. Командовал отрядом капитан Бруно Штолле. Базировался отряд на аэродроме в Рехлине, где с конца 1944 года базировался весь JG 301. Полк был укомплектован пилотами, прежде служившими в составе полков JG 300 и JG 302. В Зорау за новейшими самолетами пилоты выехали на грузовиках, оборудованных газогенератором. Принимая самолеты, Штолле отметил, что у некоторых машин петли элеронов можно отломить рукой. Обнаруженные дефекты списали как проявления саботажа. После замены дефектных деталей самолеты перелетели на аэродром Люкау-Альтено, где началась подготовка пилотов. С 23 января Erprobungskommando Та 152 стал называться III./JG 301. В это время штаб полка, базировавшийся в Штендале, и II./JG 301 базировавшаяся на аэродроме Вельцов в районе Коттбуса, подготовились принять первые Та 152Н. III./JG 301, проходившая подготовку в Альтено, потеряла в январе-феврале пять Та 152. Главной причиной потерь стали пожары моторов. По сообщениям пилотов, огонь всегда появлялся на левом борту. Причиной пожара было перегорание трубок системы охлаждения, проходивших слишком близко от выхлопных патрубков. В результате воспламенялся антифриз. По этой причине курс подготовки пилотов пришлось на время приостановить. Остальные самолеты оказались в составе Stab./JG 301.

Конструкция фюзеляжа и фонаря Та 152.

Конструкция крыла Та 152Н: верхняя обшивка, несущие элементы, нижняя обшивка с усилением.
По сообщению фельдфебеля Руди Дрибе, пилота 10-го звена III./JG 301, в период переподготовки состоялся лишь один боевой вылет. Во время этого вылета самолеты 10-го звена вместе с другими машинами полка атаковали союзнические бомбардировщики, шедшие на Берлин. Вылет обернулся тяжелыми потерями для полка, но все самолеты Та 152 вернулись на базу. Этот же летчик утверждал, что летать на истребителях Та 152Н-0 было легко, лишь при взлете отмечались проблемы с уборкой шасси. Позднее этот недостаток удалось устранить на Та 152Н-1. Та 152 во время совершения первого виража уступал «Мустангу», но в дальнейшем превосходил американский истребитель в маневренности. Во второй половине января пилоты штабного звена полка сбили несколько союзнических самолетов.
Другим недостатком Та 152 была низкая надежность гермокабины. Подполковник Фриц Ауфхаммер, командир штабной эскадрильи, сообщал, что гермокабина функционировала лишь на одном самолете его звена. Сам Ауфхаммер был сбит на Та 152Н в районе Нойстрелица.
1 февраля во время учебного полета 12-й эскадрильи JG 301 на аэродроме Люкау-Альтено погиб фенрих Герман Дорр, разбившись на Та 152Н-1 (W.Nr. 150037).

Конструкция хвостового оперения: цельнометаллического (слева) и деревянного (справа). Деревянное хвостовое оперение составляет единое целое со вставочным сегментом.

Гидравлическая система уборки шасси на Та 152. 1. Колесо шасси. 2. Контур тормозной системы. 3. Усиливающий амортизатор ножничный механизм. 4. Стойка шасси. 5. Щиток стойки шасси. 6. Передний подшипник стойки шасси. 7. Задний подшипник стойки шасси. 8. Шарнир крепления тяги. 9. Шкворень, показывающий положение шасси. 10. Тяга механизма уборки шасси. 11. Рычаг механизма уборки хвостового колеса. 12. Тяга механизма уборки хвостового колеса. 13. Замок блокиратора шасси в убранном положении. 14. Тяга отключения блокиратора. 15. Выключатель гидравлики шасси. 16. Ручка уборки/выпуска шасси. 17. Внутренняя створка ниши шасси. 18. Выключатель выпуска закрылков. 19. Ручка выпуска закрылков. 20. Уплотнитель, пропускающий кабели через борт герметизированной кабины.