Энциклопедия «Техника» (с иллюстрациями) - Страница 41

Ракетаноситель «Восток» с космическим кораблём «Восток-1»

Космический корабль «Восток»
ВРÉМЯ РЕÁКЦИИ ЧЕЛОВÉКА, интервал времени от начала воздействия на организм какого-либо раздражителя до ответной реакции организма. Состоит из трёх фаз: время прохождения нервных импульсов от рецепторов до коры головного мозга; время, необходимое для восприятия нервных импульсов головным мозгом и организации ответной реакции в центральной нервной системе; время ответного действия организма. Время реакции зависит от типа раздражителя (звук, свет, температура, давление и т. д.) и его интенсивности, тренированности организма на восприятие этого раздражителя, его ожидаемости и др. Например, для распознавания сигнала светофора требуется 0.3–0.4 с, время реакции на ожог 0.15—0.2 с. Время реакции человека имеет решающее значение при определении возможности его работы лётчиком, оператором, машинистом и т. д.
ВЫКЛЮЧÁТЕЛЬ ЭЛЕКТРИ́ЧЕСКИЙ, устройство для включения и отключения электрических светильников, электронагревательных приборов, трансформаторов, двигателей, линий электропередачи и т. д. Делятся на электрические выключатели низкого (до 1000 В) и высокого (св. 1000 В) напряжения. Электрический выключатель состоит из контактной системы (подвижные и неподвижные контакты) и привода (ручного, пружинного, электромагнитного, пневматического). Для отключения токов в сотни и тысячи ампер электрические выключатели снабжаются устройствами для гашения электрической дуги.
Выключатели низкого напряжения подразделяют на бытовые и промышленные. Первые служат для включения и отключения бытовых электроприборов и устройств переменного тока (50 Гц) при напряжении до 220 В и силе тока до 10 А. Бытовые выключатели изготовляют с ручным, значительно реже – с автоматическим управлением, гл. обр. для защиты от перегрузки (по току) и разрыванию цепи при коротком замыкании. Часто бытовые выключатели совмещают в одно устройство с фотореле (для автоматического включения или выключения светильников в зависимости от освещённости), с таймером (для программирования момента включения и выключения бытовых электроприборов) или светорегулятором (для плавного регулирования яркости свечения ламп). Выключатели освещения могут иметь одну, две или три клавиши. В одноклавишных выключателях размыкается или замыкается одна пара контактов. В двух – и трёхклавишных выключателях каждая пара контактов работает как отдельный выключатель, независимо от того, как ведут себя остальные пары контактов. Как правило, один контакт у них является общим. Такие выключатели служат для раздельного включения ламп в светильнике.
Промышленные электрические выключатели изготовляют с ручным и автоматическим управлением. Последние могут иметь также защиту от понижения напряжения: если напряжение опускается ниже допустимого значения, происходит автоматическое отключение. Распространены полупроводниковые электрические выключатели с дистанционным управлением от компьютера.
Электрические выключатели высокого напряжения (высоковольтные выключатели) предназначены для ручного или дистанционного оперативного включения и отключения устройств высокого напряжения при нормальных режимах и для автоматического выключения этих установок в аварийных режимах при токах перегрузки и токах короткого замыкания.
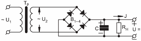
ВЫПРЯМИ́ТЕЛЬ ЭЛЕКТРИ́ЧЕСКИЙ, устройство для преобразования переменного электрического тока в постоянный. Большинство мощных источников электрической энергии (напр., электрические генераторы на электростанциях) вырабатывают переменный ток. Однако многие электрические устройства на городском и железнодорожном транспорте, в химической промышленности, в цветной металлургии, в быту и т. д. работают на постоянном токе различного напряжения. В простейшем случае переменный ток выпрямляется электрическим вентилем, пропускающим ток (напр., синусоидальный) только в одном направлении. В однофазных электрических цепях используют однополупериодные, двухполупериодные с нулевым выводом и мостовые схемы электрических выпрямителей. На рис. 1 приведена схема однополупериодного выпрямителя однофазного тока. Напряжение U₁, обычно синусоидальное, от источника переменного тока через трансформатор Тр подаётся на вентиль В. Ток J в нагрузке Rн течёт только при положительной полярности подводимого напряжения, т. е. при открытом состоянии вентиля В. Конденсатор С заряжается положительными полуволнами пульсирующего тока, а в паузах, соответствующих по времени отрицательным полуволнам, разряжается на нагрузку. Таким образом, пульсирующий ток сглаживается, усредняется.
В схеме двухполупериодного выпрямителя (рис. 2) применяют трансформатор со средней точкой во вторичной обмотке. Благодаря такому соединению обмотки с вентилями выпрямленный ток формируется из обеих полуволн тока. Частота пульсаций выпрямленного тока при этом возрастает в 2 раза по сравнению с однополупериодным выпрямителем, что облегчает сглаживание тока.
Схема мостового выпрямителя (рис. 3) также двухполупериодная, но вторичная обмотка трансформатора выполнена без средней точки и имеет в 2 раза меньшее количество витков по сравнению со вторичной обмоткой трансформатора. Указанные схемы выпрямителей применяют обычно в системах питания устройств, у которых потребляемая мощность не превышает нескольких киловатт (бытовые электронные приборы, некоторые устройства автоматики и телемеханики и др.), и лишь в отдельных случаях для питания мощных (до 1000 кВт) устройств (напр., двигателей электровозов).
1)

2)

3)

Схемы выпрямителей однофазного тока:
1 – однополупериодная; 2 – двухполупериодная; 3 – мостовая
ВЫСÓКАЯ ПЕЧÁТЬ, способ получения полиграфического изображения на бумаге (или ином материале) с использованием печатных форм, на которых печатающие элементы выступают над пробельными (непечатающими) элементами. Текст и иллюстрации готовят раздельно и объединяют обычно при составлении печатной формы, используемой многократно. Иллюстрационные формы изготавливают в цинкографии травлением или гравированием; текстовые – набором. В высокой печати часто приходится использовать дубликаты печатных форм – копии с оригинальных форм, что обусловлено особенностями способа: повышенным давлением при печати, вызывающим быстрый износ печатных элементов при больших тиражах. Высокая печать используется для печатания текстовых изданий (книги, газеты, брошюры и пр.).
1)

2)

3)

Схема получения оттиска при высокой печати:
1 – форма; 2 – форма с краской; 3 – бумага с оттиском краски;
а – печатающие участки; б – непечатающий (углублённый) участок; в – бумага; г – краска
ВЫСОКОВÓЛЬТНЫЙ ВЫКЛЮЧÁТЕЛЬ, выключатель электрический для ручного или дистанционного оперативного включения и отключения устройств высокого напряжения при нормальных режимах и для автоматического выключения этих установок в аварийных режимах при токах перегрузки и токах короткого замыкания. Для гашения электрической дуги, возникающей при размыкании цепи с током, в высоковольтных выключателях используются дугогасительные устройства.
По виду дугогасительного устройства и среде, в которой происходит гашение дуги, различают масляные, элегазовые, воздушные, вакуумные, газогенерирующие и электромагнитные выключатели. В масляных выключателях дуга гасится с помощью потока газа, образующегося в результате разложения трансформаторного масла, в котором расположены контакты выключателя. Масляные выключатели входят в состав распределительных устройств электрических станций и подстанций. В воздушных выключателях дуга гасится сжатым воздухом; воздушные выключатели выпускаются на напряжения до 1150 В. В вакуумных выключателях дуга гасится в высоком вакууме (1–0.1 МПа); используются такие выключатели при частых отключениях нагрузки. В элегазовых выключателях гасящей средой является гексафторид серы – элегаз; рабочее напряжение таких выключателей несколько киловатт. В газогенерирующих выключателях дуга гасится потоком газов, образующихся под воздействием дуги из газогенерирующих материалов (фибры, органического стекла и др.); применяется гл. обр. на напряжения 6—15 кВ при силе тока до 600 А. В электромагнитных выключателях дуга затягивается в камеру (где она остывает и гаснет) мощным магнитным полем, создаваемым отключаемым током, протекающим по обмоткам электромагнитов; применяется на напряжения 3—10 кВ.