Энциклопедия радиолюбителя - Страница 91
«Салют-001»
Радиоприемник «Салют-001» собран на транзисторах и микросхемах (рис. 31.6). Для приема радиостанций в диапазоне ДВ, СВ и 90…50 м используется супергетеродинная схема с однократным преобразованием частоты, а в диапазонах 49…25 м — двукратное. С позиции DX-ing этому приемнику присущи те же недостатки, что и «Ленинграду-015-стерео». Для того чтобы приспособить приемник для приема дальних станций в отсутствующих в его конструкции диапазонов, следует воспользоваться теми же рекомендациями, которые были сделаны для радиоприемника «Ленинград-015-стерео».

Рис. 31.6. Радиоприемник «Салют-001»
Заметим, что для приема дальних радиовещательных станций в диапазонах с AM (ДВ, СВ, КВ) могут быть использованы сохранившиеся ламповые радиоприемники, требующие для своей работы внешней антенны, типа «Мир», «Рига Т-689» и «Фестиваль» (рис. 31.7…31.9).

Рис. 31.7. Радиоприемник «Мир»

Рис. 31.8. Радиоприемник «Рига Т-689»

Рис. 31.9. Радиоприемник «Фестиваль»
Эти приемники имеют достаточно высокую чувствительность и избирательность, неплохие даже на сегодняшний лень. Если у вас оказался ламповый приемник с большой шкалой и хорошей чувствительностью, то перед эксплуатацией рекомендуется проверить градуировку шкал различных диапазонов. С этой целью вынимают стеклянную, как правило, шкалу и на ее место устанавливают такого же размера кусок толстого ватмана, с нарисованными полосами шкал, но без делений частот или метров. Вход радиоприемника, антенну и землю, соединяют с сигнал-генератором (рис. 31.10).

Рис. 31.10. Принципиальная схема градуировки рабочих частот диапазонов радиоприемника
С сигнал-генератора на приемник по очереди подают разные частоты с округленными значениями, например, 150, 160, 170, 180, 200 кГц и так далее на длинноволновом диапазоне и 550, 600, 700 кГц на средневолновом диапазоне и гак на всех диапазонах имеющихся в радиоприемнике. Каждый раз, подавая новую частоту, приемник настраивают точно на этот сигнал от генератора, ориентируясь по индикатору настройки «магический глаз». После точной настройки на полосе ватмана под стрелкой шкалы карандашом делают соответствующую отметку. После того как сделана градуировка шкалы на ватмане, ее сверяют с данными существующей шкалы. При необходимости вносят коррективы в старую шкалу или делают новую.
Новую шкалу можно сделать так. Нарисованную шкалу сканируют и ее изображение печатают на прозрачной пленке с помощью лазерного принтера. Сделанную на пленке шкалу подкладывают под стекло с размером соответствующим старой шкале.
Для занятий DX-ing в принципе можно самому сделать радиоприемник. Конструкция такого приемника должна быть некоторым компромиссом между взаимно противоречащими факторами: усложнением схемы, удобством коммутации и простотой начальной регулировки.
Для простоты настройки приемник следует конструировать с растянутой настройкой. Это может быть самостоятельная конструкция радиоприемника или радиоприемное устройство, состоящее из радиоприемника, имеющего СВ или ДВ и конвертора. Конвертор преобразует частоту принимаемого сигнала в некоторую промежуточную частоту, значение которой лежит в пределах одного из диапазонов, имеющегося в радиоприемнике, обычно средневолнового. В таком случае на радиоприемник, не имеющий диапазона коротких волн, можно в диапазоне СВ принять радиостанции отсутствующего диапазона. В данном случае имеем комбинированное радиоприемное устройство с двойным преобразованием частоты. Преимуществом двойного преобразования является получение хорошей избирательности по зеркальному каналу одновременно с хорошей отстройкой по смежному каналу, а также получение очень простой растянутой настройки на станции. Растяжка в таком случае получается одинаковой в любой точке ширины диапазона перекрываемого первым гетеродином. Конверторы, как правило, используют с радиоприемниками построенными по супергеродинным схемам. Эти устройства в сочетании с приемниками прямого усиления применяются довольно редко, что связано с низкой чувствительностью и селективностью по соседнему каналу подобного класса радиоприемников. Возможны такие варианты схемного решения принятия коротких волн на конвертор:
1. Поиск радиостанций производится основным радиоприемником при фиксированной настройке входных и гетеродинных контуров конвертора.
2. Плавная перестройка по принимаемому диапазону радиоволн производится в самом конверторе при его неизменной промежуточной частоте принимаемой при фиксированном положении ручки настройки основного радиоприемника.
В первом случае для конверторов следует продуманно выбирать промежуточную частоту, ориентируясь на то, чтобы она оказалась в том месте шкалы приемника, где отсутствуют радиостанции. Недостатком такой схемы является то, что фиксированная настройка входных контуров не всегда имеет достаточную равномерность усиления в пределах растянутого диапазона волн. Так как при настройке контуров конвертора на середину принимаемого диапазона усиление на его краях падает, невзирая на это, данная схема принятия коротких волн с помощью конвертора применяется чаще чем вторая, так как ее реализация проще.
Второй вариант конверторных приставок более удобен и менее критичен к выбору промежуточной частоты, то есть к той частоте, что фиксировано устанавливается на шкале радиоприемника. Однако реализация схемы приема коротких волн с плавном настройкой конвертора сложнее, так как необходим верньер для конденсатора или подвижных сердечников катушек конвертора и сопряжение контуров конвертора. Чувствительность такого приемного устройства получается довольно высокая. Схемы таких приставок обычно используют с приемниками имеющими низкую чувствительность и избирательность, при этом в схему конвертора добавляется каскад усиления по высокой или промежуточной частоте.
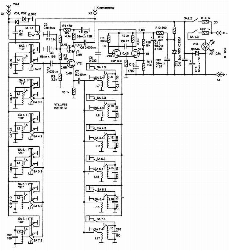
Ниже приводится описание конструкции коротковолнового конвертора с фиксированными настройками входных и гетеродинных контуров и настройкой на радиостанции но шкале средневолнового приемника (рис. 31.11).

Рис. 31.11. Принципиальная схема коротковолнового конвертора
Конвертор позволяет принимать радиовещательные станции в диапазоне 25 м, 31 ми любительские радиостанции в диапазонах 10 м, 14 м, 20 м и 40 м. Промежуточная частота конвертора около 1 МГц.
Конвертор включается нажатием кнопки SA1. Одна его группа контактов включает питание конвертора и световой индикатор наличия напряжения на светодиоде VD5, а другая подключает внешнюю антенну WA1. Включение того или иного контура в цепь антенны производится группой контактов переключателя SA2. В зависимости от того, какой диапазон включен, принятый антенной WA1 сигнал через гнездо XS1 и через конденсатор связи С1 поступает на один из входных колебательных контуров C15,L1, C16,L2, C17,L3, C18,L4, C19,L5, C20,L6. Напряжение принятого сигнала с части витков катушки индуктивности входного контура через замкнутые контакты переключателя и конденсатор С4 поступает на вход смесителя выполненного на двух транзисторах VT1, VT2, с фиксированными настройками входных и выходных контуров включенных по каскадной схеме с последовательным питанием транзисторов. Такая схема смесителя позволяет получить высокий коэффициент усиления при относительно малом уровне шумов. Гетеродин конвертора собран на двух транзисторах VT3 и VT4, включенных соответственно по схеме с обшим коллектором и общей базой. Выбранная схема гетеродина обеспечивает высокую стабильность генерируемых колебаний, простоту коммутации и несложное изготовление колебательных контуров. Гетеродин питается стабилизированным напряжением 2,8 В, которое берется от параметрического стабилизатора напряжения, собранного на стабилитроне VD3 и резисторе R13. Напряжение гетеродина поступает в цепь эмиттера транзистора VT2 с одной из катушек связи L7, L9, L11, L13, L15, L17 гетеродинных контуров в зависимости от того какой диапазон частот принимается конвертором. В результате преобразования частоты на резисторе R5 в коллекторной цепи транзистора VT2 выделяется напряжение промежуточной частоты 1 МГц. Это напряжение через конденсатор С6 подается на антенный вход средневолнового радиоприемника, который настроен на эту частоту. Установленные на входе конвертора диоды VD1 и VD2 защищают его и основной приемник от выхода из строя при попадании с антенны сигналов большой амплитуды.