Энциклопедия радиолюбителя - Страница 78

Для фидера, соединяющего передатчик с передающей антенной, следует использовать высокочастотный коаксиальный кабель с малыми потерями. Необходимая длина кабеля определяется исходя из места расположения передатчика и высоты установки антенны. Кабели обычно поставляются фирмами с уже смонтированным^ разъемами на концах.
Передатчики на отечественный ранок поставляют отечественная фирма «НПП Артвис» и итальянская «СТЕ», официальным дилером которой в России является московская фирма «Алан-связь». Отрадно видеть в этом списке российскую фирму, помня о том, что Россия является родиной радиосвязи. Комплекты передающей аппаратуры фирмы «НПП Артвис» для различных диапазонов частот пользуются заслуженной популярностью, благодаря своему качеству, надежности и удобству эксплуатации (табл. 28.5).

В табл. 28.6 приведены модели антенных систем этой же фирмы. Сервис фирмы достаточно высок, она оперативно, в течение суток производит ремонт и замену неисправного оборудования.

В заключении хотелось бы отметить, что подробную информацию об аппаратуре для частных радиостанций можно получить, если посетить в Интернете сайты, адреса которых приведены в «Шаге 29» этой книги.
28.4. УКВ-передатчик для небольших зон радиовещания
Первый опыт радиовещания можно получить, если построить трансляционный УКВ передатчик. С его помощью можно осуществлять музыкальные и тематические передачи в небольших поселках, в зонах отдыха, пляжах и других местах, где не ведется УКВ вещание или его прием затруднен. УКВ передатчик с целью упрощения конструкции можно построить всего на одной электронной лампе.
Описание схемы
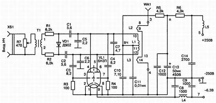
Принципиальная схема УКВ передатчика для небольших зон радиовещания приведена на рис. 28.1.

Рис. 28.1. Принципиальная схема УКВ-передатчика для небольших зон радиовещания
Передатчик состоит из двухтактного высокочастотного генератора на двух триодах, составляющих лампу VL1. Модулятор передатчика выполнен на варикапе VD1. Для питания передатчика может быть использован любой блок питания, дающий на выходе два напряжения: постоянное 250 В для питания анодных цепей и переменное 6,3 — для нити накала лампы. В основе передатчика лежит схема, которая хорошо опробирована и давно известна в радиотехнике. Такая схема передатчика позволяет получить сигнал близкий к стандарту вещания УКВ ЧМ. В передатчике используется контурная модуляция, так как она позволяет получить высокие качественные показатели при небольшом количестве радиокомпонентов. Сигнал звуковой частоты от микрофона или магнитофона (с гнезд дополнительный громкоговоритель) подается на вход передатчика XS1, откуда через трансформатор на варикап VD1. В результате чего изменяется емкость варикапа VD1 и происходит модулирование сигнала несущей. Получившиеся электромагнитные колебания излучаются антенной передатчика WA1 в пространство, которые и принимаются антеннами УКВ радиоприемников. Данный передатчик работает на одной из фиксированных частот, лежащих в диапазоне 90… 100 МГц.
Более точную частоту излучения радиоволн передатчика устанавливают изменением емкости конденсатора С7. В принципе передатчик может быть настроен на любую частоту УКВ диапазона, нужно только изменить соответствующим образом параметры контура L1, С7. В передатчике используется штырьевая антенна длиной 2,1 м, расположенная на высоте 3…4 м. В качестве антенны используется дюралюминиевая или медная трубка диаметром не менее 18 мм.
Детали
В передатчике использована лампа пальчиковой серии 6НЗП, высокочастотный двойной триод. Резисторы R1…R4 типа МЛТ-0,5 с допуском сопротивления ±10 %, резисторы R5, R6 типа МЛТ-2 с допуском сопротивления ±10 %. Переменный резистор R7 типа СПЗ-30 в. Конденсаторы: С1, С2, С5, С6, С10 типа КД-2; С3, С4, С7 — КТ-1, С8, С9 — БМ-2; С11, С12 — БМТ-2, а С13 — К50-12. Варикап Д902, указанный на схеме, можно заменить более совершенным, например, КВ109В или КВ109Г. При использовании других типов радиокомпонентов следует иметь в виду, что они должны быть рассчитаны на напряжение не ниже 300 В.
Контурные катушки передатчика L1…L3 бескаркасные и намотаны медным проводом диаметром 1 мм на оправке диаметром 10 мм. Катушка L1 имеет 7 витков с отводом от середины, a L2, L3 — по 2 витка. При монтаже катушек на плате катушки L2 и L3 располагают на расстоянии 2 мм от каждого торца катушки L1. Оси катушек L1…L3 должны лежать на одной прямой. Дроссель L4 наматывается эмалированным проводом диаметром 0,4 мм виток к витку на ферритовом стержне диаметром 4 мм марки 600 НН.
Дроссель L5 содержит 8 витков провода ПЭЛ 01,2 мм, намотанных виток к витку на оправке 010 мм. В качестве трансформатора Т1 можно использовать выходной трансформатор от любого радиоприемника или абонентского громкоговорителя. Высокоомная обмотка (содержащая большое количество витков провода) трансформатора подключается к резисторам R1 и R2. В данной конструкции передатчика использован трансформатор от абонентского громкоговорителя.
Большая часть детали передатчика монтируются на печатной плате размером 107x76 мм из фольгированного стеклотекстолита толщиной 2 мм (рис. 28.2).

Рис. 28.2. Печатная плата и монтаж на ней деталей УКВ-передатчика для небольших зон радиовещания
При монтаже ламповой панельки ее лепестки отгибаются и припаиваются непосредственно к печатным дорожкам. Навесным монтажом крепят детали L4, С14, R6, С13. После монтажа плата вместе с блоком питания помещается в металлический корпус. На передней панели корпуса крепится переменный резистор R7, а в верхней его части — разъем для подключения антенны. Возле резистора R7 следует расположить трансформатор Т1. Между блоком питания и платой передатчика устанавливают металлический экран. Для подключения антенны к передатчику используется кабель типа РК-1, можно также использовать кабели типа РК-49 или РК-75.
Передатчик, собранный из исправных деталей, при включении питания начинает сразу работать. Вращая ось переменного резистора R7, устанавливают глубину модуляции, при которой нет искажений и модуляция имеет достаточную глубину.
28.5. Автоматический селектор входов усилителя мощности
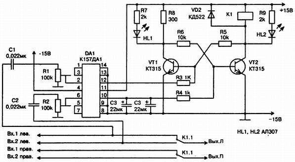
При работе на радиовещательной станции используются различные источники сигналов. Для их подключения к усилителю мощности в автоматическом режиме может быть полезен селектор входов, схема которого приведена на рис. 28.3. Селектор дает возможность подключать ко входу усилителя тот источник, на выходе которого имеется сигнал.

Рис. 28.3. Принципиальная схема автоматического селектора входов усилителя мощности
Селектор состоит из двухканального двухпериодного выпрямителя на микросхеме DA1 К157ДА1 и триггера, собранного на транзисторах VT1, VT2. Напряжение на одном из двух выходов усиливается, выпрямляется микросхемой DAI и поступает на базу соответствующего транзистора VT1 или VT2. Напряжение открывает один из транзисторов. В то же время другой транзистор обесточивается. В результате реле К1 остается в исходном состоянии (на вход подается сигнал со входа) или срабатывает (проходит сигнал со входа). Порог срабатывания устройства регулируется подбором сопротивления резисторов R1 и R2. О выбранном источнике сигнала судят по свечению светодиодов HL1 или HL2.