Энциклопедия радиолюбителя - Страница 72
Антенна на 12 каналов
Для приема программ в метровом диапазоне при небольшом расстоянии от телецентра (в зоне уверенного приема) радиолюбители иногда используют простую антенну, конструкция которой представлена на рис. 26.9. Антенна состоит из двенадцати металлических трубок (лучей), которые приварены к двум полукольцам. Вся эта конструкция крепится к деревянной раме соответствующих размеров. Лучи антенны имеют длину 1500 мм и изготовляются из металлических трубок диаметром 10…20 мм. Трубки могут быть медные, латунные или алюминиевые. Деревянная рама имеет размеры 400x400 мм. На рис 26.9 показаны точки (а, б) подсоединения коаксиального кабеля с волновым сопротивлением 75 Ом. К точке «а» припаивается оплетка кабеля снижения, а к точке «б» — его центральная жила.
Антенну располагают таким образом, чтобы ее плоскость была перпендикулярна направлению на телецентр.

Рис. 26.9. Телевизионная антенна на 12 каналов:
1 — металлические трубки, 2 — металлические полукольца, 3 — деревянная рамка
Логопериодическая антенна
В настоящее время широкое распространение получило телевизионное вещание на дециметровых волнах. Для качественного приема программ этого диапазона необходимы соответствующие антенны. В настоящее время имеет большое распространение так называемая логопериодическая антенна. Популярность антенны объясняется тем, что она имеет простую конструкцию и на нее можно принимать программы дециметрового диапазона (ДМВ), с 21-го по 60-й канал (470…790 МГц). Один из вариантов конструкции такой антенны представлен на рис. 26.10. Антенна может быть подключена к любому телевизионному приемнику отечественного или зарубежного производства, который рассчитан на прием сигналов ДМВ. Входное сопротивление антенны 75 Ом, что позволяет использовать коаксиальный кабель с волновым сопротивлением 75 Ом. Антенна принимает электромагнитные волны с горизонтальной и вертикальной поляризацией.

Рис. 26.10. Конструкция логопериодической наружной телеантенны для приема ДМВ
Конструкция антенны представляет собой две параллельные металлические трубки диаметром 16… 19 мм, у которых концы с одной стороны закреплены в отверстиях металлической пластины, а с другой — в текстолитовой, размеры пластин 87x30x5 мм. Крепление концов трубок приведено на рис. 26.10. В металлических трубках, вдоль их длин, на заданном согласно рис. 26.10 расстоянии, просверлены отверстия диаметром 3,3 мм и в них нарезана резьба М4. В полученные отверстия вкручено 14 директоров, изготовленных из прутка 05 мм, на одном конце каждого прутка, на длине 10 мм, нарезана резьба М4. Длины директоров, с учетом части длины конца с нарезанной резьбой, согласно номеру вибратора, указанному на рис. 26.10, приведены в табл. 26.1.
Коаксиальный кабель проходит внутри одной из трубок и распаян согласно рис. 26.10. После окончания сборки антенны необходимо места подпайки кабеля закрасить водостойкой краской для защиты места соединения от влаги. Антенна в особой настройке не нуждается, надо только ее направить в сторону телецентра, и после подпайки телевизионного штеккера она готова к работе.

26.4. Подключение нескольких телевизоров к одной антенне
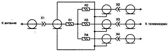
Часто возникает ситуация, когда к одной телевизионной антенне надо подключить несколько телевизоров. В этом случае главное правильно согласовать волновые сопротивления фидеров антенны и телевизоров, обеспечив минимальное затухание сигнала. На рис. 26.11 приведена схема подключения трех телевизоров к одной телеантенне.

Рис. 26.11.Принципиальная схема подключения трех телевизоров к одной телеантенне
По такой же схеме можно подключить большое количество в разумных пределах телевизоров, но следует помнить, что с увеличением количества телевизоров, увеличится затухание сигнала. При расчетах таких схем подключения принимают, что волновые сопротивления фидеров и согласующих резисторов R1…R4 равны между собой. Тогда сопротивления согласующих резисторов определятся из следующей формулы
Rn = (n — 1)·(n + 1)·W,
где W — волновое сопротивление, n — количество телевизоров. Коэффициент передачи цепи определяется из выражения Кn = 1/n. В табл. 26.2 приведены значения коэффициента передачи цепи и согласующих резисторов в зависимости от количества подключаемых телевизоров, при использовании широкораспространенного кабеля с волновым сопротивлением W = 75 Ом. Если какой-нибудь выход согласующего блока не используется, то к нему следует подключить балластный резистор сопротивлением 75 Ом.

26.5. Двухканальная телеантенна
При значительной разности частот принимаемых телеканалов, как правило, используют одну широкополосную антенну или устанавливают столько антенн, сколько принимают каналов. В последнем случае используют кабель снижения для каждой антенны и подключение антенн производят простым подсоединением выбранного штеккера требуемой антенны к антенному гнезду телевизора. Чаще всего антенны соединяют через согласующее устройство и используют один кабель снижения. В этом случае удается иногда использовать достаточно простые антенны и без согласующих устройств. На рис. 26.12 представлена конструкция двухканальной телеантенны и электрическое соединение ее элементов.

Рис. 26.12. Конструкция двухканальной телеантенны для приема MB и соединение ее элементов кабелем
Конструктивно антенна состоит из двух линейных симметричных полуволновых вибраторов, которые расположены один над другим. Верхняя антенна рассчитана на прием 4 канала, нижняя — 8 канала. Вибраторы изготавливают из медных трубок диаметром 10 мм и укрепляют на покрашенных деревянных брусьях сечением 40x60 мм металлическими скобами. Брусья прибиты гвоздями к деревянной мачте (рис. 26.13).

Рис. 26.13. Конструкция узла крепления двухканальной телеантенны для приема MB
В сельской местности высота мачты должна составлять около 11 м. Полуволновые вибраторы состоят из двух трубок одинаковой длины, расположенных на одной прямой. Расстояние между трубками составляет 50…80 мм, а расстояние между внешними их концами равно половине длины волны принимаемого канала (рис. 26.14).

Рис. 26.14. Конструкция линейного симметричного полуволнового вибратора и присоединение к нему кабеля снижения
Диаграмма направленности полуволнового вибратора, как известно, в горизонтальной плоскости представляет вид восьмерки, а в вертикальной — круга. Расстояние между антеннами равно 0,8 м, что соответствует примерно 1/4 длины волны 4 канала и 1/2 длины волны 8 канала.