Энциклопедия радиолюбителя - Страница 49
Рис. 21.7. Принципиальная схема сенсора с предварительным каскадом усиления на полевом транзисторе
В схеме для четкого срабатывания триггера DD2 введен одновибратор (триггер Шмитта) на микросхеме DD1.1 и DD1.2. Величина сопротивления подстроечного резистора R4 обычно составляет 2,6 кОм. Расстояние от затвора транзистора VT1 до сенсорной пластины следует сделать минимальным, в противном случае для лучшей помехоустойчивости следует включить конденсатор С1 и экспериментально подобрать его емкость. С целью удобства в данном устройстве от сенсорной пластины можно вообще отказаться, если вместо нее использовать корпус транзистора. Для этого осторожно снимают с крышки транзистора краску, а корпус соединяют с выводом затвора. Теперь, чтобы включить сенсорное устройство нужно коснуться верхней части транзистора.
Практическая схема
Практическая схема сенсорной двухтональной сирены с использованием микросхемы K155ЛA3 приведена на рис. 21.8.

Рис. 21.8. Принципиальная практическая схема сенсорной двухтональной сирены
Сирену можно использовать в качестве квартирного звонка или звуковой игрушки. Стоит лишь дотронуться до сенсора Е1, как в наушнике раздастся зазывающий звук с периодически изменяющейся тональностью. Основным узлом сирены является «гибридный» мультивибратор (тональный генератор), выполненный на транзисторе VT3 и логическом элементе DD1.4. Сигнал мультивибратора усиливается каскадом на транзисторе VT4. При касании сенсорного контакта Е1 запускается одновибратор, состоящий из транзистора VT2 и элемента DD1.3, запускается, т. е. генерирует одиночный импульс продолжительностью 4…6 с. Импульс в виде уровня логической 1 подается на два генератора с разной тональностью: генератор (VT3, DD1.4) и генератор (VT1, DD1.1, его частота меньше частоты тонального генератора) и разрешает их работу, в результате из капсюля BF1 слышится звук.
Детали
Детали сирены таких типов: резисторы — МЛТ-0,125, конденсаторы С2, СЗ — К50-6, остальные КЛС или малогабаритные. Транзисторы VT1…VT3 из указанной серии с любой буквой, VT4 — типа МП40, МП41 и им подобные. Капсюль BF1 — ДЭМ-4М или ТА-56М. Все детали устройства смонтированы на печатной плате размером 55x45x0,8 мм (рис. 21.9), которая помещена в подходящий корпус. В корпусе размещается капсюль и три гальванических элемента типа 316.

Рис. 21.9. Печатная плата двухтональной сирены
Шаг 22
Телемеханически управляемые конструкции
Под телемеханикой (от греческих слов: «теле» — далеко и «механика» — сооружение) понимают отрасль науки и техники, предметом исследований которой является разработка методов и технических способов передачи сигналов с целью контроля и управления разными объектами на расстоянии. Отличие телемеханики от дистанционного управления заключается в том, что в ней для передачи различных команд большому числу объектов используется всего один канал связи. И при этом число управляемых объектов практически не ограничивается, только происходит усложнение кода передачи. С помощью телемеханики объектам передают команды типа «включить», «выключить», «назад», «вперед» и т. д. Телемеханическую информацию передают по проводам, радиоканалам, линиям электропередач и лучу лазера. В зависимости от назначения и вида передаваемой информации различают системы телемеханического управления (или короче телеуправления), измерения (или телеизмерения) и сигнализации (или телесигнализации). В авиации, ракетной технике, космонавтике управление и измерение с помощью средств телемеханики называют «радиоуправлением» и «радиотелеметрией». В этом разделе рассмотрим вопросы практического конструирования простых телеуправляемых моделей, доступных в изготовлении начинающим радиолюбителям.
22.1. Устройства, управляемые светом
Система телеуправления моделей с помощью светового луча наиболее простая, так как в качестве передатчика здесь можно использовать обычный карманный фонарик. Не так уж и сложен приемник такой модели. Такая телеаппаратура может быть установлена в различные электрофицированные игрушки, например, машинки с электродвигателем, питающимся от батарейки.
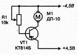
Рассмотрим вначале схему управления миниатюрного электрического моторчика с помощью транзистора. Простая схема такого управления представлена на рис. 22.1.

Рис. 22.1. Принципиальная электрическая схема управления электродвигателем
При вращении оси переменного резистора R1 происходит изменение усиления транзистора, а отсюда и изменяется скорость вращения двигателя. Управление с помощью транзистора достаточно удобно и к тому же позволяет удлинить соединяющие провода между резистором и остальной частью схемы. Можно весь механизм, приводящий в движение игрушку, поместить внутри ее, а в руках держать переменный резистор, соединенный с ней длинными проводами. Хотя такая схема управления часто применяется на практике, более эффективным и современным является использование беспроводного управления.
На рис. 22.2 приведена принципиальная схема беспроводного устройства, управляемого лучом света. С правой стороны от пунктирной линии находится обычная цепь моторчика с транзистором, а слева цепь с фотодиодом, которая заменила в предыдущей схеме управления переменный резистор R1. Если теперь осветить фотодиод лучом фонарика, то произойдет уменьшение его сопротивления. Это приведет к изменению сопротивления транзисторной цепи и вызовет быстрое вращение двигателя. Если теперь выключить свет, то двигатель остановится. Телеметрическое устройство собирается на небольшой монтажной планке, которая помещается внутри модели. Наверху модели, в удобном месте с точки зрения освещенности, крепится фотодиод. Модель с такой системой управления работает от луча света, направленного с расстояния до 1,3 м.
Рис. 22.2. Принципиальная схема устройства управления электродвигателя лучом света
На таком же принципе можно построить и автомат включения уличного освещения в деревне или загородном домике (рис. 22.3).

Рис. 22.3. Принципиальная схема устройства выключения уличного освещения
Его датчиком служит фоторезистор типа ФС-К1, который, как и в схеме рис. 22.2, включен в цепь базы транзистора VT1. Темновое сопротивление фоторезистора составляет около 500…800 кОм, а коллекторный ток транзистора VT2 не превышает 3…4 мА, что недостаточно для срабатывания реле К1. В это время контакты реле замкнуты и лампочка уличного освещения горит. С наступлением рассвета сопротивление фоторезистора постепенно уменьшается до 70…100 кОм, а ток в цепи базы транзистора VT1 увеличивается. Это приводит к повышению тока коллектора транзистора VT2 и срабатыванию реле К1, которое размыкает контакты К1.1 и лампа гаснет. Питание устройства построено по бестрансформаторной схеме с использованием гасящего конденсатора С2. В автомате использовано реле К1 типа РЭС-22 (паспорт РФ4.500.131). Конденсатор С2 типа МБГО на напряжение 600 В. Автомат смонтирован в корпусе из пластмассы размером 120x90x30 мм и настройки практически не требует. Для увеличения задержки времени выключения лампы следует уменьшить питающее напряжение до15…16 В. Для этого вместо указанных на схеме типов стабилитронов, следует использовать один стабилитрон Д813 или два типа КС 175 (или ранних выпусков Д808).